Armadillo-IoT ゲートウェイ A9E では基本的に ATDE という Armadillo 専用開発環境と、 Visual Studio Code (以降 VS Code と記載します) 向け Armadillo 開発用エクステンションを用いてアプリケーション開発を行っていきます。
この節では、アプリケーション開発のために、はじめに開発環境のセットアップを行います。
本節を完了すると、Armadillo を用いた製品の開発に即座に取り組むことができる状態になります。
開発環境のセットアップは、作業用 PC と Armadillo の両方に対して行います。
本節では初めに作業用 PC についてのセットアップを行い、その後に Armadillo についてのセットアップを行います。
そのため、新たに Armadillo を用意した場合や、Armadillo のセットアップをやり直したい方は本節の途中から行うことができます。
後半では Armadillo による開発方法の勝手を大まかに把握したい方を想定して、
Python アプリケーションによる LED 点滅の動作確認を行う項を用意しています。
不要な方はこの項をスキップしてください。
その後、 Armadillo のシリアルコンソールのセットアップ・操作方法について解説します。
開発環境をセットアップする上で、まずは次のものを用意してください。
-
作業用PC
-
LinuxまたはWindowsが動作し、ネットワークインターフェースと 1つ以上のUSBポートを持つPCです。
-
Armadillo-IoT ゲートウェイ A9E 開発セット一式
-
詳しくは「Armadillo-IoT ゲートウェイ A9E開発セット」をご参照ください。
-
1 GB 以上の microSDカード
-
Armadilloの初期化・ABOSのアップデートの際に使用します。
-
マイナスドライバー
-
ドライバーはケースを取り外す際に使用しますので、ケースが無い場合は不要です。
-
ネットワーク環境
-
仮想化ソフトウェアや Armadillo の初期化インストールディスクイメージなどを作業用 PC にダウンロードする手順があります。
また、 「Armadillo に初期設定をインストールする」 の手順から Armadillo と作業用 PC をネットワーク通信ができるようにする必要があります。
作業用 PC をセットアップします。
アットマークテクノでは、製品のソフトウェア開発や動作確認を簡単に行うために、Oracle VirtualBox 仮想マシンのデータイメージを提供しています。
このデータイメージを ATDE(Atmark Techno Development Environment) と呼びます。
ATDE の起動には仮想化ソフトウェアである VirtualBox を使用します。
![[ティップ]](images/tip.png) | |
---|
Oracle VirtualBoxには以下の特徴があります。 -
基本パッケージが GPLv3(GNU General Public License Version 3) で提供されている
-
VMware形式の仮想ディスク(.vmdk)ファイルに対応している
|
3.1.2.1. VirtualBox のインストール
ATDE を使用するために、作業用 PC に VirtualBox をインストールします。
VirtualBox の Web ページ(https://www.virtualbox.org/) を参照してインストールしてください。
また、ホスト OS が Linux の場合、デフォルトでは VirtualBox で USB デバイスを使用することができません。
ホスト OS(Linux)で以下のコマンドを実行後、ホスト OS を再起動してください。
[PC ~]$ sudo usermod -a -G vboxusers $USER
ホスト OS が Windows の場合はこの操作は必要ありません。
ATDE のアーカイブ(.ova
ファイル)を Armadillo サイト(https://armadillo.atmark-techno.com/resources/software/atde/atde-v9)から
ダウンロードします。
![[注記]](images/note.png) | |
---|
アットマークテクノ製品の種類ごとに対応している ATDE のバージョンが異なります。
本製品に対応している ATDE のバージョンは以下のとおりです。 -
VirtualBox
-
ATDE9 v20240925 以降
|
ATDE9 は Debian GNU/Linux 11 (コードネーム bullseye) をベースに、Armadillo-IoT ゲートウェイ A9E のソフトウェア開発を行うために必要なクロス開発ツールや、Armadillo-IoT ゲートウェイ A9E の動作確認を行うために必要なツールが事前にインストールされています。
![[警告]](images/warning.png) | |
---|
作業用 PC の動作環境(ハードウェア、VirtualBox、ATDE の対応アーキテクチャなど)により、 ATDE が正常に動作しない可能性があります。
VirtualBox の Web ページ(https://www.virtualbox.org/) から、
使用している VirtualBox のドキュメントなどを参照して動作環境を確認してください。 |
-
VirtualBox を起動し、[ファイル]-[仮想アプライアンスのインポート]を選択します。
-
[ソース]の項目で、ダウンロードした ATDE のアーカイブ(
.ova
ファイル)を選択します。
-
[設定]の項目で、[ハードドライブをVDIとしてインポート]のチェックを外します。
-
[完了]をクリックします。インポートの処理が完了するまで数分程要します。
-
インポートの処理が完了したら、ホスト OS の環境に合わせた設定に更新するため
仮想マシンを選択して[設定]をクリックした後に[OK]をクリックします。
![[ティップ]](images/tip.png) | |
---|
ATDE に割り当てるメモリおよびプロセッサ数を増やすことで、 ATDE をより快適に使用することができます。
仮想マシンのハードウェア設定の変更方法については、
VirtualBox の Web ページ(https://www.virtualbox.org/) から、
VirtualBox のドキュメントなどを参照してください。 |
-
仮想マシンを選択して[起動]をクリックしてください。
-
ATDE のログイン画面が表示されます。
ATDE にログイン可能なユーザーを、表3.1「ユーザー名とパスワード」に示します []。
表3.1 ユーザー名とパスワード
ユーザー名 | パスワード | 権限 |
---|
atmark
| atmark
| 一般ユーザー |
root
| root
| 特権ユーザー |
3.1.2.5. コマンドライン端末(GNOME端末)の起動
Armadillo を利用した開発では、 CUI (Character-based User Interface)環境を提供するコマンドライン端末を通じて、 Armadillo や ATDE に対して操作を行う場面が多々あります。
コマンドライン端末にはいくつかの種類がありますが、ここではGNOMEデスクトップ環境に標準インストールされているGNOME端末を起動します。
GNOME端末を起動するには、図3.1「GNOME端末の起動」のようにデスクトップ左上のアプリケーションの「ユーティリティ」カテゴリから「端末」を選択してください。
図3.2「GNOME端末のウィンドウ」のようにウィンドウが開きます。
コマンドライン端末から次の操作を行い、ソフトウェアを最新版へアップデートしてください。
VirtualBoxは、ゲストOS (ATDE)による取り外し可能デバイス(USBデバイスやDVDなど)の使用をサポートしています。
デバイスによっては、ホストOS (VirtualBoxを起動しているOS)と ATDE で同時に使用することができません。
そのようなデバイスを ATDE で使用するためには、ATDE にデバイスを接続する 図3.4「ATDE にデバイスを接続する」 の操作が必要になります。
3.1.2.8. VirtualBox Guest Additions の再インストール
ATDE は VirtualBox 仮想マシン用ソフトである VirtualBox Guest Additions があらかじめインストールされた状態で配布されています。
Guest Additions のバージョンは VirtualBox 自体のバージョンと連動しているため、
お使いの VirtualBox のバージョンと ATDE にインストール済みの Guest Additions のバージョンが異なる場合があります。
VirtualBox と Guest Additions のバージョンが異なることによって問題が起こる可能性は低いですが、
これに起因すると思われる不具合(ATDEの画面・共有フォルダー・クリップボード等の不調)が発生した場合は、
以下の手順を参考に Guest Additions を再インストールしてください。
(実行前に ATDE のスナップショットを作成しておくことを推奨します)
-
ATDE を起動後、上部バーの[デバイス]-[Guest Additions CD イメージの挿入]を選択してください。
-
お使いの VirtualBox と同じバージョンの
VBox_GAs_[VERSION]
が「ファイル」上に表示されます。
-
VBox_GAs_[VERSION]
をマウントするために、「ファイル」から VBox_GAs_[VERSION]
を押下してください。
インストールする前に、以下のコマンドで既にインストール済みの Guest Additions をアンインストールします。
sudo /opt/VBoxGuestAdditions-[VERSION]/uninstall.sh
以下のコマンドでお使いの VirtualBox のバージョンに合った Guest Additions がインストールされます。
cd /media/cdrom0
sudo sh ./autorun.sh
ホスト OS と ATDE 間でファイルを受け渡す手段として、共有フォルダーがあると大変便利です。
ここでは、ホスト OS と ATDE 間の共有フォルダを作成する手順を紹介しますが、
不要な方はこの手順をスキップしてください。
追加した共有フォルダーは、図3.8「「ファイル」に表示される共有フォルダー」のように「ファイル」からアクセスするか、
または /media/sf_share(共有フォルダー名)
からアクセスできます。
( share
というフォルダー名で作成すると、ATDE上では sf_share
として表示されます。)
作業用 PC のセットアップです。
Armadillo-IoT ゲートウェイ A9E の開発には、 VS Code を使用します。
ATDE のバージョン v20230123 以上には、 VS Code がインストール済みのため新規にインストールする必要はありませんが、
使用する前には図3.3「ソフトウェアをアップデートする」にしたがって最新版へのアップデートを行ってください。
以下の手順は全てATDE上で実施します。
VS Code を起動するために code
コマンドを実行するか、「アプリケーション」の中から「Visual Studio Code」を探して起動してください。
![[ティップ]](images/tip.png) | |
---|
VS Code を起動すると、日本語化エクステンションのインストールを提案してくることがあります。
その時に表示されるダイアログに従ってインストールを行うと VS Code を日本語化できます。 |
3.1.3.2. VS Code に開発用エクステンションをインストールする
VS Code 上でアプリケーションを開発するために、
ABOSDE (Armadillo Base OS Development Environment) というエクステンションをインストールします。
エクステンションはマーケットプレイスからインストールすることができます。
VS Code を起動し、左サイドバーのエクステンションを選択して、検索フォームに「abos」と入力してください。
表示された「Armadillo Base OS Development Environment」の 「Install」ボタンを押すとインストールは完了します。
3.1.4. Armadillo の初期化と ABOS のアップデート
Armadillo をセットアップします。
まずは、お手元の Armadillo に搭載されている Armadillo Base OS(ABOS) を最新版にします。
ABOS のバージョンが古い場合、本マニュアルで紹介されている重要な機能を使用できない可能性があります。
そのため、以下の手順に従って、ABOS のアップデートを兼ねた Armadillo の初期化を行ってください。
3.1.4.1. 初期化インストールディスクの作成
初期化インストールディスクイメージをmicroSDカードに書き込み、初期化インストールディスクを作成します。
ここでは、Windows で作成する方法を紹介します。(ATDE や Linux で実施する方法については「ATDE・Linux でインストールディスクを作成する」を参照してください)
-
1 GB 以上の microSD カードを用意してください。
-
標準のインストールディスクイメージをダウンロードします。
Armadillo-IoT ゲートウェイ A9E インストールディスクイメージ から
「Armadillo Base OS インストールディスクイメージ」をダウンロードしてください。
ダウンロードしたzipファイルを展開します。図のとおり、zipファイルを選択して右クリックし、「すべて展開…」をしてください。
-
Win32 Disk Imager Renewal(https://github.com/dnobori/DN-Win32DiskImagerRenewal/releases/)をダウンロードして起動します。
-
PC に microSD カードを接続します。
[Image File] に先ほど展開したフォルダ内の img ファイルを指定し、[Device] からは microSD カードに対応するものを選びます。
![[警告]](images/warning.png) | |
---|
[Device]の選択には細心の注意を払ってください。他に接続されているデバイスに意図せず書き込んでしまった場合、そのデバイスのデータが上書きされてしまいます。
選んだ[Device]が目的の microSD カードなのかどうか、しっかりと確認してください。microSDカードやカードリーダーの挿抜による[Device]の表示の変化で確かめることもできます。 |
-
[Write] ボタンを押すと警告が出ますので、問題なければ[はい]を選択して書き込みます。
-
書き込み終了ダイアログが表示されたらインストールディスクの作成は完了です。microSD カードを取り外してください。
作成したインストールディスクを使用して、インストールを実施します。
以下の手順に沿って、 図3.13「Armadillo-IoT ゲートウェイ A9Eを初期化する接続」 のとおりに接続します。
-
起動デバイス設定スイッチ(SW2)を「SD」に切り替えます。
-
microSD カードを CON4 に挿入します。
-
AC アダプタを接続して電源を投入するとシステムLED(SYS) が点灯・点滅します。
-
1分程度でeMMCのソフトウェアの初期化が完了し、電源が切れます(システムLED(SYS) が消灯)。
-
システムLED(SYS) が消灯したら、電源を取り外し、続いて 起動デバイス設定スイッチ を eMMC に設定し、microSD カードを外してください。
![[警告]](images/warning.png) | |
---|
電源を再投入する際は、コンデンサに蓄えられた電荷を抜くため、電源を切断後、一定時間以上待つ必要があります。
開発セット付属のACアダプタの場合に必要な時間は以下のとおりです。 -
DCプラグ側で電源を切断した場合 : 約2分
-
ACプラグ側で電源を切断した場合 : 約3分
コンデンサに蓄えられた電荷が抜ける前に電源を再投入した場合、
電源シーケンスが守られず、起動しない等の動作不具合の原因となります。 |
-
-
Armadillo-IoT ゲートウェイ A9E
-
-
ACアダプタ(12V/2.0A)
-
-
起動デバイス設定スイッチ
-
-
microSD カード
![[ティップ]](images/tip.png) | 起動デバイス設定スイッチについて |
---|
この手順では起動デバイス設定スイッチの操作が必要になります。
起動デバイス設定スイッチを操作することで、起動デバイスを設定することができます。
-
-
起動デバイスはeMMCになります。
-
-
起動デバイスはmicroSDになります。
起動デバイス設定スイッチの両脇の基板上に、白い文字でeMMC/SDとシルク記載しているので、操作の目印にご利用ください。 |
3.1.5. Armadillo に初期設定をインストールする
次に、 Armadillo に初期設定( initial_setup.swu
)をインストールします。
initial_setup.swu
はログインパスワードやユーザー固有の証明書などの
初期設定を Armadillo にインストールするためのファイルです。
initial_setup.swu
でインストールされるユーザー固有の証明書がない場合、
ユーザーが開発したアプリケーションをインストール、またはアップデートすることができません。
このため開発前に、初期化された Armadillo に initial_setup.swu
をインストールする必要があります。
初期化された Armadillo に対してユーザーが開発したアプリケーションのインストール・アップデートを行うために必須の手順になりますので、
必ず行ってください。
ここでは、 initial_setup.swu
を VS Code で作成し、 ABOS Web で Armadillo にインストールします。
3.1.5.1. initial_setup.swu
の作成
図3.15「initial_setup.swu
を作成する」 に示すように、VS Code の左ペインの [COMMON PROJECT COMMAND] から [Generate Initial Setup Swu] を実行してください。
初回実行時には各種設定の入力を求められます。
入力する設定の内容を 図3.16「initial_setup.swu 初回生成時の各種設定」 に示します。
なお、この後の Python アプリケーション による動作確認では ABOS Web を使用した手順を記載しています。
この後の手順通りに動作確認を行いたい場合は、ABOS Web のパスワードを設定してください。
|
COMMON_NAME には証明鍵の「common name」として会社や製品が分かるような任意の名称を入力してください。
|
|
証明鍵を保護するパスフレーズを2回入力します。
|
|
SWUイメージ自体を暗号化する場合に「y」を入力します。
詳細は 「SWUpdate と暗号化について」 を参考にしてください。
|
|
アットマークテクノのアップデートをインストールしない場合は「n」を入力します。
|
|
rootのパスワードを2回入力します。
使用するパスワードは以下のルールに従ってください。
-
辞書に載っている言葉を使用しない
-
単調な文字列を使用しない
-
8文字以上のパスワード長にする
|
|
atmarkユーザーのパスワードを2回入力します。
何も入力しない場合はユーザーをロックします。
使用できるパスワードの制限はrootと同様です。
|
|
自動アップデートを無効のままで進みます。ここで「y」を入れると、定期的に
アットマークテクノのサーバーからアップデートの有無を確認し、自動的にインストールします。
|
|
abos-webを使用する場合はパスワードを設定してください。
ここで設定したパスワードは abos-web から変更できます。
使用できるパスワードの制限はrootと同様です。
詳細は 「ABOS Web のパスワード変更」 を参考にしてください。
|
|
作成したファイルを確認します。「swupdate.aes-key」は暗号化の場合にのみ作成されます。
|
ファイルは ~/mkswu/initial_setup.swu
に保存されます。
3.1.5.2. initial_setup.swu
を Armadillo にインストール
上の手順で作成した SWU イメージ(initial_setup.swu
)を Armadillo へインストールします。
インストール方法は様々ありますが(「SWU イメージのインストール」)、ここでは ABOS Web を使用した手動インストールを行います。
ABOS には ABOS Web という機能が含まれています。
この機能を活用することで、 Web ブラウザからネットワークの設定や、 SWU イメージのインストールなどを簡単に行うことができます。
(ただし、Armadillo と作業用 PC が同一 LAN 内に存在している必要があります)
以下の手順に沿って、 ABOS Web へアクセスし、initial_setup.swu
のインストールを行ってください。
まず、 図3.17「ABOSにアクセスするための接続」 のとおりに Armadillo に配線を行い、電源を入れてください。
-
-
Armadillo-IoT ゲートウェイ A9E
-
-
ACアダプタ(12V/2.0A)
-
-
作業用 PC
-
-
LAN HUB
-
-
Ethernetケーブル
-
-
起動デバイス設定スイッチ
1分ほど待機して、ABOSDE でローカルネットワーク上の Armadillo をスキャンします。
図3.18「ABOSDE で ローカルネットワーク上の Armadillo をスキャンする」 の赤枠で囲われているボタンをクリックしてください。
Armadillo が正常に起動していた場合、図3.19「ABOSDE に表示されている Armadillo を更新する」 の一覧に起動した Armadillo が armadillo.local という名称で表示されます。
表示されない場合は1分ほど待機してから図3.19「ABOSDE に表示されている Armadillo を更新する」の赤枠で囲われているマークをクリックしてスキャンを再度試みてください。
ただし、ATDE のネットワークをブリッジ接続以外に設定している場合は Armadillo がリストに表示されない場合があります。表示するためにはATDE のネットワークをブリッジ接続に設定してください。
また、ABOS Web が動作する Armadillo が同じ LAN 上に複数あると、ABOS Web に接続する URL のホスト名部分(armadillo.local)が、2台目では armadillo-2.local、3台目では armadillo-3.local のように、違うものが自動的に割り当てられます。
目的の Armadillo がどのホスト名なのか不明な場合には、Armadillo のラベルに記載されているMACアドレスと一致するもの( 図3.20「ABOSDE を使用して ABOS Web を開く」 の赤枠に表示されます )を探してください。
また、 Armadillo を社内LANやインターネットに直接に接続できないなどの場合は、
ATDE を社内LAN(インターネット)に接続しながら Armadillo とリンクローカルアドレスで1対1の接続を行うこともできます。
詳細はブログ 「Armadillo Base OS:Armadilloをインターネットに繋げない環境でのソフトウェア開発を行うために」をご参照ください。
続いて、図3.20「ABOSDE を使用して ABOS Web を開く」 の赤枠で囲われているマークをクリックして、
ABOS Web を Web ブラウザで開きます。
ABOS Web が正常に起動していれば、Web ブラウザに パスワード登録画面( 図3.21「パスワード登録画面」 )が表示されます。
initial_setup.swu
を作成する手順で設定したパスワードを入力して、ABOS Web のログイン用パスワードを設定します。
パスワード登録画面で、"パスワード" フィールドと "パスワード(確認)" フィールドに、登録したいパスワードを入力してから、"登録" ボタンをクリックしてください。
パスワード登録完了画面が表示されたら、パスワード登録の完了です。
パスワード登録完了画面にある "ログインページ" というリンクをクリックすると、ログイン画面が表示されますので、先ほど登録したパスワードを入力して "ログイン" ボタンをクリックしてください。
ログインに成功すると、ABOS Web の設定画面( 図3.24「トップページ」 )に表示が変わり、設定操作を行うことができます。
これで、ABOS Web へのアクセスが完了しました。
3.1.5.4. ABOS Web から initial_setup.swu
をインストール
ABOS Web のトップページから"SWU インストール"をクリックして、 図3.25「SWU インストール」 の画面に遷移します。
"参照…"から ~/mkswu/initial_setup.swu
を選択し、"インストール"をクリックしてください。
数分ほど待機すると 図3.26「SWU インストールに成功した画面」 のように"インストールが成功しました。"と表示され、Armadillo が再起動します。
(ABOS Web も再起動されるので、再起動完了後にページを更新するとログイン画面に戻ります)
これで Armadillo に初期設定をインストールする手順が完了です。
インストール完了後に ~/mkswu ディレクトリ以下にある mkswu.conf
と、鍵ファイルの swupdate.*
をなくさないようにしてください。
![[ティップ]](images/tip.png) | ABOS Web にブラウザから直接アクセスする |
---|
ABOSDE を使わずに、 直接 Web ブラウザのアドレスバーに ABOS Web のURLを入力することでも ABOS Web にアクセスできます。
ATDE で Web ブラウザを起動した後、Web ブラウザのアドレスバーに次の URL を入力してください: https://armadillo.local:58080 複数台の Armadillo が接続されている場合には、armadillo.local の部分が armadillo-2.local や armadillo-3.local となっている可能性があります。
これらは ABOSDE のリストに表示されているホスト名と同名ですので、目的の Armadillo と一致するホスト名を入力してください。 また、Web ブラウザから直接アクセスする方法では、ホスト名ではなくIPアドレスを指定することもできます。
例えば、Armadillo の(ネットワークコネクタの)IPアドレスが 192.0.2.80 である場合は、次の URL を入力してください: https://192.0.2.80:5808 IPアドレスを固定している場合はIPアドレスを指定する方法が便利になる場面もあります。
また、IPアドレスを指定する方法は ATDE のネットワークを NAT に設定している場合でも有効です。 |
![[ティップ]](images/tip.png) | ABOS Web からログアウトする |
---|
ログアウトを行う場合は、サイドメニューから "ログアウト" を選択してください。
ログアウトすると、ログイン画面が再び表示されますので、ABOS Web をすぐに使わないのであれば、Web ブラウザを閉じてください。 |
3.1.6. Python アプリケーションで動作確認する
本項では LEDを点滅させる Python のサンプルアプリケーションを使用して、
Armadillo による開発方法の勝手を大まかに把握したい方を想定した簡単な動作確認を行います。
なお、開発環境のセットアップに直接関わる手順ではないので、この動作確認が不要な方は本項をスキップしてください。
Armadillo でのアプリケーションの開発には ABOSDE を使用します。
VS Code の左ペインの [A9E] から [Python New Project] を実行(右に表示されている三角形ボタン)し、表示されるディレクトリ選択画面からプロジェクトを保存する
ディレクトリを選択してください。
保存先を選択すると、プロジェクト名を入力するダイアログが表示されるので、任意のプロジェクト名を入力してエンターキーを押してください。
この操作により、選択した保存先に、入力したプロジェクト名と同名のディレクトリが作成されます。
また、ここでは次のように設定しています。
-
保存先 : ホームディレクトリ
-
プロジェクト名 :
my_project
プロジェクトを作成したら、VS Code で my_project
のディレクトリを開いてください。
プロジェクトを作成する度に、初期設定を行う必要があります。
初期設定では主に Armadillo と SSH で接続するための秘密鍵と公開鍵の生成を行います。
以下の手順を実施してください。
VS Code の左ペインの [my_project] から [Setup environment] を実行します。
選択すると、 VS Code の下部に以下のようなターミナルが表示されます。
このターミナル上で以下のように入力してください。
|
パスフレーズを設定します。設定しない場合は何も入力せず Enter を押します。
|
|
1 でパスフレーズを設定した場合は、確認のため再度入力してください。
|
|
ここで何か任意のキーを押すとターミナルが閉じます。
|
パスフレーズを設定した場合は、アプリケーションを Armadillo へ転送する時にパス
フレーズの入力を求められることがあります。
![[ティップ]](images/tip.png) | |
---|
ssh の鍵は $HOME/.ssh/id_ed25519_vscode (と id_ed25519_vscode.pub ) に保存されていますので、
プロジェクトをバックアップする時は $HOME/.ssh も保存してください。 |
3.1.6.3. アプリケーション実行用コンテナイメージの作成
Armadillo 上でアプリケーションを実行するためのコンテナイメージを作成します。
ここで作成したコンテナイメージは SWU イメージを使用して Armadillo へインストールします。
コンテナイメージの作成および SWU イメージの作成も VS Code で行います。
VS Code の左ペインの [my_project] から [Generate development swu] を実行します。
コンテナイメージの作成にはしばらく時間がかかります。
VS Code のターミナルに以下のように表示されるとコンテナイメージの作成は完了です。
作成した SWU イメージは my_project
ディレクトリ下に development.swu
という
ファイル名で保存されています。
3.1.6.4. アプリケーション実行用コンテナイメージのインストール
上で作成した development.swu
を Armadillo へインストールします。
initial_setup.swu
をインストールしたときと同様に ABOS Web からインストールさせることも可能ですが、
ここでは ABOSDE を使用してインストールする手順をご紹介します。
図3.34「ABOSDE で Armadillo に SWU をインストール」 のように、目的の Armadillo の隣にある赤枠で囲まれているボタンをクリックしてください。
パスワードの入力を要求されますので、ABOS Web のパスワードを入力してください。
その後、 ~/my_project/development.swu
を選択してインストールを開始します。
インストールが成功すると、VS Code のターミナルに Successfully installed SWU
と表示されます。
インストール後に自動で Armadillo が再起動し、1分ほど待機するとLED が点滅します。
3.1.6.5. ssh
接続に使用する IP アドレスの設定
以下の手順にしたがい、
ABOS Web が動作している Armadillo の一覧を確認し、
ssh 接続に使用する Armadillo の IP アドレスを指定してください。
なお、この手順は Armadillo の IP アドレス が変更される度に行う必要があります。
図3.18「ABOSDE で ローカルネットワーク上の Armadillo をスキャンする」 の赤枠で囲われているボタン、
または 図3.19「ABOSDE に表示されている Armadillo を更新する」 の赤枠で囲われているマークをクリックして、
ローカルネットワーク上で ABOS Web が実行されている Armadillo をスキャンしてください。
その後、目的の Armadillo について、図3.35「ABOSDE を使用して ssh 接続に使用する IP アドレスを設定する」 の赤枠で囲われているマークをクリックしてください。
これにより、指定した Armadillo の IP アドレスを ssh 接続に使用する IP アドレスに設定することができます。
また、プロジェクトディレクトリ内の config/ssh_config
ファイルに指定した Armadillo の IP アドレスが記載されます。
ATDE のネットワークを NAT に設定している場合や、ABOS Web を起動していない場合等、
ABOSDE のリストに Armadillo が表示されない場合は、
プロジェクトディレクトリに入っている config/ssh_config
ファイルを編集して
IP アドレスを書き換えてください。
|
Armadillo の IP アドレスに置き換えてください。
|
![[ティップ]](images/tip.png) | |
---|
Armadillo を初期化した場合や、プロジェクトを実行する Armadillo を変えた場合は,
プロジェクトの config/ssh_known_hosts に保存されている公開鍵で Armadillo を認識できなくなります。
その場合はファイルを削除するか、「Setup environment」タスクを再実行してください。 |
VS Code の左ペインの [my_project] から [App run on Armadillo] を実行すると、
アプリケーションが Armadillo へ転送されて起動します。
VS Code のターミナルに以下のメッセージが表示されることがあります。
これが表示された場合は yes
と入力して下さい。
アプリケーションを終了するには VS Code の左ペインの [my_project] から [App stop on Armadillo] を実行してください。
動作確認として使用した Python アプリケーションを削除します。
ABOSDE から Armadillo のコンテナイメージを全て削除する SWU イメージを作成します。
この方法はコンテナイメージを全て削除する方法ですので、開発中に複数のコンテナイメージを使用している場合などはそれらも削除されることに注意してください。
VS Code の左ペインの [COMMON PROJECT COMMAND] から [Generate Container Clear Swu] を実行すると、SWU イメージが作成されます。
SWU イメージは ~/mkswu/container_clear.swu
に保存されます。
この SWU イメージを Armadillo へインストールします。
図3.34「ABOSDE で Armadillo に SWU をインストール」 のように、目的の Armadillo の隣にある赤枠で囲まれているボタンをクリックしてください。
パスワードの入力を要求されますので、ABOS Web のパスワードを入力してください。
その後、 ~/mkswu/container_clear.swu
を選択してインストールを開始します。
インストール後に自動で Armadillo が再起動し、LED が点滅しなくなります。
Armadillo ではシリアルコンソールを通じてLinuxコマンドを直接実行することができます。
シリアルコンソールを活用することで、ABOS Web や ABOSDE からではできない多くのことが可能になるため、
より応用的な開発やメンテナンス・デバッグの際に重宝します。
また、この章以降ではシリアルコンソールを使用した手順が多々登場します。
本項ではシリアル通信ソフトウェア(Tera Term)を使用したシリアルコンソールの操作方法について記載しています。
本項では Windows 環境で Tera Term を使用したシリアルコンソールの操作方法について記載しています。(Linux や ATDE の場合は 「シリアル通信ソフトウェア(minicom)」 を参照してください。)
-
Tera Term(https://github.com/TeraTermProject/teraterm/releases)をダウンロード・インストールして起動します。
下図のように、[新しい接続]ダイアログにArmadilloを接続しているCOMポートを指定して[OK]をクリックします。ダイアログが表示されていない場合は、[ファイル]-[新しい接続]をクリックして表示します。
[設定]-[シリアルポート]をクリックして、Armadilloを接続しているシリアルポートの設定を下図のように行い、[OK]をクリックします。
電源を接続して Armadillo-IoT ゲートウェイ A9E を起動してください。
シリアルコンソールに以下のような起動ログが出力されます。
U-Boot 2023.04-at1 (Apr 01 2025 - 03:59:06 +0000)
M33 Sync: OK
CPU: i.MX8ULP(Dual 5) rev1.2 at 800MHz
CPU current temperature: 38
Reset cause: POR
Boot mode: Single boot
Model: Atmark-Techno Armadillo-900
: (省略)
Starting kernel ...
[ 0.000000] Booting Linux on physical CPU 0x0000000000 [0x411fd040]
[ 0.000000] Linux version 5.10.235-1-at (builder@82d5489c4fdc) (aarch64-alpine-linux-musl-gcc (Alpine 14.2.0) 14.2.0, GNU ld (GNU Binutils) 2.42) #2-Alpine SMP PREEMPT Tue Apr 1 00:25:06 UTC 2025
[ 0.000000] Machine model: Atmark-Techno Armadillo-IoT Gateway A9E Board
: (省略)
Welcome to Alpine Linux 3.21
Kernel 5.10.235-1-at on an aarch64 (/dev/ttyLP0)
armadillo login:
既に起動している場合は、Enterを1回押すことで armadillo login:
が表示されます。
U-Boot プロンプト
USB コンソールインターフェース 上で "t" キー以外のキーを押したまま電源を接続すると U-Boot のプロンプトが表示されます。
何もキー押していなければ自動的に起動します。
U-Boot 2023.04-at1 (Apr 01 2025 - 03:59:06 +0000)
M33 Sync: OK
CPU: i.MX8ULP(Dual 5) rev1.2 at 800MHz
CPU current temperature: 37
Reset cause: POR
Boot mode: Single boot
Model: Atmark-Techno Armadillo-900
DRAM: Hold key pressed for tests: t (fast) / T (slow)
992 MiB
Core: 51 devices, 23 uclasses, devicetree: separate
MMC: FSL_SDHC: 0, FSL_SDHC: 2
Loading Environment from MMC... OK
In: serial
Out: serial
Err: serial
SEC0: RNG instantiated
switch to partitions #0, OK
mmc0(part 0) is current device
flash target is MMC:0
Net: eth0: ethernet@29950000
Fastboot: Normal
Normal Boot
Hit any key to stop autoboot:
=>
起動が完了するとログインプロンプトが表示されます。
初期状態では「root」ユーザーと、一般ユーザーである「atmark」ユーザーが存在しますが、「atmark」ユーザーは初期状態ではロックされていますので、「root」ユーザーでログインしてください。
initial_setup.swu
をインストールしていない場合、「root」ユーザーは初回ログイン時にパスワードを入力せずに新しいパスワードを促されます。
「root」ユーザーでログインし、 passwd atmark
コマンドで「atmark」ユーザーのパスワードを設定することで、「atmark」ユーザーのロックが解除されます。
設定するパスワードには大文字のアルファベット、小文字のアルファベット、0から9までの数字、その他(記号・句読点など)を含める事ができます。
root でログイン
初期パスワードを変更します。
armadillo login: root
You are required to change your password immediately (administrator enforced).
New password:
Retype new password:
Welcome to Alpine!
|
新しいパスワードを入力します
|
|
新しいパスワードを再入力します
|
atmark でログイン
「atmark」ユーザーは初期状態ではロックされています。
そのため、「root」ユーザーでログイン後に「atmark」ユーザーのパスワードを設定してから「atmark」ユーザーでログインします。
armadillo:~# passwd atmark
New password:
Retype new password:
passwd: password updated successfully
armadillo:~# persist_file /etc/shadow
armadillo:~# exit
Welcome to Alpine Linux 3.16
Kernel 5.10.126-24-at on an armv7l (/dev/ttymxc2)
armadillo login: atmark
Password:
Welcome to Alpine!
|
atmarkユーザーのパスワード変更コマンドです。「SWUイメージの作成」 を使用した場合には不要です。
|
|
パスワードファイルを永続化します。
|
|
設定したパスワードでログインすることができます。
|
![[警告]](images/warning.png) | |
---|
Armadillo BaseOS ではルートファイルシステムに overlayfs を採用しており、そのままではシステムが OFF すると内容は消えてしまいます。そのため persist_file コマンドが用意されています。このコマンドを利用することでファイル単位で変更を反映することができます。パスワードを設定した後には以下のコマンドを実行してください。 [armadillo ~]# persist_file /etc/shadow persist_file コマンドに関する詳細は「persist_file について」を参照してください。 |
eMMC や USB メモリ等に書き込みを行っている時に電源を切断すると、データが破損する可能性が有ります。
安全に終了させる場合は、次のように poweroff コマンドを実行し、「reboot: Power down」と表示されたのを確認してから電源を切断します。
armadillo:~# poweroff
armadillo:~# zramswap | * Deactivating zram swap device ...podman-atmark | * Stopping all podman containers ...local
| * Stopping local ... [ ok ]
: (省略)
The system is going down NOW!
Sent SIGTERM to all processes
Sent SIGKILL to all processes
Requesting system poweroff
[ 99.211013] reboot: Power down
![[警告]](images/warning.png) | |
---|
haltコマンドで終了させた場合、「reboot: System halted」と表示されてから約128秒後、Armadilloは自動的に再起動します。確実に終了させるためにもpoweroffコマンドを利用してください。 |
![[警告]](images/warning.png) | |
---|
電源を再投入する際は、コンデンサに蓄えられた電荷を抜くため、電源を切断後、一定時間以上待つ必要があります。
開発セット付属のACアダプタの場合に必要な時間は以下のとおりです。 -
DCプラグ側で電源を切断した場合 : 約2分
-
ACプラグ側で電源を切断した場合 : 約3分
コンデンサに蓄えられた電荷が抜ける前に電源を再投入した場合、
電源シーケンスが守られず、起動しない等の動作不具合の原因となります。 |
アットマークテクノ製品をご利用のユーザーに対して、
購入者向けの限定公開データの提供や大切なお知らせをお届けするサービスなど、
ユーザー登録すると様々なサービスを受けることができます。
サービスを受けるためには、「アットマークテクノ Armadilloサイト」
にユーザー登録をする必要があります。
ユーザー登録すると次のようなサービスを受けることができます。
-
製品仕様や部品などの変更通知の閲覧・配信
-
購入者向けの限定公開データのダウンロード
-
該当製品のバージョンアップに伴う優待販売のお知らせ配信
-
該当製品に関する開発セミナーやイベント等のお知らせ配信
詳しくは、「アットマークテクノ Armadilloサイト」をご覧ください。
ユーザー登録完了後に、購入製品登録することで、「購入者向けの限定公開データ」をダウンロードすることができるようになります。
購入製品登録の詳しい手順は以下のURLをご参照ください。
以上で開発環境のセットアップと動作確認の手順は終了です。
3.3. 開発前に知っておくべき Armadillo Base OS の機能・特徴
「Armadillo Base OSとは」にて Armadillo Base OS についての概要を紹介しましたが、開発に入るにあたってもう少し詳細な概要について紹介します。
3.3.1. 一般的な Linux OS 搭載組み込み機器との違い
Linux OS 搭載組み込み機器ではアプリケーションの実行環境をユーザーランド上に直接用意し、Systemdなどでアプリケーションを自動実行させるのが一般的です。
Armadillo Base OS 搭載機器では、アプリケーションの実行環境をコンテナ内に用意して、コンテナ起動用設定ファイルを所定の場所に配置することでコンテナ(=アプリケーション)を自動実行させます。
また、Linux OS 搭載組み込み機器では、ストレージの保護のために overlayfs で運用するのが一般的です。
そのため、アプリケーションが出力するログや画像などのデータは、 USBメモリなどの外部デバイスに保存する必要があります。
Armadillo Base OS 搭載機器もルートファイルシステムが overlayfs 化されていますが、内部に USBメモリなどと同じように使用できるユーザーデータディレクトリを持っており、別途外部記録デバイスを用意しておく必要はありません。
Armadillo Base OS 搭載機器は、標準でセキュアエレメントを搭載しており、対応した暗号化方式の認証鍵や証明書を安全に保存・利用することが可能です。
3.3.2. Armadillo Base OS 搭載機器のソフトウェア開発手法
Armadillo Base OS 搭載機器上で動作するソフトウェアの開発は、基本的に作業用PC上で行います。
ネットワークの設定は ABOS Web という機能で、コマンドを直接打たずとも設定可能です。
開発環境として、ATDE(Atmark Techno Development Environment)という仮想マシンイメージを提供しています。
その中で、ABOSDE(Armadillo Base OS Development Environment)という、Visual Studio Code にインストールできる開発用エクステンションを利用してソフトウェア開発を行います。
ABOSDE を使用することで、コンテナ及びコンテナ自動起動用設定ファイルの作成、コンテナ内におけるパッケージのインストール、コンテナ内で動作するアプリケーション本体の開発をすべてVS Code内で行うことができます。
Armadillo-IoT ゲートウェイ A9E では、開発・製造・運用時にソフトウェアを書き込む際に、 SWUpdate という仕組みを利用します。
SWUpdateは、デバイス上で実行されるプログラムで、ネットワーク/ストレージ経由でデバイスのソフトウェアを更新することができます。
Stefano Babic, DENX software engineering, Germany によってオープンソースで開発が進められています。
Armadillo-IoT ゲートウェイ A9E では、 SWUpdateを利用することで次の機能を実現しています。
-
機密性、完全性、真正性の担保
-
A/Bアップデート(アップデートの二面化)
-
リカバリーモード
-
ソフトウェアの圧縮、暗号化、署名付与
-
Armadillo Twin でのリモートアップデート対応
-
Web サーバーでのリモートアップデート対応
-
ダウングレードの禁止
![[注記]](images/note.png) | |
---|
2024年2月までは、hawkBit の WebUI を利用したアップデートも紹介していましたが、
hawkBit は 2024年3月22日 に行われたバージョン 0.5.0 へのアップデートで、
これまで採用していた Web UI を廃止しました。
これに伴い、今後 OTA によるアップデートを行いたい場合は、
Armadillo Twin の利用を推奨します。 なお、hawkBit 0.4.1 の配布は継続していますので、こちらを利用する場合は
Armadillo-IoT ゲートウェイ A9E 開発用ツール から
「Hawkbit docker-composeコンテナ」 をダウンロードして展開してください。 hawkBit に関する詳細な情報は
hawkBit 公式サイト を参照してください。 |
swuパッケージは、SWUpdate独自のソフトウェアの配布フォーマットです。
SWUpdateでは、1回のアップデートは1つのswuパッケージで行われます。
swuパッケージには、次のような様々なものを含めることができます。
-
アップデート対象のイメージファイル
-
アップデート対象のイメージファイルのチェックサム
-
アップデート前後に実行するスクリプト
-
書き込み先ストレージの情報
-
U-Boot 環境変数の書き換え情報
-
ソフトウェアのバージョン情報
-
etc…
SWU イメージは swupdate
(https://sbabic.github.io/swupdate/swupdate.html) によって Armadillo Base OS上で検証とインストールが実行されます。
SWU イメージを Armadillo に転送するための方法は、用途や状況に合わせて様々な方法を用意しています。例えば、 USB メモリから読み取る、ウェブサーバーからダウンロードするなどです。
ユーザーは SWU イメージをネットワーク/ストレージ経由で Armadillo にインストールします。
インターネットを通じて Armadillo にインストールする場合、以下の脅威が存在することが考えられます。
-
攻撃者が正規のユーザーを偽りデータをインストールする(なりすまし)
-
データの一部を悪意のあるコードに書き換えられる(改ざん)
-
データを盗み見される(盗聴)
Armadillo Base OS では暗号化技術、SHA-256 によるハッシュ化、デジタル署名を駆使することで、インストールするデータに対する機密性、完全性、真正性を保証します。
それらの機能は SWUpdate によって実現しています。
SWUpdate は以下の対策を提供します。
-
SWU イメージ内の Armadillo にインストールするデータを暗号化する
-
デジタル署名により正規の SWU イメージであることを保証する
-
復号したデータに対してもチェックサムの値を計算して、インストールするデータが正しいことを保証する
これらの対策により、たとえ攻撃者が不正な SWU イメージを Armadillo に送信したとしてもデジタル署名により正規の SWU イメージでないことが分かります。
攻撃者がインターネット上で SWU イメージ内のデータを書き換えたとしても、インストール前にそのデータに対してチェックサムが正しいかを確認します。
そのため、不正なデータが Armadillo にインストールされることはありません。
また、攻撃者がネットワーク上で SWU イメージのデータを盗み見たとしても暗号化されているので、重要なデータが漏洩することもありません。
3.3.3.4. A/Bアップデート(アップデートの二面化)
A/B アップデートは、
Flash メモリにパーティションを二面確保し、
アップデート時には交互に利用する仕組みです。
常に使用していない方のパーティションを書き換えるため次の特徴を持ちます。
-
○ アップデートによって動作中のソフトウェアは破壊されない
-
○ 書き込みが電源断などで中断しても、すぐに復帰出来る
-
○ 機器が動作中に書き込みが出来る
-
× 使用Flashメモリ量が増える
アップデート直後に起動に失敗した場合、起動可能な状態へ復帰するためアップデート前の状態にロールバックします。
ロールバック状態の確認は 「ロールバック状態を確認する」 を参照してください。
自動ロールバックが動作する条件は以下の通りです:
-
アップデート直後の再起動、または「
abos-ctrl rollback-clone
」コマンドを実行した後(アップデートが成功した後では古いバージョンに戻りません)
以下のどちらかに該当した場合:
-
rootfs にブートに必要なファイルが存在しない
(/boot/Image, /boot/armadillo.dtb)
-
起動を 3 回試みて、Linux ユーザーランドの「reset_bootcount」サービスの起動まで至らなかった
また、ユーザースクリプト等で「abos-ctrl rollback」コマンドを実行した場合にもロールバック可能となります。
このコマンドで「 --allow-downgrade
」オプションを設定すると古いバージョンに戻すことも可能です。
いずれの場合でもロールバックが実行されると /var/at-log/atlog
にログが残ります。
![[注記]](images/note.png) | |
---|
Armadillo Base OS 3.19.1-at.4 以前のバージョンではアップデート直後の条件が存在しなかったため、古いバージョンに戻ることができる問題がありました。 最新の Armadillo Base OS へのアップデートを推奨しますが、上記バージョン以前の Armadillo Base OS をご利用でダウングレードを防ぎたい場合は、以下のコマンドを入力することで回避可能です: [armadillo ~]# sed -i -e 's/fw_setenv bootcount/& \&\& fw_setenv upgrade_available/' /etc/init.d/reset_bootcount
[armadillo ~]# tail -n 3 /etc/init.d/reset_bootcount
fw_setenv bootcount && fw_setenv upgrade_available
eend $? "Could not set bootloader env"
}
[armadillo ~]# persist_file -v /etc/init.d/reset_bootcount
'/mnt/etc/init.d/reset_bootcount' -> '/target/etc/init.d/reset_bootcount' |
イメージをインストールする方法として以下に示すような方法があります。
手元でイメージをインストールする方法
-
ABOS Web を使用した手動インストール
-
ABOSDE から ABOS Web を使用した手動インストール
-
USBメモリまたは microSD カードからの自動インストール
-
外部記憶装置からイメージのインストール(手動)
リモートでイメージをインストールする方法
-
Armadillo Twin を使用した自動インストール
-
ウェブサーバーからイメージのインストール(手動)
-
ウェブサーバーからの定期的な自動インストール
それぞれのインストール方法の詳細については、以下に記載しております。
もし、作成した SWU イメージのインストールに失敗する場合は、「swupdate がエラーする場合の対処」をご覧ください。
ABOS Web を使用した手動インストール
Armadillo-IoT ゲートウェイ A9E で動作している Web アプリケーションのABOS Webを使用してアップデートすることができます。
「SWUインストール」を参考にしてください。
ABOSDE から ABOS Web を使用した手動インストール
VS Code 拡張機能の ABOSDE を使用することで、Armadillo-IoT ゲートウェイ A9E で動作している ABOS Web 経由でアップデートすることができます。
「Armadillo に SWU をインストールする」を参考にしてください。
USBメモリまたはmicroSDカードからの自動インストール
Armadillo-IoT ゲートウェイ A9EにUSBメモリを接続すると自動的にアップデートが始まります。
アップデート終了後にArmadillo-IoT ゲートウェイ A9Eは自動で再起動します。
USBメモリやmicroSDカードをvfatもしくはext4形式でフォーマットし、作成した.swuのファイルをディレクトリを作らずに配置してください。
[ATDE ~/mkswu]$ df -h
Filesystem Size Used Avail Use% Mounted on
: (省略)
/dev/sda1 15G 5.6G 9.1G 39% /media/USBDRIVE
[ATDE ~/mkswu]$ cp initial_setup.swu /media/USBDRIVE/
[ATDE ~/mkswu]$ umount /media/USBDRIVE 
|
USBメモリがマウントされている場所を確認します。
|
|
ファイルをコピーします。
|
|
/media/USBDRIVEをアンマウントします。コマンド終了後にUSBメモリを取り外してください。
|
エラーの場合、/var/log/messageに保存されます。例えば、コンソールで証明書が間違っているイメージのエラーは以下の様に表示されます。
[armadillo ~]# tail /var/log/messages
Nov 19 10:48:42 user.notice swupdate-auto-update: Mounting sda0 on /mnt
Nov 19 10:48:42 user.notice swupdate-auto-update: Trying update /mnt/initial_setup.swu
Nov 19 10:48:42 user.info swupdate: START Software Update started !
Nov 19 10:48:42 user.err swupdate: FAILURE ERROR : Signature verification failed
Nov 19 10:48:42 user.err swupdate: FAILURE ERROR : Compatible SW not found
Nov 19 10:48:42 user.err swupdate: FATAL_FAILURE Image invalid or corrupted. Not installing ...
|
証明書エラーのメッセージ。
|
外部記憶装置からイメージのインストール(手動)
USBメモリやmicroSDカード等の外部記憶装置のルートディレクトリ以外にSWUイメージを保存して、イメージのインストールを行います。
ルートディレクトリに保存すると自動アップデートが行われますので、/var/log/messagesを確認してください。
以下は外部記憶装置が/dev/mmcblk2p1(microSDカード)として認識された場合に、イメージのインストールを行う例です。
[armadillo ~]# mount /dev/mmcblk2p1 /mnt
[armadillo ~]# swupdate -i /mnt/swu/initial_setup.swu
SWUpdate v5f2d8be-dirty
Licensed under GPLv2. See source distribution for detailed copyright notices.
[INFO ] : SWUPDATE running : [main] : Running on AGX4500 Revision at1
[INFO ] : SWUPDATE started : Software Update started !
[INFO ] : SWUPDATE running : [read_lines_notify] : No base os update: copying current os over
[INFO ] : SWUPDATE running : [read_lines_notify] : Removing unused containers
[INFO ] : SWUPDATE running : [read_lines_notify] : swupdate triggering reboot!
Killed
Armadillo Twin を使用した自動インストール
Armadillo Twin で Armadillo-IoT ゲートウェイ A9E を複数台管理してアップデートすることができます。
「Armadillo Twin から複数の Armadillo をアップデートする」を参考にしてください。
ウェブサーバーからイメージのインストール(手動)
SWUイメージをウェブサーバーにアップロードして、イメージのインストールを行います。
以下は、http://server/initial_setup.swu のイメージをインストールする例です。
[armadillo ~]# swupdate -d '-u http://server/initial_setup.swu'
SWUpdate v5f2d8be-dirty
Licensed under GPLv2. See source distribution for detailed copyright notices.
[INFO ] : SWUPDATE running : [main] : Running on AGX4500 Revision at1
[INFO ] : SWUPDATE running : [channel_get_file] : Total download size is 25 kB.
[INFO ] : SWUPDATE started : Software Update started !
[INFO ] : SWUPDATE running : [read_lines_notify] : No base os update: copying current os over
[INFO ] : SWUPDATE running : [read_lines_notify] : Removing unused containers
[INFO ] : SWUPDATE running : [read_lines_notify] : swupdate triggering reboot!
Killed
ウェブサーバーからの定期的な自動インストール
swupdate-urlを有効にしたら、定期的にチェックしてインストールします。
以下はサービスの有効化とタイミングの設定の例です。
[armadillo ~]# rc-update add swupdate-url
[armadillo ~]# persist_file /etc/runlevels/default/swupdate-url
[armadillo ~]#
echo https://download.atmark-techno.com/armadillo-iot-a9e/image/baseos-900-latest.swu \
> /etc/swupdate.watch
[armadillo ~]# echo 'schedule="0 tomorrow"' > /etc/conf.d/swupdate-url
[armadillo ~]# echo 'rdelay="21600"' >> /etc/conf.d/swupdate-url
[armadillo ~]# persist_file /etc/swupdate.watch /etc/conf.d/swupdate-url 
|
swupdate-urlサービスを有効します。
|
|
サービスの有効化を保存します。
|
|
イメージのURLを登録します。一行ごとにイメージのURLを設定することができ、複数行にイメージのURLを設定することができます。
|
|
チェックやインストールのスケジュールを設定します。
|
|
変更した設定ファイルを保存します。
|
USBメモリからのアップデートと同様に、ログは/var/log/messagesに保存されます。
![[ティップ]](images/tip.png) | |
---|
initial_setupのイメージを作成の際に /usr/share/mkswu/examples/enable_swupdate_url.desc を入れると有効にすることができます。 |
Armadillo Base OS ではルートファイルシステムに overlayfs を採用しています。
その為、ファイルを変更した後 Armadillo の電源を切ると変更内容は保持されません。
開発中などに rootfs の変更内容を保持するには、変更したファイルに対して persist_file
コマンドを使用します。
persist_file
コマンドの詳細については、「persist_file について」を参照してください。
また、 SWUpdate によってルートファイルシステム上に配置されたファイルについては、 persist_file
を実行しなくても保持されます。
開発以外の時は安全のため、 persist_file
コマンドではなく SWUpdate による更新を実行するようにしてください。
3.3.4.1. 電源を切っても保持されるディレクトリ(ユーザーデータディレクトリ)
「ファイルの取り扱いについて」 にて、 Armadillo Base OS 上のファイルは通常、 persist_file
コマンドを実行せずに電源を切ると変更内容が保存されないと紹介しましたが、表3.2「電源を切っても保持されるディレクトリ(ユーザーデータディレクトリ)」に示すディレクトリ内にあるファイルはこの限りでありません。
表3.2 電源を切っても保持されるディレクトリ(ユーザーデータディレクトリ)
ディレクトリ | 備考 |
---|
/var/app/volumes | SWUpdate の最中や後も保持され続けます。ロールバックが発生しても、アップデート前の状態には戻りません。ログやデータベースなど、アプリケーションが動作中に作成し続けるようなデータはこのディレクトリに保存してください。 |
/var/app/rollback/volumes | SWUpdate の最中や後も保持され続けます。ロールバックが発生すると、アップデート前の状態に戻ります。コンフィグファイルなど、アプリケーションのバージョンに追従してアップデートするようなデータはこのディレクトリに保存してください。 |
![[ティップ]](images/tip.png) | |
---|
コンテナを前のバージョンに戻した場合(ロールバック)、/var/app/rollback/volumes/ のデータの前のバージョンに戻ります。 その為、アプリケーションのバージョンに依存するようなデータは /var/app/rollback/volumes/ に入れることを推奨します。 mkswu の swdesc_files (--extra-os 無し)と podman_start の add_volumes では、相対パスはそのディレクトリをベースにします。
/var/app/rollback/volumes/myvolume は myvolume で簡潔に指定できます。
|
![[警告]](images/warning.png) | |
---|
Copy-on-Write (CoW) について。 この二つの volumes ディレクトリは btrfs と呼ばれるファイルシステムに保存されています。
btrfs ではデータは Copy on Write(CoW)を使ってデータ完全性を保証しますが、その保証にはコストがあります。 数百 MB のファイルに小さな変更を頻繁に行う場合 CoW を無効化することを推奨します。
CoW を無効化されたファイルにチェックサムが入らなくなりますので、極端な場合以外に残してください。
|
chattr +C でディレクトリに NoCow を設定します。これから作成されるファイルが NoCow で作成されます。すでに存在していたファイルに影響ないのでご注意ください。
|
|
lsattr 確認します。リストの C の字があればファイルが「no cow」です。
|
|
インストールディスクは、 Armadillo の eMMC の中身をまとめて書き換えることのできる microSD カードを指します。
インストールディスクは、インストールディスクイメージを microSD カードに書き込むことで作成できます。
インストールディスクには以下の2つの種類があります。
インストールディスクの作成方法は「初期化インストールディスクの作成」を参照してください。
参照先では初期化インストールディスクの場合の手順を示していますが、「Armadilloのソフトウェアをビルドする」 でビルドしたイメージについても同じ手順になります。
その際のインストールディスクイメージ(.img
)は、以下のコマンドを実行して作成してください。
[ATDE ~/build-rootfs-[VERSION]]$ sudo ./build_image.sh --board a900
: (省略)
[ATDE ~/build-rootfs-[VERSION]]$ ls baseos-900*img
baseos-900-[VERSION].img
[ATDE ~/build-rootfs-[VERSION]]$ sudo ./build_image.sh --board a900 \
--boot ~/imx-boot-[VERSION]/imx-boot_armadillo-900 \
--installer ./baseos-900-[VERSION].img
コマンドの実行が完了すると、baseos-900-[VERSION]-installer.img というファイルが作成されていますので、
こちらを使用してください。
Armadillo-IoT ゲートウェイ A9Eの機能拡張や信頼性向上のための設計情報について説明します。
Armadillo-IoT ゲートウェイ A9Eの各種信頼性試験データを、「アットマークテクノ Armadilloサイト」から
「購入者向けの限定公開データ」としてダウンロード可能ですのでご確認ください。
CON10(拡張インターフェース)を使用して、Armadillo-IoT ゲートウェイ A9Eと拡張基板を接続すると、
放射ノイズが問題になる場合があります。放射ノイズを減らすために、以下の対策が効果的です。
Armadillo-IoT ゲートウェイ A9EのESD耐性を向上させるために、以下の対策が効果的です。
また、Armadillo-IoT ゲートウェイ A9Eに接続されたケーブルが屋外に露出するような設置環境では、
ケーブルに侵入した雷サージ等のストレスによりインターフェース回路が破壊される場合があります。
ストレスへの耐性を向上させるために、以下の対策が効果的です。
Armadillo-IoT ゲートウェイ A9E の拡張インターフェース(CON10)には、複数の機能をもった信号線が接続されており、様々な機能拡張が可能です。 垂直方向に拡張して製品付属のケースに収める場合と、水平方向に拡張して
Armadillo-IoT ゲートウェイA6E標準ケースセットロング(9M)(OP-CASEA6E-PLA-20)に収める場合の制限事項について説明します。
拡張インターフェース(CON10)の詳細については、「拡張インターフェースを使用する」をご確認ください。
3.4.4.1. 垂直方向に拡張基板を配置する場合の接続例
垂直方向に拡張基板を配置することで、ケースのサイズを変えることなく機能拡張が可能です。
CON10(拡張インターフェース)と拡張基板はストレートタイプのピンヘッダおよびピンソケットで接続します。
一般的なピンソケットを実装した場合、嵌合高さは約 11mm となります。
拡張基板固定用に、φ2.3mm の穴を 2 箇所用意しており、M2のスペーサーとねじで拡張基板を固定することが可能です。
拡張基板固定用穴の穴位置等基板の詳細寸法については「形状図」をご確認ください。
本製品と拡張基板を垂直方向に接続するための推奨コネクタは表3.3「推奨コネクタ(垂直接続)」のとおりです。
表3.3 推奨コネクタ(垂直接続)
搭載基板 | メーカー | 型番 |
---|
本製品側(ピンヘッダ) | Würth Elektronik | 61303421121 |
拡張基板側(ピンソケット) | Würth Elektronik | 61303421821 |
3.4.4.2. 垂直方向に接続する場合の基板形状図
垂直方向に拡張して製品付属のケースに収める場合の一例です。
3.4.4.3. 水平方向に拡張基板を配置する場合の接続例
水平方向に拡張基板を配置し、Armadillo-IoTゲートウェイA6E 標準ケースセットロング(9M) (OP-CASEA6E-PLA-20)に収めることが可能です。
CON10(拡張インターフェース)と拡張基板はライトアングルのピンヘッダおよびピンソケットで接続します。
本製品と拡張基板を接続するための推奨コネクタは表3.4「推奨コネクタ(水平接続)」のとおりです。
表3.4 推奨コネクタ(水平接続)
搭載基板 | メーカー | 型番 |
---|
本製品側(ピンヘッダ) | 廣杉計器 | PSR-420256-17 |
拡張基板側(ピンソケット) | 廣杉計器 | FSR-42085-17 |
3.4.4.4. 水平方向に拡張する場合の基板形状図
Armadillo-IoTゲートウェイA6E 標準ケースセットロング(9M) (OP-CASEA6E-PLA-20)に収めることを想定した基板形状図です。
3.4.4.5. 拡張基板からANT1、ANT2に接続したアンテナを使用する方法
Armadillo-IoT ゲートウェイ A9E のANT1(WLAN/BT/TH アンテナインターフェース)、ANT2(LTEアンテナインターフェース)はそれぞれ、搭載されたWLAN+BT+THコンボモジュール、LTEモジュール専用ですが、
BTOサービスのメニューでWLAN+BT+THコンボモジュールまたは、LTEモジュールを搭載しない選択をした場合、ANT1またはANT2を利用することができます。
WLAN+BT+THコンボモジュールまたは、LTEモジュールを搭載しない場合、基板上に実装されたU.FLコネクタがANT1またはANT2に接続されるため、
拡張基板側にU.FLコネクタなどのコネクタを搭載し、拡張基板からArmadillo-IoT ゲートウェイ A9Eに搭載されたU.FLコネクタまでの間を同軸ケーブルで接続することにより、
ANT1、ANT2に接続したアンテナを利用可能です。
また、ANT1、ANT2に搭載するSMAコネクタはRP-SMAタイプとSMAタイプを選ぶことが可能です。
BTOサービスの詳細は、 Armadillo サイトの BTO サービス [https://armadillo.atmark-techno.com/services/customize/bto] をご確認ください。
表3.5 絶対最大定格
項目 | 記号 | Min. | Max. | 単位 | 備考 |
---|
電源電圧 | VIN | -0.3 | 26.4 | V | CON1, CON3, CON10(1,2ピン) |
入出力電圧(GPIO信号) | VI,VO (VDD_1V8, VDD_VBAT18) | -0.3 | OVDD+0.3 | V | CON10(11~30, 32, 34ピン):OVDD=VDD_1V8
CON10(9ピン):OVDD=VDD_VBAT18 |
入出力電圧(RS-485信号) | VI_RS485
VO_RS485 | -8.0 | 12.5 | V | CON3(DATA+,DATA-) |
入力電圧(接点入力) | VI_DI | -26.4 | 26.4 | V | CON3(DI1,DI2,COM) |
出力耐圧(接点出力) | Voff_DO | -60 | 60 | V | CON3(DO1A,DO1B,DO2A,DO2B) |
USBコンソール電源電圧 | VBUS_CNSL | -0.3 | 5.8 | V | CON5 |
RTCバックアップ電源電圧 | RTC_BAT | -0.3 | 5.5 | V | CON9 |
動作温度範囲 | Topr | -20 | 60 | ℃ | 結露なきこと |
![[警告]](images/warning.png) | |
---|
絶対最大定格は、あらゆる使用条件や試験状況において、瞬時でも超えてはならない値です。上記の値に対して余裕をもってご使用ください。 |
表3.6 推奨動作条件
項目 | 記号 | Min. | Typ. | Max. | 単位 | 備考 |
---|
電源電圧 | VIN | 8 | 12 | 26.4 | V | CON1, CON3, CON10(1,2ピン) |
USBコンソール電源電圧 | VBUS_CNSL | 3 | 5 | 5.25 | V | CON5 |
RTCバックアップ電源電圧 | RTC_BAT | 2.4 | 3 | 3.6 | V | CON9, 対応電池 : CR1220等 |
使用温度範囲 | Topr | -20 | 25 | 60 | ℃ | 結露なきこと |
電源出力仕様
表3.7 電源出力仕様
項目 | 記号 | Min. | Typ. | Max. | 単位 | 備考 |
---|
5V電源 | VDD_5V
USB_VBUS | 4.85 | 5 | 5.15 | V | |
3.3V電源 | VDD_3V3
VDD_SD | 3.135 | 3.3 | 3.465 | V | |
1.8V電源 | VDD_1V8
VDD_VBAT18 | 1.71 | 1.8 | 1.89 | V | |
拡張インターフェース(CON10)の許容電流
表3.8 拡張インターフェース(CON10)の許容電流
項目 | 記号 | Max. | 単位 | 備考 |
---|
電源電圧 | VIN | 3 | A | |
5V電源 | VDD_5V | 0.5 | A | |
3.3V電源 | VDD_3V3 | 0.25 | A | |
1.8V電源 | VDD_1V8 | 0.25 | A | |
拡張インターフェース(CON10)の入出力仕様
表3.9 拡張インターフェース(CON10)の入出力仕様
項目 | 記号 | Min. | Max. | 単位 | 備考 |
---|
ハイレベル出力電圧 | VOH(PTAx) | VDD_1V8-0.5 | VDD_1V8 | V | IOH = -10mA(DSE=1), -5mA(DSE=0) |
VOH(PTCx) | 0.8xVDD_1V8 | VDD_1V8 | V | IOH = -0.1mA(DSE=1), -2mA(DSE=0) |
VOH(PTFx) | VDD_1V8-0.5 | VDD_1V8 | V | IOH = -10mA(DSE=1), -5mA(DSE=0) |
ローレベル出力電圧 | VOL(PTAx) | 0 | 0.5 | V | IOL = 10mA(DSE=1), 5mA(DSE=0) |
VOL(PTCx) | 0 | 0.5 | V | IOL = 0.1mA(DSE=1), 2mA(DSE=0) |
VOL(PTFx) | 0 | 0.5 | V | IOL = 10mA(DSE=1), 5mA(DSE=0) |
ハイレベル入力電圧 | VIH(PTAx) | 0.75xVDD_1V8 | VDD_1V8 | V | |
VIH(PTCx) | 0.7xVDD_1V8 | VDD_1V8 | V | |
VIH(PTFx) | 0.75xVDD_1V8 | VDD_1V8 | V | |
ローレベル入力電圧 | VIL(PTAx) | 0 | 0.3xVDD_1V8 | V | |
VIL(PTCx) | 0 | 0.3xVDD_1V8 | V | |
VIL(PTFx) | 0 | 0.3xVDD_1V8 | V | |
Pull-up/Pull-down抵抗 | R(PTAx) | 25 | 50 | kΩ | |
R(PTCx) | 20 | 50 | kΩ | |
R(PTFx) | 25 | 50 | kΩ | |
入出力インターフェース(CON3)の入出力仕様
表3.10 入出力インターフェース(CON3)の入出力仕様
項目 | 内容 |
---|
接点入力 | 入力インピーダンス | 4.7 kΩ |
定格電圧 | DC 8~26.4 V |
入力ON電流 | 1.0 mA 以上 |
入力OFF電流 | 0.2 mA 以下 |
接点出力 | 定格電圧 | 最大 48 V |
定格電流 | 最大 500 mA |
応答時間 | 2ms 以内 |
出力形式 | 無極性 |
絶縁耐圧 | 2kV |
Armadillo-IoT ゲートウェイ A9Eの電源回路の構成は図3.57「電源回路の構成」のとおりです。
入力電圧(VIN)を電源ICで各電圧に変換し、内部回路および各インターフェースに供給しています。
各インターフェースやスイッチング・レギュレータの最大出力電流値を超えないように、
外部機器の接続、供給電源の設計を行なってください。
電源シーケンスは次のとおりです。
電源オン時
Armadillo-IoT ゲートウェイ A9Eに電源(VIN)を投入すると、VDD_5V、LDO_SNVS_3V0、VDD_VBAT18の順で電源が立ち上がり、
i.MX 8ULPからパワーマネジメントICにPMIC_ON_REQ信号が出力されます。
パワーマネジメントIC(PMIC)はPMIC_ON_REQ信号のアサートを検知後、電源オンシーケンスを開始し、各電源を立ち上げます。
電源オンシーケンスが完了すると、RESET0_B信号が解除され、Armadillo-IoT ゲートウェイ A9Eはアクティブモードとなります。
電源オフ時
poweroffコマンドにより、i.MX 8ULPがPMIC_ON_REQ信号の出力をLowにすると、RESET0_B信号がアサートされi.MX 8ULPはシャットダウンモードになります。
また、PMIC_ON_REQ信号がLowになると、パワーマネジメントIC(PMIC)は電源オフシーケンスを開始し、各電源を立ち下げます。
Armadillo-IoT ゲートウェイ A9Eの電源(VIN)が切断されると、VDD_5V、LDO_SNVS_3V0、VDD_VBAT18の順で電源が立ち下がります。
3.4.5.6. 各動作モードにおける電源供給状況
各動作モードにおける電源供給状況は以下の通りです。
表3.11 各動作モードにおける電源供給状況
動作モード | VDD_5V | VDD_VBAT18 | VDD_3V3 | VDD_1V8 |
---|
電源未接続 | OFF | OFF | OFF | OFF |
Shutdown | ON | ON | OFF | OFF |
DeepSleep(SMS) | ON | ON | ON | ON |
DeepSleep | ON | ON | ON | ON |
Active | ON | ON | ON | ON |
3.4.5.7. rebootコマンドによる再起動時の電源供給について
rebootコマンドで再起動した場合の各電源供給状況は以下の通りです。
表3.12 rebootコマンドで再起動した場合の各電源供給状況
電源 | 供給状況 |
---|
VDD_5V | 供給を保持 |
VDD_VBAT18 | 供給を保持 |
VDD_3V3 | 一度OFFした後ON |
VDD_1V8 | 一度OFFした後ON |
ONOFFピンからの電源制御
拡張インターフェースのONOFF信号(CON10 9ピン)およびリアルタイムクロックの割り込み信号は、
i.MX 8ULPのONOFFピンに接続されています。
ONOFF信号を一定時間以上、Lowレベルとすることで、
Armadillo-IoT ゲートウェイ A9Eのアクティブモードとシャットダウンモードを切り替えることができます。
アクティブモードでONOFF信号が5秒以上Lowレベルになると、PMIC_ON_REQ信号がディアサートされ、
シャットダウンモードに移行します。VIN、VDD_5V、LDO_SNVS_3V0、VDD_VBAT18以外の電源が切断されます。
また、シャットダウンモードでONOFF信号が500ミリ秒以上Lowレベルになると、
PMIC_ON_REQ信号がアサートされ、ソフトウェアからの制御で電源切断しているものを除いて、すべての電源が供給されます。
表3.13 アクティブモード/シャットダウンモードを切り替えする際のLowレベル保持時間
状態 | Lowレベル保持時間 |
---|
アクティブモードからシャットダウンモード | 5秒以上 |
シャットダウンモードからアクティブモード | 500ミリ秒以上 |
ONOFF信号を制御する場合は、オープンドレイン出力等でGNDとショートする回路を接続してください。
シャットダウンモードは、VDD_VBAT18が供給されている限り、保持されます。
![[警告]](images/warning.png) | |
---|
シャットダウンモードでArmadillo-IoT ゲートウェイ A9Eの電源(VIN)を切断した場合、
コンデンサに蓄えられた電荷が抜けるまではシャットダウンモードであることが保持されます。
シャットダウンモードを保持した状態で電源を投入したくない場合は、一定時間以上空けて電源を投入する必要があります。
開発セット付属のACアダプタの場合に必要な時間は以下のとおりです。 -
DCプラグ側で電源を切断した場合 : 約2分
-
ACプラグ側で電源を切断した場合 : 約3分
|
![[警告]](images/warning.png) | |
---|
基板改版や部品変更により、基板上の部品位置、高さは変更になることがあります。
ケースや拡張基板を設計する場合、ある程度の余裕をもった寸法での設計をお願いいたします。 |
![[ティップ]](images/tip.png) | |
---|
DXF形式の形状図を「アットマークテクノ Armadilloサイト」から「購入者向けの限定公開データ」としてダウンロード可能です。 |
3.4.6.3. WLAN/BT/TH 外付けアンテナ形状図
Armadillo-IoT ゲートウェイ A9E のオプション品については、「オプション品」 を参照してください。
本製品はねじを使用しないスナップフィット方式を採用しており、容易に組み立てと分解が可能です。分解する際には手のけがやパーツの破損を防止するためマイナスドライバーなどの工具を使用してください。
表3.14 ケースモデル展開図パーツ一覧
番号 | 名称 | 説明 |
---|
1 | ケーストップ | ケース上側のパーツです。 ケースボトムとは4か所のツメで固定されます。 ケースを分解する際は、マイナスドライバーを使用してツメを破損させないよう慎重に取り外してください。 |
2 | ケースボトム | ケース下側のパーツです。 |
3 | フック | ケースをDINレールに固定するためのパーツです。 |
4 | 基板 | |
5 | カバーパーツA | ケース開口部のカバーです。 ケーストップとは1か所のツメで固定されます。 |
6 | カバーパーツB | ケース開口部のカバーです。 ケーストップとは1か所のツメで固定されます。 |
7 | カバーパーツC | ケース開口部のカバーです。 ケーストップとは1か所のツメで固定されます。 |
8 | カバーパーツD | ケース開口部のカバーです。 ケーストップとは1か所のツメで固定されます。 |
9 | LEDライトパイプ | カバーパーツCに装着するLEDのライトパイプです。強い衝撃を加えた場合、ライトパイプが外れる場合がありますので、図3.65「ケースモデル展開図」を参考にカバーパーツCの丸穴に差し込んでください。 |
フックは以下の図を参考に取り付けてください。
以下の手順に従い、ケースを組み立ててください。
-
基板をケーストップに入れる
-
ケースボトムをケーストップにはめ込み、基板を固定する
-
フックをケースボトムにはめ込む
-
カバーパーツをケーストップにはめ込む
![[警告]](images/warning.png) | |
---|
ツメに強い力を加えますと破損する恐れがありますので、十分ご注意ください。 |
マイナスドライバーなどの工具を用意してください。以下の手順に従い、ケースを分解してください。
-
フックをケースボトムから取り外す
-
ケースボトムを取り外す
-
基板を取り外す
-
カバーパーツを取り外す
フックはツメで固定されていますので、図3.68「フックのツメ」を参考にツメを押しながらフックを引き出してください。
ケースボトムはツメ4か所で固定されていますので、図3.69「ケースボトムのツメ」を参考にマイナスドライバーをケースの隙間に差し込み順に外してください。
Cat.1 bis+WLANモデル、Cat.1 bisモデル、WLANモデルではアンテナコネクタがケース開口部より飛び出しているため、反対側のLANコネクタ側から先にケーストップから出すようにしてください。
カバーはツメ1か所でケーストップに固定されています。図3.70「カバーのツメ」を参考にマイナスドライバーをケースの隙間に差し込み外してください。
3.6. インターフェースの使用方法とデバイスの接続方法
Armadillo を用いた開発に入る前に、開発するシステムに接続する必要のある周辺デバイスをこのタイミングで接続しておきます。
以下では、各デバイスの接続方法と、使用方法について紹介します。図3.71「Armadillo-IoT ゲートウェイ A9Eのインターフェース 表面」及び図3.72「Armadillo-IoT ゲートウェイ A9Eのインターフェース 裏面」に Armadillo-IoT ゲートウェイ A9E のインターフェースを示します。
表3.15 Armadillo-IoT ゲートウェイ A9E インターフェース一覧
部品番号 | インターフェース名 | 型番 | メーカー |
---|
CON1 | 電源入力インターフェース | PJ-102AH | Same Sky |
CON2 | LANインターフェース | S26-KA-0009 | U.D. ELECTRONIC |
CON3 | 入出力インターフェース | EBWA-12-A | Adam Tech |
CON4 | SDインターフェース | 693071020811 | Würth Elektronik |
CON5 | USBコンソールインターフェース | USB4120-03-C | Global Connector Technology |
CON6 | USBインターフェース | SS-52100-001 | Bel Fuse |
CON7 | nanoSIM インターフェース | SF72S006VBDR2500 | Japan Aviation Electronics Industry |
CON9 | RTCバックアップインターフェース | BH-44C-5 | Adam Tech |
CON10 | 拡張インターフェース | 61303421121[] | Würth Elektronik |
ANT1 | WLAN/BT/THアンテナインターフェース | SA5JP-LP001CG-39 | CONNEKT PRECISION ELECTRONICS |
ANT2 | LTEアンテナインターフェース | SA5JJ-LP001PG-25 | CONNEKT PRECISION ELECTRONICS |
SYS | システムLED | SML-D12M1WT86 | ROHM |
APP | アプリケーションLED | SML-D12M1WT86 | ROHM |
WWAN | ワイヤレスWAN LED | SML-D12M1WT86 | ROHM |
SW1 | ユーザースイッチ | SKHHDJA010 | ALPS ELECTRIC |
SW2 | 起動デバイス設定スイッチ | DS01-254-S-01BE | Same Sky |
SW3 | RS-485終端抵抗設定スイッチ | DS01-254-S-01BE | Same Sky |
microSD/microSDHC/microSDXC カードを使用する際に必要な情報を以下に示します。
以降の説明では、共通の操作が可能な場合に、 microSD/microSDHC/microSDXC カードを microSD カードと表記します。
Armadillo-IoT ゲートウェイ A9EのSDホストは、i.MX 8ULPのuSDHC(Ultra Secured Digital Host Controller)を利用しています。
Armadillo-IoT ゲートウェイ A9Eでは、SDインターフェース(CON4)がuSDHC2を利用しています。
SDカードに供給される電源は、i.MX 8ULPのPTA2ピンで制御が可能です。Highレベル出力で電源が供給され、Lowレベル出力で電源が切断されます。
-
機能
-
カードタイプ: microSD/microSDHC/microSDXC/microSDIO
-
バス幅: 1bit or 4bit
-
スピードモード: Default Speed(24MHz), High Speed(49MHz), UHS-I (195MHz)
-
カードディテクトサポート
-
インターフェース仕様
表3.16 CON4 信号配列
ピン番号 | ピン名 | I/O | 説明 |
---|
1 | DAT2 | In/Out | SDデータバス(bit2)、レベルシフタ経由でi.MX 8ULPのPTE5ピンに接続 |
2 | CD/DAT3 | In/Out | SDデータバス(bit3)、レベルシフタ経由でi.MX 8ULPのPTE4ピンに接続 |
3 | CMD | In/Out | SDコマンド/レスポンス、レベルシフタ経由でi.MX 8ULPのPTE3ピンに接続 |
4 | VDD | Power | 電源(VDD_SD) |
5 | CLK | Out | SDクロック、レベルシフタ経由でi.MX 8ULPのPTE2ピンに接続 |
6 | VSS | Power | 電源(GND) |
7 | DAT0 | In/Out | SDデータバス(bit0)、レベルシフタ経由でi.MX 8ULPのPTE1ピンに接続 |
8 | DAT1 | In/Out | SDデータバス(bit1)、レベルシフタ経由でi.MX 8ULPのPTE0ピンに接続 |
![[警告]](images/warning.png) | |
---|
microSDを挿入してケースに入れている状態で、ケースカバーパーツのmicroSD部分をケース外側から
強く押し込むとmicroSDカードのロックは外れてしまい、カバーパーツを取り外した際に
microSDカードが飛び出す可能性があります。該当箇所は強く押し込まないようご注意ください。
|
ここでは、 sd_example という名称の alpine ベースのコンテナを作成し、その中で microSD カードを使用します。
必要なコンテナイメージは予め podman pull
している前提で説明します。
CON4 に microSD カードを挿入してください。
/etc/atmark/containers/sd_example.conf というファイルを以下の内容で作成します。
set_image docker.io/alpine
add_hotplugs mmc
add_args --cap-add=SYS_ADMIN
set_command sleep infinity
|
add_hotplugs に mmc を指定することで、 コンテナ内でmicroSD カードをホットプラグで認識します
|
|
コンテナ内で microSD カードをマウントするための権限を与えます
|
コンテナを起動し、コンテナの中に入ります。
[armadillo]# podman_start sd_example
Starting 'sd_example'
1d93ecff872276834e3c117861f610a9c6716c06eb95623fd56aa6681ae021d4
[armadillo]# podman exec -it sd_example sh
[container]#
コンテナ内で microSD カードは、 /dev/mmcblk2
として認識されますので /mnt にマウントします。
[container]# mount /dev/mmcblk2p1 /mnt
ストレージの使用方法については、「コマンドラインからストレージを使用する」もあわせて参照してください。
CON2は10BASE-T/100BASE-TXに対応したLANインターフェースです。
カテゴリ5以上のEthernetケーブルを接続することができます。
AUTO-MDIX機能を搭載しており、ストレートケーブルまたはクロスケーブルを自動認識して送受信端子を切り替えます。
信号線はEthernet PHY(DP83825I/Texas Instruments)を経由してi.MX 8ULPのEthernetコントローラ(ENET0: 10/100-Mbps Ethernet MAC)に接続されています。
-
機能
-
通信速度: 100Mbps (100BASE-TX), 10Mbps (10BASE-T)
-
通信モード: Full-Duplex (全二重), Half-Duplex (半二重)
-
Auto Negotiationサポート
-
キャリア検知サポート
-
リンク検出サポート
-
インターフェース仕様(CON2)
表3.17 CON2 信号配列
ピン番号 | ピン名 | I/O | 説明 |
---|
1 | TX+ | In/Out | 送信データ(+) |
2 | TX- | In/Out | 送信データ(-) |
3 | RX+ | In/Out | 受信データ(+) |
4 | - | - | 5ピンと接続後に75Ω終端 |
5 | - | - | 4ピンと接続後に75Ω終端 |
6 | RX- | In/Out | 受信データ(-) |
7 | - | - | 8ピンと接続後に75Ω終端 |
8 | - | - | 7ピンと接続後に75Ω終端 |
表3.18 CON2 LAN LEDの動作
名称(色) | 状態 | 説明 |
---|
LANスピードLED(緑) | 消灯 | 10Mbpsで接続されている、もしくはEthernetケーブル未接続 |
点灯 | 100Mbpsで接続されている |
LANリンクアクティビティLED(黄) | 消灯 | リンクが確立されていない |
点灯 | リンクが確立されている |
点滅 | リンクが確立されており、データを送受信している |
![[警告]](images/warning.png) | |
---|
本章に示す無線 LANと、「TH を使用する」に示すTHを同時に利用することはできません。これは今後のソフトウェアアップデートで修正予定です。 |
Armadillo-IoT ゲートウェイ A9E の WLAN+BT+TH コンボモジュールを搭載しているモデルには、Murata Manufacturing 製 LBES5PL2EL が搭載されています。
-
機能
-
IEEE 802.11a/b/g/n/ac/ax 準拠
-
最大リンク速度: 601Mbps
-
動作モード: インフラストラクチャモード(STA/AP), アドホックモード
-
チャンネル(2.4GHz): 1-13
-
チャンネル(5GHz): 36-48, 52-64, 100-140
-
インタフェース仕様(ANT1)
- ANT1(WLAN/BT/TH アンテナインターフェース) は WLAN、Bluetooth®、IEEE 802.15.4 データ通信時に利用するアンテナコネクタです。RP-SMA端子(メス)のアンテナを接続することができます。
アンテナコネクタからアンテナまでの経路は50Ω同軸ケーブルでの延長が可能です。
ただし、ケーブルロスが発生することにご注意ください。
![[ティップ]](images/tip.png) | |
---|
LBES5PL2EL のファームウェアは、 Armadillo-IoT ゲートウェイ A9E にインストールされている linux-firmware-imx-wifi-iw612 パッケージに含まれています。 |
![[警告]](images/warning.png) | |
---|
本章に示す Bluetooth® と、「TH を使用する」に示すTHを同時に利用することはできません。これは今後のソフトウェアアップデートで修正予定です。 |
Armadillo-IoT ゲートウェイ A9E の WLAN+BT+TH コンボモジュールを搭載しているモデルには、Murata Manufacturing 製 LBES5PL2EL が搭載されています。
LBES5PL2EL は、Bluetooth® version 5.3 に対応しており、Bluetooth® Low Energy、 EDR(Enhanced Data Rate)が利用できます。
![[警告]](images/warning.png) | |
---|
Bluetooth® version 5.0以降で追加されたCoded PHY(Long Range)などの機能は、各種ディストリビューションが公開しているパッケージから利用することはできません。Linuxで標準的に利用されているBlueZも非対応です。 |
-
インターフェース仕様(ANT1)
- ANT1(WLAN/BT/TH アンテナインターフェース) に関しては、「ハードウェア仕様」を参照ください。
![[ティップ]](images/tip.png) | |
---|
標準出荷状態の Armadillo Base OS には BlueZ をはじめとした Bluetooth® のプロトコルスタックがインストールされていません。
動作確認時は以下の手順に従って、コンテナ内にプロトコルスタックをインストールして行ってください。 |
コンテナ内から Bluetooth® を使用するには、コンテナ作成時にホストネットワークを使用するために、
NET_ADMIN の権限を渡す必要があります。
図3.75「Bluetooth® を扱うコンテナの作成例」に、alpine イメージから Bluetooth® を扱うコンテナを作成する例を示します。
コンテナ内で必要なソフトウェアをインストールして、Bluetooth® を起動します。
これにより、bluetoothctl で Bluetooth® 機器のスキャンやペアリングなどが行えるようになります。
以下に、bluetoothctl コマンドで周辺機器をスキャンしてペアリングを行う例を示します。
|
コントローラを起動します。
|
|
周辺機器をスキャンします。
|
|
ペアリングしたい機器の MAC アドレスを指定してペアリングします。
|
|
exit で bluetoothctl のプロンプトを終了します。
|
Armadillo-IoT ゲートウェイ A9E の WLAN+BT+THコンボモジュールを搭載しているモデルには、Murata Manufacturing 製 LBES5PL2EL が搭載されています。
LBES5PL2EL は、IEEE 802.15.4 に準拠した通信が可能です。
-
インターフェース仕様(ANT1)
- ANT1(WLAN/BT/TH アンテナインターフェース) に関しては、「ハードウェア仕様」を参照ください。
コンテナ内から TH を使用するには、コンテナ作成時にホストネットワークを使用するために、
NET_ADMIN と NET_RAW 権限を渡す必要があります。
図3.78「TH を扱うコンテナの作成例」に、alpine イメージから TH を扱うコンテナを作成する例を示します。
コンテナ内で必要なソフトウェアをインストールして、ot-daemon を起動します。
これにより、OT CLI で ネットワークの構築や参加ができるようになります。
以下に、ot-ctl コマンドでネットワークを構築する例を示します。
|
新しいデータセットを生成します。
|
|
生成したデータセットを表示します。
|
|
生成したデータセットを有効化します。
|
|
インターフェースを有効化します。
|
|
ネットワークを開始します。
|
|
インターフェースの状態を表示します。"leader"と表示されるまで待ちます。
|
|
コミッショナーを開始します。
|
|
ジョイナーを追加します。認証情報は"J01NME"としています。
|
![[警告]](images/warning.png) | |
---|
ジョイナーを追加コマンドのワイルドカード("*")の指定は、全てのデバイスへ接続許可を与える事を意味します。正式運用時の使用は非推奨です。 |
![[ティップ]](images/tip.png) | |
---|
ジョイナーを追加コマンドで指定する認証情報は、読みやすさのため I, O, Q, Z を除く大文字英数字のみ指定可能です。長さは 6〜32 文字です。 |
|
インターフェースを有効化します。
|
|
ジョイナーを開始し、認証情報"J01NME"を持つネットワークへの接続情報を取得します。"Join success!"と表示されると成功です。
|
|
ネットワークに参加します。
|
|
インターフェースの状態を表示します。"router"と表示されるまで待ちます。
|
Armadillo-IoT ゲートウェイ A9E Cat.1 bis+WLAN モデルおよび Cat.1 bisモデルには、SIMCom製 SIM7672G が搭載されています。
-
機能
-
LTE 通信
-
リセットドライバによる SIM7672G の電源制御
-
インターフェース仕様(CON7)
CON7(nanoSIMインターフェース)は LTEデータ通信時に利用する、nanoSIM カード用インターフェースです。
表3.19 CON7 信号配列
ピン番号 | ピン名 | I/O | 説明 |
---|
C1 | SIM_VCC | Power | SIM電源、LTEモジュールのSIM_VDDに接続 |
C2 | SIM_RST | Out | SIMリセット、LTEモジュールのSIM_RSTに接続 |
C3 | SIM_CLK | Out | SIMクロック、LTEモジュールのSIM_CLKに接続 |
C5 | GND | Power | 電源(GND) |
C6 | SIM_VPP | - | 未接続 |
C7 | SIM_I/O | In | SIMデータ、LTEモジュールのSIM_DATAに接続 |
nanoSIM カードを挿入する際は図3.82「nanoSIM カードの接続例」のように、nanoSIM(UIMカード)の切り欠きを挿入方向に向け、刻印面を上にして挿入してください。
-
インターフェース仕様(ANT2)
ANT2(LTEアンテナインターフェース)はLTEデータ通信時に利用するアンテナコネクタです。SMA端子(オス)のアンテナを接続することができます。
アンテナコネクタからアンテナまでの経路は50Ω同軸ケーブルでの延長が可能です。
ただし、ケーブルロスが発生することにご注意ください。
![[ティップ]](images/tip.png) | |
---|
LTEモジュールメーカーにより、技適認証取得済みのアンテナについて抜粋したリストを
Armadilloサイトで公開しています。
付属のアンテナ以外をご検討の際に、ご活用ください。 当社にて全てのアンテナの動作を確認したものではありませんので、
通信性能の評価については、ユーザー様自身にて実施いただくようお願いいたします。 |
3.6.6.2. ソフトウェア仕様(Cat.1 bis モデル)
-
デバイスファイル
/dev/ttyACM0
-
ModemManager が
/dev/ttyCommModem
のシンボリックリンクを作成し AT コマンド用ポートとして使用します。
-
/dev/ttyLP1
-
ネットワークデバイス
![[ティップ]](images/tip.png) | |
---|
ttyACM0 は、他の USB デバイスを接続している場合、番号が変わる可能性があります。 |
LTE モデム SIMCom製 SIM7672G は、Armadillo 起動時に自動的に電源が投入され、 Armadillo 終了時には自動的に電源が切られるようになっていますが、
これらは以下のコマンドによる手動操作も可能です。
ただし、以下のコマンドを実行する前には、図6.158「LTE 再接続サービスを停止する」の手順を参考に再接続サービスをあらかじめ停止してください。
「LTE再接続サービス」 では、通信状態に応じて LTE モデムのリセットなどを自動的に実施するので、処理の重複を避けるためにその操作があらかじめ必要です。
ネットワークの設定方法については「ネットワーク設定」を参照してください。
LTE 再接続サービスの設定、省電力設定に関しては「LTE」を参照してください。
USB2.0に対応したUSBインターフェースです。
-
機能
-
Universal Serial Bus Specification Revision 2.0 準拠
-
Enhanced Host Controller Interface (EHCI)準拠
-
転送レート: USB2.0 High-Speed (480Mbps), Full-Speed (12Mbps), Low-Speed (1.5Mbps)
-
インターフェース仕様
表3.20 CON6 信号配列
ピン番号 | ピン名 | I/O | 説明 |
---|
1 | USB0_VBUS | Power | 電源(USB0_VBUS)_ |
2 | USB0_DN | In/Out | USB0のマイナス側信号、i.MX 8ULPのUSB0_DMピンに接続 |
3 | USB0_DP | In/Out | USB0のプラス側信号、i.MX 8ULPのUSB0_DPピンに接続 |
4 | GND | Power | 電源(GND) |
-
デバイスファイル
-
メモリデバイスの場合は、デバイスを認識した順番で/dev/sdN (Nは’a'からの連番)となります。
-
I/Oデバイスの場合は、ファンクションに応じたデバイスファイルとなります。
-
sysfs ディレクトリ
-
/sys/devices/platform/usb0-vbus/
CON6 の電源(USB0_VBUS)を制御するディレクトリです。
コンテナ内で動作するアプリケーションから USB 接続のデバイスを扱うための方法について示します。
USB シリアルデバイスを扱う
USB シリアルデバイスをコンテナ内から扱う場合には、Podman のイメージからコンテナを作成する際に
add_hotplugs
に ttyUSB
を設定する必要があります。この設定により、コンテナ起動後に USB シリアルデバイスを
接続した場合でも正しく認識されます。
以下は、alpine イメージからコンテナを作成する例です。
コンテナ内に入り、setserial コマンドを使って現在の設定を確認することができます。
コンテナ内からのデバイスの指定には /dev/ttyUSBN
を使用することもできますが、
デバイスを接続するタイミングによっては N
の値が変わる可能性があります。
このため上記の例のように /dev/serial/by-id/
下にあるファイルを指定することで
確実に目的のデバイスを使用することができます。
USB カメラを扱う
USB カメラをコンテナ内から扱う場合には、Podman のイメージからコンテナを作成する際に
add_hotplugs
に video4linux
を設定する必要があります。この設定により、コンテナ起動後に USB カメラを
接続した場合でも正しく認識されます。
以下は、alpine イメージからコンテナを作成する例です。
GStreamer などのマルチメディアフレームワークと組み合わせることで、USB カメラからの映像のキャプチャが可能となります。
コンテナ内からのデバイスの指定には /dev/videoN
を使用することもできますが、
デバイスを接続するタイミングによっては N
の値が変わる可能性があります。
このため上記の例のように /dev/v4l/by-id/
下にあるファイルを指定することで
確実に目的のデバイスを使用することができます。
USB メモリを扱う
ここでは、USB メモリを扱う方法について 2 つの例を示します。
ホスト OS 側でマウントした USB メモリをコンテナから扱う
あらかじめホスト OS 側でマウントしてある USB メモリをコンテナから扱う場合には、Podman のイメージから
コンテナを作成する際にホスト OS 側で USB メモリをマウントしてるディレクトリを渡す必要があります。
上記の例では、USB メモリを /mnt にマウントしました。以下は、 /mnt を渡して alpine イメージからコンテナを作成する例です。
ホスト OS 側の /mnt ディレクトリをコンテナ内の /mnt にマウントしています。
これにより、コンテナ内からも /mnt ディレクトリを通して USB メモリを扱うことができます。
USB メモリをコンテナ内からマウントする
USB メモリをコンテナ内からマウントして扱う場合には、Podman のイメージからコンテナを作成する際に
add_hotplugs
に sd
を設定する必要があります。この設定により、コンテナ起動後に USB メモリを
接続した場合でも正しく認識されます。加えて、コンテナ内からマウントするためには適切な権限も設定する必要があります。
以下は、 alpine イメージからコンテナを作成する例です。権限として SYS_ADMIN を渡しています。
コンテナ内に入り、mount コマンドで USB メモリを /mnt にマウントし、保存されているデータを確認することができます。
|
[MYUSBMEMORY] の部分は USB メモリに設定しているラベルに置き換えてください。
|
コンテナ内からマウントするデバイスの指定には /dev/sdN
を使用することもできますが、
他にもストレージデバイスを接続している場合などには N
の値が変わることがあります。
このため、USBメモリにラベルを設定している場合は、上記の例のように /dev/disk/by-label/
下にある
ラベルと同名のファイルを指定することで確実に目的のデバイスを使用することができます。
Type-A コネクタから供給される電源の ON/OFF を制御する
Type-A コネクタ(CON6)から供給される電源(USB0_VBUS)の ON/OFF を切り替えることができます。
コンテナ内で動作するアプリケーションからこの切り替えを行うには、コンテナイメージからコンテナを作成する際にホスト OS 側の /sys
ディレクトリを渡します。
デフォルト状態でもマウントされていますが、読み取り専用になっていて使用できませんのでご注意ください。
以下は、 /sys
を渡して alpine イメージからコンテナを作成する例です。
ここで渡された /sys
ディレクトリはコンテナ内の同じ /sys
にマウントされます。
コンテナ内に入り、/sys/devices/platform/usb0-vbus/
ディレクトリ内の state
ファイルに、enabled
か disabled
を書き込むことで ON/OFF を切り替えます(デフォルトは enabled
です)。
|
CON6 から供給される電源を OFF にします。
|
|
CON6 から供給される電源を ON にします。
|
3.6.8.1. ハードウェア仕様(CON3:DI)
接点入力部はフォトカプラによる絶縁入力(電流シンク出力タイプに接続可能)となっています。
入力部を駆動するために電源は、外部から供給する必要があります。
-
機能
-
インターフェース仕様(CON3:接点入力)
表3.21 CON3 信号配列(接点入力関連)
ピン番号 | ピン名 | I/O | 説明 |
---|
8 | DI1 | In | 接点入力1 |
9 | DI2 | In | 接点入力2 |
10 | COM | In | 接点入力プラスコモン |
表3.22 CON3 接続可能な電線
規格 | UL | IEC |
電線範囲 | 26~18 AWG | 0.12~0.9mm2 |
被覆剥き長さ | 5~6mm |
使用可能フェルール端子 | 型番 : MFL25-5BE
メーカー:ミスミ |
推奨ねじ締めトルク | 0.2Nm [] |
![[警告]](images/warning.png) | |
---|
振動や衝撃のある場所に設置された場合、端子ねじが緩む事がありますので、定期的な増し締めを行ってください。 |
![[警告]](images/warning.png) | |
---|
電線の先端に予備半田しないでください。正しい接続ができなくなります。 |
![[警告]](images/warning.png) | |
---|
端子台に電線を接続する際、端子台に過度な力を加えないでください。
端子台が破損する恐れがあります。 |
入出力インターフェース(CON3)のピン4、ピン5を接点入力として使用できます。
ソフトウェアからは GPIO として制御可能であり、対応する GPIO 名などを次に示します。
表3.23 接点入力に対応する CON3 ピン番号
ピン番号 | ピン名 | GPIO名 | GPIOチップ | GPIO番号 |
---|
8 | DI1 | DI1 | gpiochip1 | 12 |
9 | DI2 | DI2 | gpiochip1 | 14 |
![[ティップ]](images/tip.png) | |
---|
接点入力に何も接続していない(開放状態)場合、取得できる入力レベルは "1" (HIGH レベル)となります。 |
コンテナで使用する
コンテナ内で動作するアプリケーションから 接点入力(GPIO) を扱うためには、Podman のイメージからコンテナを作成する際にホスト OS 側の /dev/gpiochipN を渡すと、GPION+1 を操作することができます。
ここでは接点入力で使用する gpiochip1 を渡した場合の例を記載します。
コンテナ内に入ってコマンドで GPIO を操作する例を以下に示します。
|
GPIO 名 DI1 の状態を数値で取得します。
|
|
取得した値を表示します。
|
C 言語プログラムから操作する場合は、GPIO 操作ライブラリである libgpiod を使用することができます。
Armadillo 上で使用する
gpioget
コマンドを用いて入力レベルの確認ができます。"0"は LOW レベル、"1"は HIGH レベルを表わします。
3.6.9.1. ハードウェア仕様(CON3:接点出力)
接点出力部はフォトリレーによる絶縁出力(無極性)となっています。
出力部を駆動するためには外部に電源が必要となります。
出力1点につき最大電流500mA(定格 48V)まで駆動可能です。
-
機能
-
インターフェース仕様(CON3:接点出力)
表3.24 CON3 信号配列(接点出力関連)
ピン番号 | ピン名 | I/O | 説明 |
---|
4 | DO1A | - | 接点出力1A |
5 | DO1B | - | 接点出力1B |
6 | DO2A | - | 接点出力2A |
7 | DO2B | - | 接点出力2B |
表3.25 CON3 接続可能な電線
規格 | UL | IEC |
電線範囲 | 26~18 AWG | 0.12~0.9mm2 |
被覆剥き長さ | 5~6mm |
使用可能フェルール端子 | 型番 : MFL25-5BE
メーカー:ミスミ |
推奨ねじ締めトルク | 0.2Nm [] |
![[警告]](images/warning.png) | |
---|
振動や衝撃のある場所に設置された場合、端子ねじが緩む事がありますので、定期的な増し締めを行ってください。 |
![[警告]](images/warning.png) | |
---|
電線の先端に予備半田しないでください。正しい接続ができなくなります。 |
![[警告]](images/warning.png) | |
---|
端子台に電線を接続する際、端子台に過度な力を加えないでください。
端子台が破損する恐れがあります。 |
入出力インターフェース(CON3)のピン6/ピン7、ピン8/ピン9を接点出力として使用できます。
ソフトウェアからは GPIO として制御可能であり、対応する GPIO 名などを次に示します。
表3.26 接点出力に対応する CON3 ピン番号
ピン番号 | ピン名 | GPIO名 | GPIOチップ | GPIO番号 |
---|
4 - 5 | DO1A - DO1B | DO1 | gpiochip1 | 0 |
6 - 7 | DO2A - DO2B | DO2 | gpiochip1 | 1 |
コンテナで使用する
コンテナ内で動作するアプリケーションから接点出力を扱うためには、Podman のイメージからコンテナを作成する際にホスト OS 側の /dev/gpiochipN を渡すと、GPION+1 を操作することができます。
ここでは接点出力で使用する gpiochip1 を渡した場合の例を記載します。
コンテナ内に入ってコマンドで接点出力を操作する例を以下に示します。
|
GPIO 名 DO1 の値を LOW に設定します。
|
C 言語プログラムから操作する場合は、GPIO 操作ライブラリである libgpiod を使用することができます。
Armadillo 上で使用する
gpioset
コマンドを用いて、出力レベルを設定することができます。出力レベルには "0" または "1" を設定します。"0"は LOW レベル、"1"は HIGH レベルを表わします。
接点入力、接点出力をループバックして確認する
ピン10とピン11、ピン4とピン12、ピン5とピン8をそれぞれ接続することで、DI1、DO1をループバックして確認することが可能です。
Armadillo-IoT ゲートウェイ A9E のシリアルは、i.MX 8ULPのLPUART (Low Power Universal Asynchronous Receiver/Transmitter) を利用しています。
Armadillo-IoT ゲートウェイ A9E の標準状態では、LPUART4 (CON5) をシリアルコンソールとして利用しています。LPUART0(CON3 のピン 1 ~ 3) を RS-485 のインタフェースとして利用できます。
CON5 は USB コンソール用インターフェースです。
信号線は USB シリアル変換 IC(CP2102N/Sillicon Labs) を経由して i.MX 8ULP の UART コントローラ (LPUART4) に接続されています。
-
機能
フォーマット
-
データビット長: 7 or 8ビット
-
ストップビット長: 1 or 2ビット
-
パリティ: 偶数 or 奇数 or なし
-
フロー制御: CTS/RTS or XON/XOFF or なし
-
最大ボーレート:1Mbps
-
インターフェース仕様(CON5)
表3.27 CON5 信号配列
ピン番号 | ピン名 | I/O | 説明 |
---|
A4, A9, B4, B9 | VBUS_CNSL | Power | 電源(VBUS_CNSL) |
A7, B7 | CNSL_USB_D- | In/Out | コンソール用USBのマイナス側信号、USBシリアル変換ICに接続 |
A6, B6 | CNSL_USB_D+ | In/Out | コンソール用USBのプラス側信号、USBシリアル変換ICに接続 |
A5, B5 | CNSL_USB_CC | - | コンソール用USBのCC信号、5.1kΩでプルダウン |
A1, A12, B1, B12 | GND | Power | 電源(GND) |
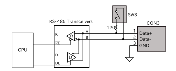
3.6.10.2. ハードウェア仕様(CON3:RS-485)
RS-485 は、入出力インターフェース(CON3)の 1 ~ 3 ピンを使用します。
終端抵抗 120Ω の ON/OFFをスイッチで切り替えることができます、設定方法は「ハードウェア仕様 (SW3:RS-485 終端抵抗設定スイッチ)」を参照ください。
Armadillo-IoT ゲートウェイ A9E に電源を投入してから、ソフトウェアでRS-485のポート設定が適用されるまでの間、RS-485バス上(Data+/Data-)にはHighが出力されます。
-
機能
-
最大データ転送レート : 1Mbps
-
半二重対応
-
RS-485 シリアルインターフェースのデバイスファイルは、/dev/ttyrpmsg1 を使用します。
-
インターフェース仕様
表3.28 CON3 信号配列(RS-485関連)
表3.29 CON3 接続可能な電線
規格 | UL | IEC |
電線範囲 | 26~18 AWG | 0.12~0.9mm2 |
被覆剥き長さ | 5~6mm |
使用可能フェルール端子 | 型番 : MFL25-5BE
メーカー:ミスミ |
推奨ねじ締めトルク | 0.2Nm [] |
![[警告]](images/warning.png) | |
---|
振動や衝撃のある場所に設置された場合、端子ねじが緩む事がありますので、定期的な増し締めを行ってください。 |
![[警告]](images/warning.png) | |
---|
電線の先端に予備半田しないでください。正しい接続ができなくなります。 |
![[警告]](images/warning.png) | |
---|
端子台に電線を接続する際、端子台に過度な力を加えないでください。
端子台が破損する恐れがあります。 |
3.6.10.3. ハードウェア仕様 (SW3:RS-485 終端抵抗設定スイッチ)
SW3はRS-485の終端抵抗設定スイッチです。
SW3を操作することで、終端抵抗 120ΩのON/OFFを切り替えることができます。
-
-
終端抵抗 120Ω がONになります。
-
-
終端抵抗 120Ω がOFFになります。
![[ティップ]](images/tip.png) | |
---|
終端はRS-485の信号線の最遠端で行います。
Armadillo-IoT A9Eが最遠端になる場合は終端抵抗をONにしてください。 |
コンテナ内で動作するアプリケーションから RS-232C や RS-485 などのシリアル通信を行うためには、
Podman のイメージからコンテナを作成する際にホスト OS 側のデバイスファイル /dev/ttyrpmsgN を渡す必要があります。
以下は、/dev/ttyrpmsg1 を渡して alpine イメージからコンテナを作成する例です。
コンテナ内に入り、setserial コマンドを使って現在の設定を確認することができます。
Armadillo-IoT ゲートウェイ A9E のGPIOは、i.MX 8ULP の RGPIO(Rapid General Purpose Input/Output Controller)を利用しています。
拡張インターフェース(CON10) で GPIO を最大 20 ポート拡張することが可能です。
-
デバイスファイル
-
/dev/gpiochip0
-
/dev/gpiochip1
-
/dev/gpiochip2
-
/dev/gpiochip3
-
/dev/gpiochip4
-
/dev/gpiochip5
![[ティップ]](images/tip.png) | |
---|
sysfs GPIOクラス(/sys/class/gpio/ )は使用しないでください。 |
コンテナ内で動作するアプリケーションから GPIO を扱うためには、Podman のイメージからコンテナを作成する際にホスト OS 側のデバイスファイル /dev/gpiochipN を渡す必要があります。以下は、/dev/gpiochip0 を渡して alpine イメージからコンテナを作成する例です。
/dev/gpiochipN を渡すと、GPION+1 を操作することができます。
コンテナ内に入ってコマンドで GPIO を操作する例を図3.109「コンテナ内からコマンドで GPIO を操作する例」に示します。この例では、 CON10 の 34ピンの PTA14 を操作しています。
|
PTA14 (gpiochip0 line14) の値を取得します。
|
|
取得した値を表示します。
|
|
PTA14 (gpiochip0 line14) に 1(High) を設定します。
|
他にも、gpiodetect コマンドで認識している gpiochip をリスト表示できます。
以下の例では、コンテナを作成する際に渡した /dev/gpiochip0 が認識されていることが確認できます。
gpioinfo コマンドでは、指定した gpiochip の詳細な情報を表示することができます。
C 言語プログラムから操作する場合は、GPIO 操作ライブラリである libgpiod を使用することができます。
Armadillo-IoT ゲートウェイ A9E の I2C インターフェースは、i.MX 8ULP の I2C(I2C Controller) を利用します。また、i2c-gpioを利用することで、I2C バスを追加することができます。
Armadillo-IoT ゲートウェイ A9E で利用している I2C バスと、接続される I2C デバイスを次に示します。
表3.30 I2C デバイス
I2C バス | I2C デバイス |
アドレス | デバイス名 |
1(I2C1) | 0x32 | RV8803 (RTC) |
0x2C | USB2422(USB Hub) |
6(I2C6) | 0x48 | SE050(セキュアエレメント) |
Armadillo-IoT ゲートウェイ A9E の標準状態では、CONFIG_I2C_CHARDEV が有効となっているためユーザードライバで I2C デバイスを制御することができます。ユーザードライバを利用する場合は、Linux カーネルで I2Cデバイスに対応するデバイスドライバを無効にする必要があります。
-
デバイスファイル
-
/dev/i2c-1
(I2C1)
-
/dev/i2c-6
(I2C6)
-
/dev/i2c-7
(I2C7)
コンテナ内で動作するアプリケーションから I2C を扱うためには、Podman のイメージからコンテナを作成する際にホスト OS 側のデバイスファイル /dev/i2c-N を渡す必要があります。以下は、/dev/i2c-7 を渡して alpine イメージからコンテナを作成する例です。
コンテナ内に入り、i2c-tools に含まれる i2cdetect コマンドを使ってスレーブアドレスを確認することができます。
Armadillo-IoT ゲートウェイ A9E の PWM は、i.MX 8ULP の TPM(Timer/Pulse Width Modulation) を利用しています。
拡張インターフェース(CON10)で最大9ポートの PWM 出力が可能です。
表3.31 CON10で使用可能な PWM ピン一覧
TPMインスタンス | クロック周波数 | 分解能 | 時間分解能 | 最大周期 | チャンネル | ピン番号 |
---|
TPM1 | 80 MHz | 32 bit | 12.5 ns | 4.29 s | CH0 | 25 |
CH1 | 27 |
TPM3 | 12 MHz | 16 bit | 83.3 ns | 5.46 ms | CH1 | 11 |
CH2 | 13 |
CH3 | 15 |
CH4 | 17 |
CH5 | 19 |
TPM7 | 24 MHz | 16 bit | 41.7 ns | 2.73 ms | CH1 | 16 |
CH2 | 18 |
![[注記]](images/note.png) | |
---|
PWM周期は TPMインスタンス単位 で設定されます。
同じTPMインスタンス内の全チャンネルは、同じPWM周期を共有します。
PWM パルス幅はチャンネルごとに設定できます。 |
コンテナ内で動作するアプリケーションから PWM を扱うためには、コンテナイメージからコンテナを作成する際にホスト OS 側の /sys
ディレクトリを渡します。
デフォルト状態でもマウントされていますが、読み取り専用になっていて使用できませんのでご注意ください。
以下は、 /sys
を渡して alpine イメージからコンテナを作成する例です。ここで渡された /sys
ディレクトリは
コンテナ内の同じ /sys
にマウントされます。
PWM 制御は /sys/class/pwm/pwmchipN
ディレクトリを通じて行います。
N
の値は起動時に動的に決まるため、以下のコマンドで TPM インスタンスを確認してください:
[container ~]# readlink /sys/class/pwm/pwmchip0/device | xargs basename
pwm@1 
|
pwmchip0 に対応する TPM インスタンスを確認します。
|
|
TPM1 であることがわかります。
|
TPM インスタンスとコマンド結果の対応関係は 表3.32「TPMインスタンスとコマンド結果の対応」 のとおりです。
表3.32 TPMインスタンスとコマンド結果の対応
TPMインスタンス | ファイル名 |
---|
TPM1 | pwm@1
|
TPM3 | pwm@3
|
TPM7 | 29830000.pwm
|
/sys/class/pwm/pwmchipN ディレクトリ内の export
ファイルに使用するチャンネルの数値(0 など)を書き込むことで、そのチャンネルの PWM を制御できるようになります。
以下に、/sys/class/pwm/pwmchip0
を扱う場合の動作設定例を示します。
|
CH0 を export します。
|
|
CH0 の PWM 周期を 1 ミリ秒にします。単位はナノ秒です。
|
|
CH0 の PWM パルス幅を 0.5 ミリ秒にします。
|
|
CH0 の PWM 出力を有効にします。
|
![[注記]](images/note.png) | |
---|
PWM周期は TPMインスタンス単位 で設定されます。
同じTPMインスタンス内の全チャンネルは、同じPWM周期を共有します。
PWM パルス幅はチャンネルごとに設定できます。 例:TPM1のCH0とCH1を同時使用する場合、両方とも同じ period 値を設定してください。 |
Armadillo-IoT ゲートウェイ A9E のリアルタイムクロックは、Micro Crystal製 RV-8803-C7 が搭載されておりこれを利用しています。
RV-8803-C7 は、「ハードウェア仕様」に示す I2C1 に接続されています。
-
機能
-
インターフェース仕様
CON9はリアルタイムクロックのバックアップ用インターフェースです。
電源が切断されても時刻データを保持させたい場合にご使用ください。
CON9にはCR1220の電池を接続することができます。
リアルタイムクロックの時刻保持時の平均消費電流は、
240nA(Typ.)となっておりますので、
電池寿命までの時刻保持が期待できます。
最大月差は周囲温度-20℃~60℃で8秒です。(経年変化を除く)
表3.33 CON9 信号配列
ピン番号 | ピン名 | I/O | 説明 |
---|
1 | RTC_BAT | Power | リアルタイムクロックのバックアップ用電源入力(RTC_BAT) |
2 | GND | Power | 電源(GND) |
![[警告]](images/warning.png) | |
---|
電池をホルダーへ装着する際は、異物の挟み込みや不完全な装着がないように、目視での異物確認や
装着状態の確認を行ってください。 |
-
デバイスファイル
-
/dev/rtc
( /dev/rtc0
へのシンボリックリンク)
-
/dev/rtc0
(RV-8803-C7)
アラーム割り込みは、デバイスファイル経由で利用することができます。
詳細な情報については、Linux カーネルのソースコードに含まれているドキュメント(Documentation/admin-guide/rtc.rst)やサンプルプログラム(tools/testing/selftests/rtc/rtctest.c)を参照してください。
コンテナで使用する
コンテナ内から RTC を扱うためには、Podman のイメージからコンテナを作成する際にホスト OS 側のデバイスファイル /dev/rtc を渡すと同時に、RTC への時刻の設定を行うための権限も渡す必要があります。
以下は、/dev/rtc を渡して alpine イメージからコンテナを作成する例です。権限として SYS_TIME も渡しています。
コンテナ内に入り、hwclock コマンドで RTC の時刻表示と設定ができます。
|
RTC に設定されている現在時刻を表示します。
|
|
システム時刻を 2021 年 4 月 1 日 9 時 0 分 0 秒に設定します。
|
|
システム時刻を RTC に反映させます。
|
|
RTC に設定されている時刻が変更されていることを確認します。
|
Armadillo 上で RTC に時刻を設定する
Linuxの時刻には、Linuxカーネルが管理するシステムクロックと、RTCが管理するハードウェアクロックの2種類があります。RTCに時刻を設定するためには、まずシステムクロックを設定します。その後に、ハードウェアクロックをシステムクロックと一致させる手順となります。
システムクロックは、dateコマンドを用いて設定します。dateコマンドの引数には、設定する時刻を [MMDDhhmmCCYY.ss]
というフォーマットで指定します。時刻フォーマットの各フィールドの意味を次に示します。
表3.34 時刻フォーマットのフィールド
フィールド | 意味 |
---|
MM | 月 |
DD | 日(月内通算) |
hh | 時 |
mm | 分 |
CC | 年の最初の2桁(省略可) |
YY | 年の最後の2桁(省略可) |
ss | 秒(省略可) |
2023年3月2日12時34分56秒に設定する例を次に示します。
システムクロックを設定後、ハードウェアクロックを hwclock コマンドを用いて設定します。
|
現在のハードウェアクロックを表示します。
|
|
ハードウェアクロックを協定世界時(UTC)で設定します。
|
|
ハードウェアクロックが UTC で正しく設定されていることを確認します。
|
![[ティップ]](images/tip.png) | |
---|
インターネットに接続できている場合は、chronyd により自動的に日時設定が行われます。そのため、手動で日時設定を行う必要はありません。 |
SW2は起動デバイス設定スイッチです。
SW2を操作することで、起動デバイスを設定することができます。
-
-
起動デバイスはeMMCになります。
-
-
起動デバイスはmicroSDになります。
SW1はユーザーが自由に利用できる押しボタンスイッチです。
-
インターフェース仕様(SW1)
表3.35 SW1 信号配列
部品番号 | 名称 | 説明 |
---|
SW1 | ユーザースイッチ | i.MX 8ULP の PTB2 ピンに接続
(Low: 押されていない状態、High: 押された状態) |
Linux では、ユーザー空間でイベント(Press/Release)を検出することができます。Linux では、GPIO 接続用キーボードドライバ(gpio-keys)で制御することができます。
ユーザースイッチと信号には、次に示すキーコードが割り当てられています。
表3.36 インプットデバイスファイルとイベントコード
ユーザースイッチ | インプットデバイスファイル | イベントコード |
---|
SW1 | /dev/input/by-path/platform-gpio-keys-event
| 148 (KEY_PROG1) |
![[警告]](images/warning.png) | |
---|
インプットデバイスは検出された順番にインデックスが割り振られます。USBデバイスなどを接続してインプットデバイスを追加している場合は、デバイスファイルのインデックスが異なる可能性があります。 |
スイッチのプッシュ/リリースイベントを取得するためには、 Podman のイメージからコンテナを作成する際にホスト OS 側の /dev/input ディレクトリを渡す必要があります。
以下は、/dev/input を渡して alpine イメージからコンテナを作成する例です。ここで渡された /dev/input ディレクトリは
コンテナ内の /dev/input にマウントされます。
コンテナ内に入り、evtest コマンドでイベントを確認できます。
|
SW1のボタン プッシュ イベントを検出したときの表示
|
|
SW1のボタン リリース イベントを検出したときの表示
|
![[ティップ]](images/tip.png) | |
---|
Armadillo Base OS では、スイッチの制御を簡単に実装できる buttond デーモンを用意しております。
詳細は「ボタンやキーを扱う」 を参照してください。 |
LED は SYS、APP、WWAN が実装されており、Armadillo Base OS にて表3.38「LED状態と製品状態の対応について」に示す状態を表示しています。
LTE モジュール非搭載の LAN モデル及び WLAN モデルは、 WWAN LED をユーザー開放しております。
-
インターフェース仕様
表3.37 LED 信号配列
部品番号 | 名称(色) | 説明 |
---|
SYS | システムLED(緑) | 電源(VDD_3V3)の入力状態を表示、i.MX 8ULPのPTC5に接続
(Low: 消灯、High: 点灯) |
APP | アプリケーションLED(緑) | アプリケーションの状態を表示、i.MX 8ULPのPTF30に接続
(Low: 消灯、High: 点灯) |
WWAN | ワイヤレスWAN LED(緑) | LTE通信の状態を表示、i.MX 8ULPのPTF31に接続
(Low: 消灯、High: 点灯) |
Linuxでは、GPIO接続用LEDドライバ(leds-gpio)で制御することができます。
-
sysfs LEDクラスディレクトリ
-
/sys/class/leds/app
-
/sys/class/leds/sys
-
/sys/class/leds/wwan
表3.38 LED状態と製品状態の対応について
LED状態\LED名称 | SYS | APP | WWAN |
---|
OFF | 電源OFF | アプリ起動不可 | SIM 未検出または認識中、または LTE モデム未検出 |
ON | 電源ON | アプリ起動可能 | LTE 接続済み |
Blink Slow | シャットダウン中 | アプリ起動完了 [] | SIM 検出、LTE 未接続 [] |
Blink Fast | アップデート中 | アプリエラー [] | SIM 検出、LTE 未接続、電波品質が低い [] |
![[ティップ]](images/tip.png) | |
---|
WLAN/LAN モデルでは WWAN LED を自由に使用することができます。 |
コンテナで使用する
LED を扱うためには、 Podman のイメージからコンテナを作成する際にホスト OS 側の /sys ディレクトリを渡す必要があります。
以下は、/sys を渡して alpine イメージからコンテナを作成する例です。ここで渡された /sys ディレクトリはコンテナ内の /sys にマウントされます。
コンテナ内に入り、brightness ファイルに値を書き込むことで LED の点灯/消灯を行うことができます。
0 を書き込むと消灯、0 以外の値 (1~255) を書き込むと点灯します。
以降の説明では、任意のLEDを示すLEDクラスディレクトリを /sys/class/leds/[LED]/
のように表記します。 [LED]
の部分を適宜読みかえてください。
LEDを点灯/消灯する
LEDクラスディレクトリ以下の brightness
ファイルへ値を書き込むことによって、LEDの点灯/消灯を行うことができます。
brightness
に書き込む有効な値は 0~255です。
brightness
に 0 以外の値を書き込むとLEDが点灯します。
![[注記]](images/note.png) | |
---|
Armadillo-IoT ゲートウェイ A9E のLEDには輝度制御の機能がないため、0(消灯)、1~255(点灯)の2つの状態のみ指定することができます。 |
brightness
に0を書き込むとLEDが消灯します。
brightness
を読み出すとLEDの状態が取得できます。
トリガを使用する
Linux では、LED をある特定のタイミングで光らせることができます。これを「トリガ」と呼びます。LEDクラスディレクトリ以下の trigger
ファイルへ値を書き込むことによってLEDの点灯/消灯にトリガを設定することができます。 trigger
でサポートされている主要な値は以下の通りです。
表3.39 LEDトリガの種類
設定 | 説明 |
---|
none
| トリガを設定しません |
mmc0
| eMMCのアクセスランプにします |
mmc2
| microSDスロットのアクセスランプにします |
timer
| 任意のタイミングで点灯/消灯を行います。この設定にすることにより、LEDクラスディレクトリ以下にdelay_on, delay_offファイルが出現し、それぞれ点灯時間, 消灯時間をミリ秒単位で指定します |
heartbeat
| 心拍のように点灯/消灯を行います |
default-on
| 主にLinuxカーネルから使用します。LEDが点灯します |
panic
| カーネルパニック時にLEDが点滅します |
trigger
ファイルを読み出すとサポートしているトリガと、現在有効のトリガが表示されます。 []
が付いているものが現在のトリガです。
以下のコマンドを実行すると、LEDが2秒点灯、1秒消灯を繰り返します。
CON10は機能拡張用のインターフェースです。複数の機能(マルチプレクス)を持つ、 i.MX 8ULP の信号線が接続されており、GPIO、UART、I2C、CAN、PWM等の機能を拡張することができます。
また、外部からの電源制御用にONOFF信号も接続されており、Armadillo-IoT ゲートウェイ A9Eのアクティブモードとシャットダウンモードを切り替えることが可能です。
表3.40 CON10 搭載コネクタと対向コネクタ例
名称 | 型番 | メーカー | 備考 |
---|
搭載コネクタ | 61303421121 | Würth Elektronik | 許容電流 3A(端子1本あたり) |
対向コネクタ | 61303421821 | Würth Elektronik | - |
表3.41 CON10 信号配列
ピン番号 | ピン名 | I/O | 説明 |
---|
1 | VIN | Power | 電源出力(VIN) |
2 | VIN | Power | 電源出力(VIN) |
3 | GND | Power | 電源(GND) |
4 | GND | Power | 電源(GND) |
5 | VDD_5V | Power | 電源出力(VDD_5V) |
6 | USB1_2_DP | Power | USB1_2のプラス側信号、USB Hub経由でi.MX 8ULPのUSB1_DPピンに接続 |
7 | GND | Power | 電源(GND) |
8 | USB1_2_DN | Power | USB1_2のマイナス側信号、USB Hub経由でi.MX 8ULPのUSB1_DMピンに接続 |
9 | ONOFF | In | ONOFF信号[](VDD_VBAT18)、i.MX 8ULPのONOFFピンに接続、基板上で100kΩプルアップ(VDD_VBAT18) |
10 | VDD_1V8 | Power | 電源出力(VDD_1V8) |
11 | PTC13 | In/Out | 拡張入出力(1.8V)、i.MX 8ULPのPTC13ピンに接続 |
12 | I2C7_SCL | In/Out | 拡張入出力(1.8V)、i.MX 8ULPのPTF4ピンに接続、基板上で4.7kΩプルアップ(VDD_1V8) |
13 | PTC14 | In/Out | 拡張入出力(1.8V)、i.MX 8ULPのPTC14ピンに接続 |
14 | I2C7_SDA | In/Out | 拡張入出力(1.8V)、i.MX 8ULPのPTF5ピンに接続、基板上で4.7kΩプルアップ(VDD_1V8) |
15 | PTC15 | In/Out | 拡張入出力(1.8V)、i.MX 8ULPのPTC15ピンに接続 |
16 | PTF6 | In/Out | 拡張入出力(1.8V)、i.MX 8ULPのPTF6ピンに接続 |
17 | PTC16 | In/Out | 拡張入出力(1.8V)、i.MX 8ULPのPTC16ピンに接続 |
18 | PTF7 | In/Out | 拡張入出力(1.8V)、i.MX 8ULPのPTF7ピンに接続 |
19 | PTC17 | In/Out | 拡張入出力(1.8V)、i.MX 8ULPのPTC17ピンに接続 |
20 | PTC20 | In/Out | 拡張入出力(1.8V)、i.MX 8ULPのPTC20ピンに接続 |
21 | PTC18 | In/Out | 拡張入出力(1.8V)、i.MX 8ULPのPTC18ピンに接続 |
22 | PTC21 | In/Out | 拡張入出力(1.8V)、i.MX 8ULPのPTC21ピンに接続 |
23 | PTC19 | In/Out | 拡張入出力(1.8V)、i.MX 8ULPのPTC19ピンに接続 |
24 | PTC22 | In/Out | 拡張入出力(1.8V)、i.MX 8ULPのPTC22ピンに接続 |
25 | PTA8 | In/Out | 拡張入出力(1.8V)、i.MX 8ULPのPTA8ピンに接続 |
26 | PTC23 | In/Out | 拡張入出力(1.8V)、i.MX 8ULPのPTC23ピンに接続 |
27 | PTA9 | In/Out | 拡張入出力(1.8V)、i.MX 8ULPのPTA9ピンに接続 |
28 | PTA11 | In/Out | 拡張入出力(1.8V)、i.MX 8ULPのPTA11ピンに接続 |
29 | PTA10 | In/Out | 拡張入出力(1.8V)、i.MX 8ULPのPTA10ピンに接続 |
30 | PTA12 | In/Out | 拡張入出力(1.8V)、i.MX 8ULPのPTA12ピンに接続 |
31 | GND | Power | 電源(GND) |
32 | PTA13 | In/Out | 拡張入出力(1.8V)、i.MX 8ULPのPTA13ピンに接続 |
33 | VDD_3V3 | Power | 電源出力(VDD_3V3) |
34 | PTA14 | In/Out | 拡張入出力(1.8V)、i.MX 8ULPのPTA14ピンに接続 |
拡張基板の設計に関しては、「拡張基板の設計」も参照ください。
CON1 と CON3 の一部は電源入力用のインターフェースです。
-
インターフェース仕様(CON1)
CON1 には DC ジャックが実装されており、図3.130「ACアダプタの極性マーク」と同じ極性マークのあるACアダプタが使用できます。
対応プラグは内径2.1mm、外形5.5mmのものとなります。
-
インターフェース仕様(CON3:電源入力)
端子台を実装しています。
接続可能な電線については、表3.43「CON3 接続可能な電線」をご確認ください。
表3.42 電源入力関連 CON3 信号配列
ピン番号 | ピン名 | I/O | 説明 |
---|
11 | VIN | Power | 電源入力(+) |
12 | GND | Power | 電源入力(GND) |
表3.43 CON3 接続可能な電線
規格 | UL | IEC |
電線範囲 | 26~18 AWG | 0.12~0.9mm2 |
被覆剥き長さ | 5~6mm |
使用可能フェルール端子 | 型番 : MFL25-5BE
メーカー:ミスミ |
推奨ねじ締めトルク | 0.2Nm [] |
![[警告]](images/warning.png) | |
---|
振動や衝撃のある場所に設置された場合、端子ねじが緩む事がありますので、定期的な増し締めを行ってください。 |
![[警告]](images/warning.png) | |
---|
電線の先端に予備半田しないでください。正しい接続ができなくなります。 |
![[警告]](images/warning.png) | |
---|
端子台に電線を接続する際、端子台に過度な力を加えないでください。
端子台が破損する恐れがあります。 |
![[警告]](images/warning.png) | |
---|
CON1、CON3の電源ライン(VIN)は接続されており、同時に電源を供給することはできません。 |
![[警告]](images/warning.png) | |
---|
CON1から電源供給する場合、ACアダプタのDCプラグをDCジャックに接続してから、ACプラグをコンセントに挿してください。 |
![[警告]](images/warning.png) | |
---|
電源を再投入する際は、コンデンサに蓄えられた電荷を抜くため、電源を切断後、一定時間以上待つ必要があります。
開発セット付属のACアダプタの場合に必要な時間は以下のとおりです。 -
DCプラグ側で電源を切断した場合 : 約2分
-
ACプラグ側で電源を切断した場合 : 約3分
コンデンサに蓄えられた電荷が抜ける前に電源を再投入した場合、
電源シーケンスが守られず、起動しない等の動作不具合の原因となります。 |
ここでは、Wi-SUN デバイスが UART で接続されている場合の例を示します。
この場合、コンテナ内で動作するアプリケーションから Wi-SUN デバイスで通信を行うためには、
Podman のイメージからコンテナを作成する際にホスト OS 側のデバイスファイル /dev/ttLPN または /dev/ttyrpmsgN のうち、
Wi-SUN と対応するものを渡す必要があります。
以下は、/dev/ttyLP2 を渡して alpine イメージからコンテナを作成する例です。
コンテナ内から、/dev/ttyLP2 を使って Wi-SUN データの送受信ができるようになります。
ここでは、EnOcean デバイスが UART で接続されている場合の例を示します。
この場合、コンテナ内で動作するアプリケーションから EnOcean デバイスで通信を行うためには、
Podman のイメージからコンテナを作成する際にホスト OS 側のデバイスファイル /dev/ttLPN または /dev/ttyrpmsgN のうち、
EnOcean と対応するものを渡す必要があります。
以下は、/dev/ttyLP2 を渡して alpine イメージからコンテナを作成する例です。
コンテナ内から、/dev/ttyLP2 を使って EnOcean データの送受信ができるようになります。
Armadilloに入力されている電圧を監視することができます。
バッテリー駆動時などは、入力電圧を監視することで、電源の残量や電圧低下を監視し、システムの安全な動作や電源管理に役立てることができます。
![[注記]](images/note.png) | |
---|
ただし、センシングする箇所は電源回路に接続されたダイオードの後ろ側です。
そのため、DCジャックに入る電圧の値よりも数 100 mV 程度だけ降下した電圧の値を取得することになります。
この電圧降下は処理の負荷具合や各インターフェースから流れ出る電流値によって変動します。 監視する電圧に閾値などを設定する場合は、この電圧降下の分を考慮してください。 |
コンテナ内で動作するアプリケーションから入力電圧を監視するには、
Podmanのイメージからコンテナを作成する際に、ABOS上の /sys
ディレクトリを渡します。
alpineベースのコンテナを作成し、その中で入力電圧を計測する例を紹介します。
/etc/atmark/containers/vin_example.conf
というファイルを以下の内容で作成し、コンテナを起動します。
ここでは、 /sys
ディレクトリを渡します。 /sys
ディレクトリは、コンテナ内の /sys
にマウントされます。
コンテナ内に入り、該当するデバイスのパスを探します。
/sys/bus/iio/devices/iio:deviceX/label
が vin
と設定されているデバイスがA/Dコンバータのパスになります。
X[X=0,1,2...]
はデバイスの認識順序で変化することがありますので、Armadillo起動後に label
を確認して判別してください。
iio:device0
の label
が vin
の場合、以下のように確認できます。
/sys/bus/iio/devices/iio:deviceX/in_voltage0_raw
が電圧値、 /sys/bus/iio/devices/iio:deviceX/in_voltage0_scale
が分解能です。
raw
を取得することで、現在の電圧値を取得できます。
scale
を取得することで、分解能を取得できます。
入力電圧の値は図3.137「入力電圧監視計算式」の式で計算できます。raw
と scale
の値が上記の場合、約 12,083 mV となります。
Armadillo-IoT ゲートウェイ A9E を用いた製品のソフトウェア設計は、一般的な組み込み開発と基本的には変わりません。
しかし、 Armadillo Base OS という独自OSを搭載しているため、ソフトウェアの設計には特有のポイントがいくつかあります。
本章では、それらの設計時に考慮すべき Armadillo Base OS 特有のポイントについて紹介していきます。
3.7.1. 開発者が開発するもの、開発しなくていいもの
Armadillo Base OS では、組み込み機器において必要になる様々な機能を標準で搭載しています。
図3.138「開発者が開発するもの、開発しなくていいもの」と図3.139「ゲートウェイコンテナ使用時、開発者が開発するもの、開発しなくていいもの」は、 Armadillo Base OS 搭載製品において、開発者が開発するものと開発しなくていいものをまとめた図です。
開発しなくていいものについては設計を考える必要はありません。
開発するものに絞って設計を進めることができます。
![[ティップ]](images/tip.png) | |
---|
拡張ボードを追加するためにデバイスツリーのカスタマイズが必要となる場合は、デバイスツリー(dtbo)の追加が必要となります。 使用するデバイスによっては、Linux カーネルドライバの追加が必要となり、Linux カーネルのカスタマイズが必要となります。 |
Armadillo Base OSでは基本的にユーザーアプリケーションを Podman コンテナ上で実行します。
そのため、実行環境として Armadillo Base OS を意識する必要はありません。
Podmanは、同じくコンテナを扱えるソフトウェアである Docker と基本的に互換性があります。
アットマークテクノでは、アットマークテクノが提供する Debian GNU/Linux ベースのコンテナイメージを提供しておりますが、それ以外のlink:Docker Hub などから使い慣れたディストリビューションのコンテナイメージを取得して開発することができます。
また Armadillo-IoT ゲートウェイ A9E では、ゲートウェイコンテナというコンテナイメージを用意しています。必要な機能がゲートウェイコンテナに全て含まれているのであれば、ゲートウェイコンテナのインストールと、VS Code にて設定を実施して Armadillo にインストールするだけでクラウドへの計測データーの送信や Armadillo の簡易な制御が可能となります。
ゲートウェイコンテナの概要については「ゲートウェイコンテナの概要」をご参照ください。
アプリケーションが出力するユーザーデータで保存が必要なものは、「電源を切っても保持されるディレクトリ(ユーザーデータディレクトリ)」にも記載があるとおり、 /var/app/volumes/ 以下に配置してください。
色々な場所にデータが保存されていますと Armadillo-IoT ゲートウェイ A9E の初期化を行う際に削除の処理が煩雑になりますので、 /var/app/volumes/ 以下に集約してください。
3.7.2.3. LTE 通信を使用する場合に考慮すべきこと
LTE 通信は、周辺の状況や工事などによって長時間通信ができなくなる可能性があります。そのため、クラウドやサーバーへ送信すべきデーターを即時に送信できない可能性があります。
データーの再送処理や動作しているコンテナ内にキャッシュする処理を実装して、上記状況に備えてください。
Armadillo-IoT ゲートウェイ A9E は、バッテリー駆動などで必要となる、省電力・間欠動作での動作を行う為の制御を用意しております。
必要があれば、どのタイミングでスリープ・シャットダウンモードへ遷移するか、なにをトリガーとして起床するかを設計します。
次の章「間欠動作モード・起床条件と状態遷移図」にて、省電力・間欠動作の起床条件・状態遷移を説明します。詳細な使用方法は「省電力・間欠動作機能を使う」に記載しております。
3.7.3.1. 間欠動作モード・起床条件と状態遷移図
Armadillo-IoT ゲートウェイ A9E の動作モード・起床条件と状態遷移を図3.140「状態遷移図」に示します。また、動作モード毎のデバイス状態を表3.44「動作モード別デバイス状態」に示します。
表3.44 動作モード別デバイス状態
動作モード | CPU | LTE モジュール | LED | 有線 LAN | USB, RS-485 など |
---|
アクティブ | 動作 | 通信 | 動作 | 動作 | 通電 |
シャットダウン | 停止 | 停止 | 消灯 | 停止 | 停止 |
スリープ | suspend-to-RAM | 動作 [] | 消灯 | 停止 | 通電 |
スリープ(SMS 起床可能) | suspend-to-RAM | 動作 [] | 消灯 | 停止 | 通電 |
次に、各動作モードと利用することのできる起床条件について説明します。
「CPU:動作」、「LTE:動作」 状態のモードです。
Armadillo-IoT ゲートウェイ A9Eの電源投入後Linuxカーネルが起動し、まずはアクティブモードに遷移します。
任意のアプリケーションの実行や、外部センサー・デバイスの制御、LTEやEthernetでの通信が可能ですが、最も電力を消費するモードです。
アクティブモードの時間をより短くすることで、消費電力を押さえることができます。
「CPU:停止」、「LTE:停止」の状態であり最も消費電力を抑えることのできるモードです。
その反面、CPUを停止させ、Linuxカーネルをシャットダウンしている状態であるため、アクティブモードに遷移する場合はLinuxカーネルの起動分の時間がかかります。
シャットダウンモードからアクティブモードに遷移するには、RTCのアラーム割り込みを使用するか、一度電源を切断・再接続を行う必要があります。
「CPU:待機」、「LTE:停止」 状態のモードです。
CPU(i.MX 8ULP)はパワーマネジメントのSuspend-to-RAM状態になり、LinuxカーネルはPauseの状態になります。
シャットダウンモードと比較すると消費電力は高いですが、Linuxカーネルの起動は不要であるため数秒程度でアクティブモードに遷移が可能です。
ユーザスイッチの投下、RTCアラーム割り込み、GPIO割り込み、USBデバイスの接続、UARTによるデータ受信、によってアクティブモードへの遷移ができます。
![[警告]](images/warning.png) | |
---|
Cat.1 bis モデルで LTE 接続中にスリープモードをご利用になる場合、スリープモードからアクティブモードへ遷移するタイミングで ping による LTE 通信の導通確認を実施します。 ping 導通確認先の IP アドレスは以下の順序・ルールで決定します。「LTE再接続サービス」 で使用している設定ファイルを参照しています。 -
/etc/atmark/connection-recover.conf が存在してファイル内に PING_DEST_IP があれば、この値を使用します。
-
存在しない場合は、8.8.8.8 を導通先として使用します。
|
3.7.3.6. スリープ(SMS 起床可能)モード
「CPU:待機」、「LTE:待機」 状態のモードです。
スリープモードとの違いは、SMSの受信によって、アクティブモードへの遷移も可能である点です。
LTE:待機(PSM)の状態であるため、スリープモードよりも電力を消費します。
ユーザーアプリケーションのログは、不具合発生時の原因究明の一助になるため必ず残しておくことを推奨します。
ユーザーアプリケーションが出力するログは、「電源を切っても保持されるディレクトリ(ユーザーデータディレクトリ)」にも記載があるとおり、 /var/app/volumes/ 以下に配置するのが良いです。
コンテナの中から /var/app/volumes/ ディレクトリにアクセスすることになります。
手順についての詳細は実際に開発を行う箇所にて紹介します。
Ethernet、LTE、Bluetooth®、WLANなどの無線系のログ
一般に不具合発生時によく疑われる箇所なので、最低でも接続・切断情報などのログを残しておくことをおすすめします。
ソフトウェアのバージョン
/etc/sw-versions というファイルが Armadillo Base OS 上に存在します。
これは、 SWUpdate に管理されている各ソフトウェアのバージョンが記録されているファイルです。
このファイルの内容をログに含めておくことで、当時のバージョンを記録することができます。
A/B 面どちらであったか
アップデート後になにか不具合があって、自動的にロールバックしてしまう場合があります。
後でログを確認する際に、当時 A/B 面どちらであったかで環境が大きく変わってしまい解析に時間がかかる場合があるので、どちらの面で動作していたかをログに残しておくことをおすすめします。
図3.141「現在の面の確認方法」に示すコマンドを実行することで、現在 A/B どちらの面で起動しているかを確認できます。
|
この実行結果から今の面は/dev/mmcblk0p1であることが分かります。
|
Armadillo-IoT ゲートウェイ A9Eのウォッチドッグタイマーは、i.MX 8ULPのWDOG(Watchdog Timer)を利用しています。
ウォッチドッグタイマーは、U-Boot によって有効化されます。標準状態でタイムアウト時間は10秒に設定されます。
何らかの要因でウォッチドッグタイマーのキックができなくなりタイムアウトすると、システムリセットが発生します。
ウォッチドッグタイマーの設定変更は、ioctlシステムコール経由で行うことができます。詳細な情報については、Linux カーネルのソースコードに含まれているドキュメント(Documentation/watchdog/watchdog-api.rst)を参照してください。
![[ティップ]](images/tip.png) | |
---|
ウォッチドッグタイマーを停止することはできません。 |
3.7.6. コンテナに Armadillo の情報を渡す方法
Armadillo Base OS からコンテナに環境変数として情報を渡すためにコンテナ起動設定ファイルを使用します。
コンテナ起動設定ファイル(conf ファイル)に関しては「コンテナ起動設定ファイルを作成する」を参照してください。
アットマークテクノが提供する情報を環境変数として渡す
コンテナ起動設定ファイルに add_armadillo_env
を使用してください。
アットマークテクノが設定した LAN1(eth0)の MACアドレス、個体番号などの Armadillo の情報を環境変数としてコンテナに渡します。
add_armadillo_env
については「個体識別情報の環境変数の追加」を参照してください。
任意の情報を環境変数として渡す
コンテナ起動設定ファイルに add_args
を使用してください。
add_args
については「podman run
に引数を渡す設定」を参照してください。
add_args
を下記のように使用することでコンテナに環境変数として情報を渡すことができます。
|
シェルコマンドの出力を環境変数に代入する場合は <値> として $(シェルコマンド) を使用してください。
|
add_args --env
の例を示します。
これにより、コンテナ内の環境変数 MY_ENV
に文字列 my_value
が設定されます。
3.7.7. Armadillo Base OS のデフォルトで開放しているポート
Armadillo Base OS では表3.45「Armadillo Base OS のデフォルトで開放しているポート」に示すポートをデフォルトで開放しています。
表3.45 Armadillo Base OS のデフォルトで開放しているポート
ポート番号 | プロトコル | 使用目的 |
---|
58080 | TCP | ABOS Web |
5353 | UDP | avahi(mDNS) |
使用していないポートを開放することは攻撃の標的になります。
使用しないサービスを停止しポートを閉じてください。
ABOS Web のサービスを停止する方法は「ABOS Web を停止する」を、起動する方法は「ABOS Web を起動する」を参照してください。
図3.144「avahi-daemon を停止する」に avahi のサービスを停止する方法を示します。
|
OpenRC に avahi のサービスが登録されていることを確認します。
|
|
avahi のサービスが起動していることを確認します。
|
|
avahi のサービスを停止します。
|
|
サービスを管理している OpenRC から avahi のサービスの登録を解除します。
|
|
サービス設定ファイルの削除を永続化します。
|
図3.145「avahi-daemon を起動する」に avahi サービスを起動する方法を示します。
|
OpenRC に avahi のサービスが登録されていないことを確認します。
|
|
サービスを管理している OpenRC に avahi のサービスを登録します。
|
|
avahi のサービスを起動します。
|
|
サービス設定ファイルを永続化します。
|
必要であれば、 Armadillo のネットワークの設定を行います。
Armadillo Base OS(以降、 ABOS) には、 Armadillo と作業用 PC が同一 LAN 内に存在していれば Web ブラウザからネットワークの設定や、 SWU イメージのインストールなどを行うことが可能となる、 ABOS Web という機能があります。
この機能は、バージョン v3.17.4-at.7 以降の ABOS に標準で組み込まれています。
現在、ネットワークに関して ABOS Web で設定できるのは以下のものです。
-
WWAN設定
-
WLAN設定
-
各接続設定(各ネットワークインターフェースの設定)
-
DHCPサーバー設定
-
NAT設定
-
VPN設定
![[注記]](images/note.png) | バージョン v3.17.4-at.7 以前から ABOS をアップデートした場合の注意 |
---|
バージョン v3.17.4-at.7 以前からこのバージョン以降へ ABOS をアップデートすると、
avahi サービスが新しく追加されます。
ABOS Web にアクセスできるようにするためには、この avahi サービスが自動起動するように設定を変更する必要があります。
そのため、以下の手順にしたがって設定を変更してください。
(新しく追加されたサービスが自動起動することによる悪影響を防ぐため、アップデート直後では avahi サービスは自動起動しない設定になっています。) [armadillo ~]# rc-update add avahi-daemon
[armadillo ~]# rc-service avahi-daemon start
[armadillo ~]# persist_file /etc/runlevels/default/avahi-daemon |
![[注記]](images/note.png) | バージョン 4.13 以前の mkswu を使用した場合の注意 |
---|
バージョン v3.17.4-at.7 以降の ABOS に、バージョン 4.13 以前の mkswu の mkswu --init で作成した initial_setup.swu を
インストールした場合、 ABOS Web にパスワードが設定されていないため自動起動しません。
そのため、以下の手順にしたがって ABOS Web のパスワードを設定してください。 [armadillo ~]# passwd abos-web-admin
[armadillo ~]# persist_file /etc/shadow
[armadillo ~]# rc-service abos-web restart |
LTE モジュールを搭載した Armadillo をお使いで、LTE モジュールによる WWAN 接続でインターネットにアクセスする場合に、Armadillo に LAN で接続した機器から Armadillo をルーターとして利用したい場合には、NAT設定機能が役に立つでしょう。
LTE モジュールによる WWAN 通信でクラウドサービスに接続し、WLAN や LAN で接続した機器から集めたデータをクラウドサービスに転送したり、それらの機器を、クラウドサービスから Armadillo 経由で遠隔制御するようなシステムを構成する場合にご利用ください。
以下では、 ABOS Web を利用した各種ネットワーク設定の方法について紹介します。
Armadillo と PC を有線 LAN で接続し、Armadillo の電源を入れて PC で Web ブラウザを起動した後、Web ブラウザのアドレスバーに次の URL を入力してください: https://armadillo.local:58080
ABOS Web は、初期状態では同一サブネットのネットワークのみアクセス可能です。
サブネット外からのアクセスを許可したい場合は、 /etc/atmark/abos_web/init.conf
を作成し、ABOS Web のサービスを再起動してください。
以下の例ではコンテナとループバックからのアクセスのみを許可します:
[armadillo ~]# vi /etc/atmark/abos_web/init.conf
command_args="--allowed-subnets '10.88.0.0/16 127.0.0.0/8 ::1/128'"
[armadillo ~]# persist_file -v /etc/atmark/abos_web/init.conf
'/mnt/etc/atmark/abos_web/init.conf' -> '/target/etc/atmark/abos_web/init.conf'
[armadillo ~]# rc-service abos-web restart
![[注記]](images/note.png) | |
---|
ABOS Web が動作する Armadillo が、同じ LAN 上に複数あると、ABOS Web に接続する URL のホスト名部分(armadillo.local)は、2台めでは armadillo-2.local、3台めでは armadillo-3.local のように、違うものが自動的に割り当てられます。
どのホスト名が、どの Armadillo のものなのかを判別するのが難しいので、複数台の Armadillo で同時に ABOS Web を動かすときは、LAN に固定 IP アドレスを設定して、IP アドレスで指定できるようにするのがよいでしょう。 また、VS Code 上で ABOSDE(Armadillo Base OS Development Environment) から、
ABOS Web が動作している Armadillo の一覧を確認し、
指定した Armadillo の ABOS Web を Web ブラウザ で開くことが出来ます。
ただし、ATDE のネットワークを NAT に設定している場合は Armadillo がリストに表示されません。 図3.146「ABOSDE で ローカルネットワーク上の Armadillo をスキャンする」 の赤枠で囲われているボタンをクリックすることで、
ローカルネットワーク上で ABOS Web が実行されている Armadillo をスキャンすることができます。
図3.147「ABOSDE を使用して ABOS Web を開く」 の赤枠で囲われているマークをクリックすることで、
ABOS Web を Web ブラウザで開くことができます。
図3.148「ABOSDE に表示されている Armadillo を更新する」 の赤枠で囲われているマークをクリックすることで、ABOSDE に表示されている Armadillo を更新することができます。
|
「initial_setup.swu
の作成」で ABOS Web のログイン用パスワードを設定していない場合、 ABOS Web 初回ログイン時に、 "初回ログイン"のパスワード登録画面が表示されますので、パスワードを設定してください。
"初回ログイン"のパスワード登録画面で、"パスワード" フィールドと "パスワード(確認)" フィールドに、登録したいパスワードを入力してから、"登録" ボタンをクリックしてください。
パスワード登録完了画面が表示されたら、パスワード登録の完了です。
パスワード登録完了画面にある "ログインページ" というリンクをクリックすると、ログイン画面が表示されますので、先ほど登録したパスワードを入力して "ログイン" ボタンをクリックしてください。
ABOS Web に対応した Armadillo が正常に起動していれば、Web ブラウザに ABOS Web のログイン画面が表示されます。
ログイン画面で ABOS Web のパスワードを入力して認証されれば、ABOS Web の設定画面に表示が変わり、設定操作を行うことができます。
登録した ABOS Web のログイン用パスワードは「設定管理」画面から変更することができます。
トップページから「設定管理」をクリックすると、移動した先に「パスワード変更」画面が表示されますので、
現在のパスワードと変更後のパスワードを入力して登録ボタンをクリックしてください。
「パスワードリセット」画面では、ABOS Web のパスワードをリセットすることができます。
リセットを行うと、次回、ABOS Web にログインする際にパスワードの再設定を求められます。
ABOS Web で Armadillo の動作設定を行うには、ログイン後に表示されるトップページで、設定したい機能へのリンクをクリックしてください。
リンクをクリックすると、リンク先の設定画面が表示されますので、設定画面で、現在の設定内容の確認や設定変更を行ってください。
現在の設定内容を確認するには、"各接続設定"をクリックしてください。
各機能の設定ページへのリンクは、それぞれの設定ページでも、左端にサイドメニュー形式で表示されます。
以後、サイドメニュー形式で表示されたリンクをクリックすることを、「サイドメニューから xxx を選択する」と表記します。
ログイン後に表示されるトップページと、それぞれの設定ページには、左端のサイドメニューに加え、上端右側に、現在の接続状態が表示されます。
現在の接続状態は、WWAN、WLAN、LAN、のそれぞれについて表示されます。
WWAN と WLAN は、それらの通信モジュールが Armadillo に搭載されていなければ、表示されません。
ABOS Web で必要なセットアップを行なったら、サイドメニューから "ログアウト" を選択してログアウトしてください。
ログアウトすると、ログイン画面が再び表示されますので、ABOS Web をすぐに使わないのであれば、Web ブラウザを閉じてください。
LTE をはじめとする WWAN 通信モジュールを搭載した Armadillo の、WWAN 設定を行います。
この設定画面では、WWAN 接続設定の登録と、WWAN 接続の状態(現在のアドレス情報)の表示、登録済み WWAN 接続設定の編集と削除を行うことができます。
設定項目のうち、"MCC/MNC" は、通常は空欄にしてください。
MCC/MNC 以外の項目を正しく設定しても WWAN 通信が動作しない場合、特に SIM カードがマルチキャリア SIM の場合は、ご契約の通信事業者に MCC/MNM を問い合わせ、通信事業者から提示された MCC/MNC の値を設定してください。
それぞれの入力フィールドに設定値を入力して "接続して保存" ボタンをクリックすると、WWAN 接続の設定を登録して、WWAN 接続動作を実行します。
WWAN 通信設定が行われ、ネットワーク接続が確立した状態では、割当たっている IP アドレスなどを "現在のWWAN接続情報" に表示します。
図3.154「WWAN設定画面」に、WWAN 設定を行った状態を示します。
![[ティップ]](images/tip.png) | |
---|
ABOS Web のバージョン 1.3.3 以降では「IPv6 設定」を選択することができます。
使用する SIM によっては IPv6 が有効だと接続できず、無効にすると接続できることがあります。
その場合は、この設定を「使用しない」に設定して接続してください。 |
![[警告]](images/warning.png) | |
---|
閉域 LTE 網を使用する料金プランをご契約で本サービスをご利用になられる際の注意点。 「LTE再接続サービス」をご利用になられる場合、コネクション状態確認時 PING 送付先の初期値は 8.8.8.8 ですが、この IP アドレスに対して ping 導通ができない場合、ping 導通が可能となる IP アドレスを指定する必要があります。
設定方法は、「LTE再接続サービス」を参照ください。 |
![[ティップ]](images/tip.png) | |
---|
「LTE再接続サービス」が動作している状態で WWAN を切断した場合、LTE 再接続サービスにより再度接続を試み、接続可能であれば接続状態へ戻ります。 「LTE再接続サービス」が動作している状態で WWAN が切断した状態を継続したい場合は、WWAN の設定を削除してください。 |
無線 LAN モジュールを搭載した Armadillo の、WLAN(無線 LAN)設定を行います。
この設定画面では、WLAN クライアント(子機)としての設定または、WLAN アクセスポイントとしての設定を行うことができます。
クライアントとアクセスポイントのどちらか一方について、接続設定の登録と接続の状態の表示、登録済み設定の削除を行なえます。
クライアントとアクセスポイントのどちらに設定するかは、"動作モード選択"欄で指定します。
クライアント設定とアクセスポイント設定の、それぞれについて、以下に説明します。
3.8.8.1. WLAN 設定(クライアントとしての設定)
"動作モード選択"欄で"クライアントとして使用する"を選択すると、クライアント設定画面が表示されます。
もしアクセスポイントに設定済みの場合は、アクセスポイントの設定を削除してください。
そうしないと、動作モードをクライアントに切り替えることができません。
設定項目のうち、ネットワーク名(SSID) は、リストから選択してください。
WLAN アクセスポイントを Armadillo が何も検出できない場合は、このリストが空になります。
セキュリティ方式も、リストから選択してください。
DHCP と 固定 は、DHCP を選択すると DHCP サーバーから IP アドレスを取得します。
固定 を選択すると、固定 IP アドレス設定用の入力フィールドを表示します。
それぞれの入力フィールドに設定値を入力して "接続して保存" ボタンをクリックすると、WLAN クライアント設定を登録して、WLAN 接続動作を実行します。
WLAN 接続設定が行われ、WLAN 接続が確立した状態では、割当たっている IP アドレスなどを "現在のWLAN接続情報" に表示します。
ABOS-WEB上では複数のネットワーク設定を保存することが可能です。
設定項目のうちにネットワーク情報を入力した後、 "保存" ボタンをクリックすると、入力した内容の登録のみを行い、接続は行いません。
登録した設定の一覧は WLAN ページの中央にあるリストに表示されます。
このリストでは WLAN 設定の接続/編集/削除を行うことができます。
保存した設定に接続先を変更したい場合はリストから選択して、"接続" ボタンをクリックしてください。
保存した設定を編集したい場合はリストから選択して、"設定を編集" ボタンをクリックしてください。
保存した設定を削除したい場合はリストから選択して、"設定を削除" ボタンをクリックしてください。
図3.155「WLAN クライアント設定画面」に、WLAN クライアント設定を行った状態を示します。
登録済み WLAN クライアント設定を削除して、WLAN アクセスポイントとの接続を切断するには、"設定を削除" ボタンをクリックしてください。
3.8.8.2. WLAN 設定(アクセスポイントとしての設定)
"動作モード選択"欄で"アクセスポイントとして使用する"を選択すると、アクセスポイント設定画面が表示されます。
もしクライアントに設定済みの場合は、クライアントの設定を削除してください。
そうしないと、動作モードをアクセスポイントに切り替えることができません。
設定項目のうち、ブリッジアドレス は、WLAN アクセスポイントに割り当てる IP アドレスを入力してください。
サブネットマスク は、アクセスポイントのサブネットのものを入力してください。
使用周波数は、5GHz と 2.4GHz のうち使用するものを選択してください。
両方の周波数を同時に使用することはできません。
使用チャンネルは、リストから選択してください。
SSID と パスワード に入力した値は、アクセスポイントに設定した Armadillo に WLAN 子機を接続する際に使用します。
それぞれの入力フィールドに設定値を入力して "設定" ボタンをクリックすると、WLAN アクセスポイント設定を登録して、WLAN アクセスポイント動作を開始します。
WLAN アクセスポイント設定が行われ、アクセスポイント動作中の状態では、"現在のアクセスポイント情報" に設定内容を表示します。
図3.156「WLAN アクセスポイント設定画面」に、WLAN アクセスポイント設定を行った状態を示します。
![[ティップ]](images/tip.png) | |
---|
アクセスポイントモードのセキュリティ方式は、WPA2 を使用します。 |
3.8.9. 各接続設定(各ネットワークインターフェースの設定)
設定されたネットワーク接続の一覧を表示します。表示した接続のそれぞれについて、接続の有効化(「接続」)や無効化(「切断」)、および接続設定内容の編集や削除を行うことができます。
接続の操作を行う時は、操作したい接続をラジオボタンで選択してください。
ここで、「ネットワーク接続」は、Linux のネットワーク接続管理機能(NetworkManager)が管理するコネクションです。
ネットワーク接続に対する設定項目の詳細は、NetworkManager のリファレンス( https://networkmanager.dev/docs/api/latest/nmcli.html )をご覧ください。
接続設定内容を編集したい接続を選択して "設定を編集" ボタンをクリックすると、設定内容の編集画面を表示します。
LAN の接続以外、つまり、WWANと WLAN の接続に対する設定は、"WWAN設定" や "WLAN設定" の設定画面をお使いいただくのが簡単です。
それぞれの接続設定画面では、IPv4 と IPv6 のそれぞれについて、IP アドレスを自動割り当てするかまたは固定 IP アドレスにするかを選択して設定できます。
IP アドレスの割り当ては、デフォルトでは自動割り当てです。
Armadillo を接続した LAN や WLAN で、Armadillo を DHCP サーバーとして運用する場合は、それらのネットワーク接続を固定 IP アドレスに設定してください。
LAN 接続の接続名は、デフォルトでは "Wired connection 1" です。
LAN ポートを二つ搭載した Armadillo では、二つめの LAN ポートに対応する "Wired connection 2" も有効です。
Armadillo を LAN と WWAN との間で IPv4 ルーターとして運用する場合は、LAN 接続の設定で IPv4 アドレスを固定 IP アドレスに設定して下さい。
図3.158「LAN 接続設定で固定 IP アドレスに設定した画面」に、LAN 接続の設定編集画面で固定 IP アドレスに設定した状態を示します。
WWAN 接続の接続名は、デフォルトでは "gsm-ttyCommModem" です。
WLAN 接続の接続名は、デフォルトでは、クライアントモードが "abos_web_wlan"、アクセスポイントモードが "abos_web_br_ap" です。
ネットワークインターフェースごとに、接続したネットワーク上で Armadillo を DHCP サーバーとして動作させる設定を行うことができます。
接続済みの DHCP サーバー情報を、画面上部の"現在のDHCP情報"に表示します。
DHCPサーバーの設定を登録する場合は、"DHCP情報入力"欄に設定内容を入力して"設定"ボタンをクリックしてください。
図3.159「eth0 に対する DHCP サーバー設定」に、一つめの LAN ポート(eth0)に対する設定を行った状態を示します。
たとえば、LAN ポートが二つある Armadillo で、それぞれの LAN ポートを異なる LAN に接続して、それぞれの LAN 上で Armadillo を DHCP サーバーとして運用する場合は、eth0 と eth1 に対して DHCP サーバー設定を行ってください。
DHCP サーバー設定を削除するには、"現在のDHCP情報"の一覧で削除したい設定を選択して、"削除"ボタンをクリックしてください。
この設定画面では、ルーター機能での宛先インターフェース設定と、Armadillo を接続した LAN 上の機器用のポートフォワーディング設定を行うことができます。
Armadillo を LAN や WLAN と WWAN との間でルーターとして運用する場合は、NAT設定の宛先インターフェースを WWAN のインターフェースに設定してください。
そして、LAN や WLAN 上の機器を、WWAN 接続したインターネットにサーバーとして公開したい場合は、ポートフォワーディング設定を使ってください。
Armadillo の VPN 接続設定を行います。
この設定画面では、認証方式や VPN クライアントの設定ファイル、認証用の証明書と鍵の設定を行うことができます。
VPN 接続を設定していれば、現在の接続状態も表示します。
現在の接続状態表示欄にある "接続" ボタンと "切断" ボタンで、VPN 接続の接続と切断を行なえます。
VPN クライアントは、現在 OpenVPN をサポートしています。
図3.162「VPN 設定」に、VPN 接続設定を行った状態を示します。
認証方式は、"ユーザ名とパスワード" と "証明書" のどちらか一方を選択できます。
認証方式が "証明書" の場合、.ovpn ファイルに証明書や鍵が埋め込まれていれば、それらのファイルを指定する必要はありません。
ABOS Web は、VPN 接続を設定する際に abos_web_openvpn という名前のコンテナを自動的に作成し、このコンテナで VPN クライアントを実行します。
VPN 接続動作を実行する時には、進行状況を示すログを表示します。
登録済み VPN 設定を削除して、VPN 接続を切断するには、"設定を削除" ボタンをクリックしてください。
各設定画面で行った設定の現在状態を、設定ごとに区切って一覧表示します。
IoT 機器において、悪意のある第三者が容易に悪用できる USB コネクタなどのインターフェースを外部に露出したままでの運用は、セキュリティ的な脆弱性に繋がります。
しかし、保守運用のために USB インターフェースを露出しておかなければならない場合や、機器として USB で接続する周辺デバイスがある場合など、全ての USB インターフェースを物理的に閉じておくことが難しいことも考えられます。
Armadillo Base OS は、 USB デバイスの許可リストを作成・管理し、許可リストにないデバイスが接続されても認識しないように設定できる USB 接続制御機能を持っています。
この機能を用いることで、悪意のある第三者が不正な USB デバイスを接続しても、システムに影響を与えません。
![[注記]](images/note.png) | |
---|
ABOS Web による USB 接続制御機能は、ABOS バージョン 3.21.3-at.12 以降で対応しています。 この機能について、CUI で実行したい場合は「不正な USB デバイスの接続を拒否する」をご参照ください。 |
![[注記]](images/note.png) | 工場出荷状態における USB 接続制御機能 |
---|
製品のセキュリティ向上のため、 ABOS バージョン
3.21.3-at.10
以降では、USB 接続制御機能がデフォルトで有効化されています。
デフォルトで接続が許可されている USB デバイスは次の通りです。 表3.46 デフォルトで許可されている USB デバイス デバイス名/デバイスクラス名 | 利用目的 |
---|
MassStorageクラス | SWUpdateで使用するため | Hubクラス | Armadillo内部で使用しているため | LTEモジュール(SIM7672G)(搭載している場合) | 製品として標準で搭載しているため |
開発中に追加で上記以外の USB デバイスを接続する場合は、以下の手順にしたがってデバイスの接続を許可してください。 |
ABOS Web では、Armadillo の USB 接続制御の設定を行うことができます。
ここでは、USB デバイスの許可リストを作成・管理し、許可リストにないデバイスが接続されても認識しないように設定できます。
この機能を用いることで、悪意のある第三者が不正な USB デバイスを接続しても、システムに影響を与えません。
図3.163「USB 接続制御の設定画面」に設定画面を示します。
一番上の「機能の状態」に現在の USB 接続制御機能が有効であるか(enabled)無効であるか(disabled)表示します。
有効である場合、「接続済みのUSBデバイス」、「許可済みのUSBデバイス」および「許可済みのUSBデバイスクラス」の欄が表示されます。
図3.164「接続済みの USB デバイス」に示すように、「接続済みのUSBデバイス」では、現在接続されている USB デバイスが一覧として表示されます。
"詳細表示" ボタンを押すと、図3.165「接続済み USB デバイスの詳細情報」に示す画面が表示されて、その USB デバイスに関するより詳細な情報が表示されます。
「可否」が allow である場合、その USB デバイスは接続が許可されています。
block の場合、図3.166「USB デバイスを許可する」に表示されている "許可" ボタンを押すことで allow に変更できます。
"許可" ボタンを押すと、図3.167「許可済み USB デバイス」に示すように「許可済みのUSBデバイス」の欄に許可ルールが追加されます。
「許可済みのUSBデバイス」に表示されているUSBデバイスは永続的に接続が許可されます。
図3.168「接続済みの個体と同じメーカー・製品の全ての個体を許可する」に示すように、「同じメーカー・製品の全ての個体を許可」のチェックボックスを選択した状態で "許可" ボタンを押すと、選択した USB デバイスと同じメーカー・製品であれば、どの個体であっても接続が許可されます。
その場合、図3.169「全ての個体を許可する場合の表示」に示すように、「許可済みの USB デバイス」の「全ての個体を許可」の欄に「✓」が表示されます。
図3.169「全ての個体を許可する場合の表示」に示すように、USB デバイスの許可ルールを選択した状態で "削除" ボタンを押すと、図3.170「許可ルールを削除する」に示す画面に遷移します。
確認画面が表示されて、問題なければ改めて "削除" のボタンを押すことでその許可ルールを削除できます。
その USB デバイスに関する許可ルールが削除されると永続的にその USB デバイスの接続は拒否されます。
「接続済みの USB デバイス」では、「可否」が block に変更されます。
図3.171「USB デバイスクラス」に表示されている「許可済みの USB デバイスクラス」では、許可する USB デバイスをデバイスクラス単位で設定することができます。
一覧に表示されている USB デバイスクラスは現在許可されているデバイスクラスです。
デバイスクラスを選択した後、"削除" ボタンを押すことでそのデバイスクラスの許可ルールを削除できます。
削除の手順は図3.170「許可ルールを削除する」と同様です。
"追加" ボタンを押すと、図3.172「USB デバイスクラスの追加」に示す画面が表示されます。
追加可能な USB デバイスクラスを選択し、"追加" ボタンを押してください。
ABOS Web では以下の要素についてお客様自身で用意したものを使用して
カスタマイズすることができます。
-
ロゴ画像
-
ヘッダロゴアイコン画像
-
ヘッダタイトル
-
製品型番
-
favicon 画像
-
背景色
-
メニューの表示名
ABOS Web をお客様の最終製品に組み込む場合、自社のロゴ画像に変更するといったような
使い方ができます。
カスタマイズは、「設定管理」で行うことができます。
![[注記]](images/note.png) | |
---|
カスタマイズは ABOS Web のバージョン 1.3.0 以降で対応しています。
製品型番のカスタマイズに関してはバージョン 1.10.0 以降で対応しています。 |
ロゴ画像
ログインページや新規パスワード設定画面で表示される画像です。
「ファイルを選択」をクリックしてアップロードしたい画像ファイルを選択してください。
フォーマットは PNG のみで、ファイルサイズは 3MB のものまでアップロードできます。
ヘッダロゴアイコン画像
画面左上に常に表示されている画像です。
「ファイルを選択」をクリックしてアップロードしたい画像ファイルを選択してください。
フォーマットは PNG のみで、ファイルサイズは 3MB のものまでアップロードできます。
ヘッダタイトル
画面左上に常に表示されている文字列です。24文字まで入力できます。
製品型番
設定するとヘッダタイトルの下に表示されます。
お客様の最終製品の型番を 24 文字まで入力できます。
favicon 画像
Web ブラウザのタブなどに小さく表示される画像です。
favicon 画像は以下の種類を favicon
ディレクトリに保存して、
favicon
ディレクトリごと zip 圧縮したものをアップロードしてください。
表3.47 用意する favicon 画像
ファイル名 | 縦横サイズ | 説明 |
---|
android-chrome-192x192.png | 192x192 | スマートフォンのホームに Web ページを追加した時に使用されます。 |
android-chrome-512x512.png | 512x512 | Web ページを開いた時のスプラッシュ画面に使用されます。 |
apple-touch-icon.png | 180x180 | スマートフォンのホームに Web ページを追加した時に使用されます。 |
favicon-16x16.png | 16x16 | Web ブラウザで使用されます。 |
favicon-32x32.png | 32x32 | Web ブラウザで使用されます。 |
mstile-150x150.png | 150x150 | Windows でスタート画面にピン止めしたときに使用されます。 |
背景色
5 種類の中から選択できます。
メニューの表示名
画面左にあるメニューの表示名を変更する、または非表示にすることができます。
「メニュー項目を変更する」をクリックし、変更用ページへ行ってください。
各メニュー項目名と説明を変更することができます。
項目名を空欄にするとそのメニューは非表示になります。
入力し終わったらページ下部の「メニューを設定」をクリックしてください。
画像やメニューの変更後、すぐに Web ブラウザ画面に反映されない場合は、
お使いの Web ブラウザの設定でキャッシュの削除を行ってください。
変更完了後は、「カスタマイズ機能を無効にする」をクリックするとカスタマイズ項目が非表示になり
それ以上カスタマイズできなくなります。お客様の最終製品に ABOS Web を組み込む場合に実行してください。
![[ティップ]](images/tip.png) | |
---|
Armadillo 内の /etc/atmark/abos_web/customize_disable ファイルを削除すると、
再びカスタマイズ項目が表示されるようになります。 |
3.11. ABOS Web から Armadillo の電源を操作する
開発中及び運用中に Armadillo の再起動または電源を切るには、ターミナルでコマンドを実行することでも可能ですが、ABOS Webからも実行可能です。
ABOS Web から Armadillo の電源を操作するには図3.175「「電源制御」の位置」に示すサイドメニューの項目を選択してください。
この項目を選択すると図3.176「「電源制御」の画面」に示す画面が表示されます。
操作可能な機能は以下です。
表3.48 制御できる機能
機能名 | Armadillo内で実行されるコマンド | 説明 |
---|
再起動 | reboot | Armadillo を再起動します。 |
電源オフ | poweroff | Armadillo の電源を切ります。 |
これらの機能を ABOS Web で選択すると、確認画面が表示されます。
よければ「OK」を選択してください。
電源オフを実行した場合、Armadillo の LED が消えるまで電源を抜かないでください。
3.12. Network Time Protocol (NTP, ネットワーク・タイム・プロトコル) の設定
Armadillo Base OS では chronyd を使用しています。
デフォルトの設定(使用するサーバーなど)は /lib/chrony.conf.d/
にあり、
設定変更用に /etc/chrony/conf.d/
のファイルも読み込みます。
/etc/chrony/conf.d/
ディレクトリに /lib/chrony.conf.d/
と同名の
設定ファイルを配置することで、デフォルトのファイルを読み込まないようになります。
時刻取得に関する設定は 2 つのファイルに分かれています:
-
initstepslew.conf
: chronyd
起動時「 initstepslew
」コマンドでサーバーと通信し時刻を取得します。
-
servers.conf
: chronyd
起動後周期的に「 pool
」または「 server
」コマンドでサーバーと通信し時刻を補正します。
例えば、 NTP サーバーを変更する際は 図3.177「chronyd のコンフィグの変更例」 に示す通り
/etc/chrony/conf.d/initstepslew.conf
と /etc/chrony/conf.d/servers.conf
に記載します:
|
起動時のサーバー設定です。不要な場合は空のファイルを生成してください。
|
|
運用時のサーバー設定です。複数の行または「pool」の設定も可能です。
|
|
ファイルを保存します。
|
|
chronyd サービスを再起動します。
|
|
chronyc で新しいサーバーが使用されていることを確認します。
|
NTP の設定は ABOS Web や Rest API を使って行うこともできます。詳細は、
「時刻設定」 および 「Rest API : 時刻の設定」 を参照してください。
3.13. Armadillo Twin を体験する
Armadillo Twin を利用したデバイス運用管理を検討する場合は、一度Armadillo Twin をお試しいただくことをおすすめします。
Armadillo Twin は、無償トライアルでご登録いただくことで、3ヶ月間無償で全ての機能をご利用いただくことができます。
また、トライアル中の設定内容は、有料の月額プランに申込後も引き継いで利用することができます。
詳細は Armadillo Twin ユーザーマニュアル 「アカウント・ユーザーを作成する」 をご確認ください。
3.14. ABOSDEによるアプリケーションの開発
ここでは、ABOSDE(Armadillo Base OS Development Environment) によるアプリケーション開発の概要とABOSDEで作成される各プロジェクトの違いについて説明します。
ABOSDE は Visual Studio Code にインストールできる開発用エクステンションです。
ABOSDE を使用することで、コンテナ及びコンテナ自動起動用設定ファイルの作成、コンテナ内におけるパッケージのインストール、コンテナ内で動作するアプリケーション本体の開発をすべてVS Code内で行うことができます。
ABOSDEでは、以下のようなアプリケーションを開発できます。
-
ゲートウェイコンテナアプリケーション
-
CUI アプリケーション
-
C 言語アプリケーション
表3.49「ABOSDEの対応言語」に示すように、アプリケーション毎に対応している言語が異なります。
表3.49 ABOSDEの対応言語
アプリケーションの種類 | 使用言語(フレームワーク) |
---|
ゲートウェイアプリケーション | Python |
CUI アプリケーション | シェルスクリプト |
Python |
C言語アプリケーション | C 言語 |
どのようなアプリケーションを開発するかによってABOSDEによる開発手順が異なります。図3.178「参照する開発手順の章を選択する流れ」を参考に、ご自身が開発するアプリケーションに適した章を参照してください。
-
ゲートウェイコンテナアプリケーション
-
CUI アプリケーション
-
C 言語アプリケーション
対象ユーザー
-
C 言語でないと実現できないアプリケーションを開発したい
-
既存の C 言語によって開発されたアプリケーションを Armadillo で動作させたい
-
開発環境に制約がある
マニュアルの参照先
3.15. ゲートウェイコンテナアプリケーションの開発
ATDE 上の VS Code でゲートウェイコンテナ内で動作するゲートウェイコンテナアプリケーションを開発する手順を示します。
ゲートウェイコンテナについては、「ゲートウェイコンテナを動かす」 を参照してください。
また、以降の手順を行う前に、ゲートウェイコンテナを Armadillo にインストールしてください。
ゲートウェイコンテナのインストールは ABOS Web から可能です。
「SWUインストール」 をご参照ください。
以下のゲートウェイコンテナの SWU イメージの URL を ABOS Web 上の「SWU URL」に入力して「インストール」ボタンを押してください。
https://armadillo.atmark-techno.com/files/downloads/armadillo-iot-a9e/image/a9e-gw-container-latest.swu
ゲートウェイコンテナが Armadillo にインストールされます。
3.15.1. ゲートウェイコンテナアプリケーション開発の流れ
ゲートウェイコンテナアプリケーションを開発する流れは以下のようになります。
ここでは、開発開始時の ATDE 上でのセットアップ手順について説明します。
本章は ATDE と VS Code のセットアップが完了していることを前提としております。セットアップがまだの方は、「開発の準備」を参照してセットアップを完了してください。
VS Code の左ペインの [A9E] から [GW New Project] を実行し、表示されるディレクトリ選択画面からプロジェクトを保存するディレクトリを選択してください。
実行するためには右に表示されている三角形ボタンを押してください。
保存先を選択すると、プロジェクト名を入力するダイアログが表示されるので、任意のプロジェクト名を入力してエンターキーを押してください。
この操作により、選択した保存先に、入力したプロジェクト名と同名のディレクトリが作成されます。
また、ここでは次のように設定しています。
-
保存先 : ホームディレクトリ
-
プロジェクト名 :
my_project
ここでは、実際に Armadillo 上でサンプルアプリケーションを起動する場合の手順を説明します。
プロジェクトディレクトリへ移動し VS Code を起動します。
初期設定では Armadillo と SSH で接続するための秘密鍵と公開鍵の生成を行います。
作成したプロジェクトディレクトリへ移動して VS Code を起動してください。
VS Code の左ペインの [my_project] から [Setup environment] を実行します。
選択すると、 VS Code の下部に以下のようなターミナルが表示されます。
このターミナル上で以下のように入力してください。
|
パスフレーズを設定します。設定しない場合は何も入力せず Enter を押します。
|
|
1 でパスフレーズを設定した場合は、確認のため再度入力してください。
|
|
ここで何か任意のキーを押すとターミナルが閉じます。
|
パスフレーズを設定した場合は、アプリケーションを Armadillo へ転送する時にパス
フレーズの入力を求められることがあります。
![[ティップ]](images/tip.png) | |
---|
SSH の鍵は $HOME/.ssh/id_ed25519_vscode (と id_ed25519_vscode.pub ) に保存されていますので、
プロジェクトをバックアップする時は $HOME/.ssh も保存してください。 |
3.15.4. ゲートウェイコンテナアプリケーションの設定
ゲートウェイコンテナアプリケーションは、ゲートウェイコンテナ上で動作します。
ゲートウェイコンテナについての詳細は 「ゲートウェイコンテナを動かす」 をご参照ください。
3.15.4.1. ゲートウェイコンテナの設定ファイルの編集
ゲートウェイコンテナの設定ファイルは app/config
ディレクトリに配置されています。
-
cloud_agent.conf: クラウド情報の設定
-
sensing_mgr.conf: インターフェース設定
クラウドと連携する場合、接続先クラウドの情報を入力する必要があります。
設定ファイルは Armadillo Base OS では /var/app/rollback/volumes/gw_container/config/cloud_agent.conf
に存在し、VS Code では app/config/cloud_agent.conf
に存在します。
接続先の クラウドサービス 種別
ゲートウェイコンテナが接続するクラウドサービスの種別を指定します。
設定ファイル中の以下の箇所が該当します。
[CLOUD]
SERVICE = ;AWS or AZURE
表3.50 [CLOUD] 設定可能パラメータ
項目 | 概要 | 設定値 | 内容 |
---|
SERVICE | 接続先クラウドサービスを指定 | AWS | AWS IoT Core に接続 |
Azure | Azure IoT に接続 |
ログ出力
クラウド との接続状態や送受信したデータのログを ログファイルに保存したり、コンソールに出力することが可能です。
設定ファイル中の以下の箇所が該当します。
[LOG]
FILE_LOG = true
STREAM_LOG = true
表3.51 [CLOUD] 設定可能パラメータ
項目 | 概要 | 設定値 | 内容 |
---|
FILE_LOG | ログファイルに出力するか | (デフォルト)true | 出力する |
false | 出力しない |
STREAM_LOG | コンソールに出力するか | (デフォルト)true | 出力する |
false | 出力しない |
AWS
ここでは、 AWS に接続する場合の設定内容を記載します。
設定ファイル中の以下の箇所が該当します。
[AWS]
AWS_IOT_HOST =
AWS_IOT_REGION =
AWS_IOT_ACCOUNTID =
AWS_IOT_ENDPOINT =
AWS_IOT_CERT_FILE = /cert/device/device_cert.pem
AWS_IOT_POLICY_FILE = /config/aws_iot_policy.json
AWS_IOT_SHADOW_ENDPOINT =
AWS_IOT_CA_FILE = /cert/ca/AmazonRootCA1.pem
AWS_IOT_PKCS11_PATH = /usr/lib/plug-and-trust/libsss_pkcs11.so
AWS_IOT_KEY_LABEL = sss:100100F0
AWS_ACCESS_KEY =
AWS_SECRET_KEY =
AWS_IOT_PORT = 443
AWS_IOT_PIN =
![[注記]](images/note.png) | |
---|
上記パラメータのうち、以下のパラメータはAWS IoT Core へのデバイス登録完了後クリアされます。
デバイスを AWS IoT Core から削除した場合など再度デバイス登録を行いたい場合は、再度設定してください。 -
AWS_IOT_ACCOUNTID
-
AWS_ACCESS_KEY
-
AWS_SECRET_KEY
|
Azure
ここでは、 Azure に接続する場合の設定内容を記載します。
設定ファイル中の以下の箇所が該当します。
[AZURE]
AZURE_IOT_DEVICE_DPS_ENDPOINT = global.azure-devices-provisioning.net
AZURE_IOT_DEVICE_DPS_ID_SCOPE =
AZURE_IOT_KEY_FILE = /cert/device/key.pem
AZURE_IOT_CERT_FILE = /cert/device/device_cert.pem
表3.53 [AZURE] 設定可能パラメータ
項目 | 概要 | 設定値・設定例 | 取得方法 |
---|
AZURE_IOT_DEVICE_DPS_ENDPOINT | DPS エンドポイント | (デフォルト)global.azure-devices-provisioning.net | 変更不要 |
AZURE_IOT_DEVICE_DPS_ID_SCOPE | Azure IoT Central ID スコープ | (例)0ne12345678 | 図6.96「Azure IoT Hub と DPS の設定を実行する」 で表示された内容を使用 |
AZURE_IOT_KEY_FILE | デバイスリファレンスキーファイルパス | (デフォルト)/cert/device/key.pem [] | 変更不要 |
AZURE_IOT_CERT_FILE | デバイス証明書ファイルパス | (デフォルト)/cert/device/device_cert.pem [] | 変更不要 |
インターフェースの動作設定を行います。
設定ファイルは Armadillo Base OS では、`/var/app/rollback/volumes/gw_container/config/sensing_mgr.conf`に存在し、VS Code では `app/config/sensing_mgr.conf`に存在します。
全体動作設定
全体的な動作設定を行います。
設定ファイル中の以下の箇所が該当します。
[DEFAULT]
; cloud_config=true or false
cloud_config=false
; send_cloud=true or false
send_cloud=false
; cache=true or false
cache=false
; send_interval[sec]
send_interval=10
; data_send_oneshot=true or false
data_send_oneshot=false
; wait_container_stop[sec]
wait_container_stop=0
表3.54 [DEFAULT] 設定可能パラメータ
項目 | 概要 | 設定値 | 内容 |
---|
cloud_config | クラウドからの設定変更を許容するか | true | 許容する |
(デフォルト)false | 無視する |
send_cloud | クラウドにデータを送信するか | true | 送信する |
(デフォルト)false | 送信しない |
cache | キャッシュ実施可否 | true | キャッシュを実施する。ネットワーク状態の異常などによりクラウドへデーターを送信できない場合、キャッシュに計測データ―を一時保存し、ネットワーク復旧後にクラウドへ送信します。 |
(デフォルト)false | キャッシュを実施しない |
send_interval | データ送信間隔[sec] | 1~10 | この値に従って、クラウドへデータを送信する |
data_send_oneshot | データ取得後コンテナを終了させるか | true | 1回データを取得し、コンテナを終了します。コンテナ終了通知をトリガに間欠動作を行う( 「状態遷移トリガにコンテナ終了通知を利用する」 )場合は、この設定にする必要があります。 |
(デフォルト)false | コンテナの実行を継続する (設定したインターバルでデータを取得する) |
wait_container_stop | コンテナ終了までの待ち時間[sec] | 0~60 | data_send_oneshot が true の場合、クラウドへのデータ送信後、設定した時間 wait してからコンテナを終了する [] |
![[注記]](images/note.png) | |
---|
クラウドへのデータ送信は send_interval で指定した間隔毎に行います。
値の取得間隔は、後述の通り各項目毎に指定することができます。
値を取得するタイミングとクラウドへのデータ送信のタイミングを近くするためには、
値の取得間隔より send_interval を短くするか、同じにすることを推奨します。 |
ログ出力
取得したデータのログを ログファイルに保存したり、コンソールに出力することが可能です。
設定ファイル中の以下の箇所が該当します。
[LOG]
file=true
stream=true
表3.55 [LOG] 設定可能パラメータ
項目 | 概要 | 設定値 | 内容 |
---|
FILE_LOG | ログファイルに出力するか | (デフォルト)true | 出力する |
false | 出力しない |
STREAM_LOG | コンソールに出力するか | (デフォルト)true | 出力する |
false | 出力しない |
CPU_temp
CPU 温度読み出しに関する設定を行います。
設定ファイル中の以下の箇所が該当します。
[CPU_temp]
; type=polling or none
type=polling
; polling_interval[sec]
polling_interval=1
表3.56 [CPU_temp] 設定可能パラメータ
項目 | 概要 | 設定値 | 内容 |
---|
type | 動作種別 | (空欄) or none | CPU 温度取得を行わない |
polling | ポーリング |
polling_interval | データ取得間隔[sec] | 1~3600 | この値に従って、CPU 温度を読み出します |
接点入力
接点入力に関する設定を行います。
設定ファイル中の以下の箇所が該当します。
[DI1]
; type=polling or edge
type=
; interval[sec]
interval=
; edge_type=falling or rising or both
edge_type=
[DI2]
; type=polling or edge
type=
; interval[sec]
interval=
; edge_type=falling or rising or both
edge_type=
表3.57 [DI1,DI2] 設定可能パラメータ
項目 | 概要 | 設定値 | 内容 |
---|
type | 動作種別 | (空欄) or none | 接点入力状態取得を行わない |
polling | ポーリング |
edge | エッジ検出。データ取得間隔に設定した周期で値を取得し、前回取得時から指定方向に値が変化した場合、クラウドへデータ―を送信します。 |
interval | データ取得間隔[sec] | 1~3600 | この値に従って、値を読み出します |
edge_type | エッジ検出設定 | falling | 立ち下がりエッジ |
rising | 立ち上がりエッジ |
both | 両方 |
接点出力
接点出力に関する設定を行います。
設定ファイル中の以下の箇所が該当します。
表3.54「[DEFAULT] 設定可能パラメータ」 において、クラウドと通信しない場合はゲートウェイコンテナ起動後に設定した内容を出力します。クラウドと通信する場合は、「クラウドからの操作」 がトリガとなり、出力を開始します。
[DO1]
; output_state=high or low
output_state=
; output_time[sec]
output_time=
; output_delay_time[sec]
output_delay_time=
[DO2]
; output_state=high or low
output_state=
; output_time[sec]
output_time=
; output_delay_time[sec]
output_delay_time=
表3.58 [DO1,DO2] 設定可能パラメータ
項目 | 概要 | 設定値 | 内容 |
---|
output_state | 出力状態 | high | High 出力。クラウドからの設定内容更新が有効の場合に、クラウドからの設定変更が可能です。 |
low | Low 出力。クラウドからの設定内容更新が有効の場合に、クラウドからの設定変更が可能です。 |
disable | 「電源を安全に切るタイミングを通知する」 で接点出力を使用する場合など、ゲートウェイコンテナで接点出力を使用しないときに設定します。また、この値に設定すると、クラウドからの設定変更・動作指示は無視されます。 |
指定なし | ゲートウェイコンテナで接点出力の初期状態を設定しないときに使用します。接点出力を設定しないため、ゲートウェイコンテナ起動時の出力状態になります。クラウドからの設定内容更新が有効の場合に、クラウドからの設定変更が可能です。 |
output_time | 出力時間[sec] | 1~3600 | 出力コマンド実行後に output_state で指定したレベルを出力する時間。 0 を指定すると出力値を固定します。 |
output_delay_time | 出力遅延時間[sec] | 0~3600 | 出力コマンド実行後、指定した時間遅延して出力します。 |
設定と DO の出力タイミングの関連を 図3.189「DO の出力タイミング」 に示します。
(1) ゲートウェイコンテナはクラウドからの要求を取り込みます
(2) クラウドからの要求を取り込んでから output_delay_time 経過後、出力を切り替えます
(3) output_time 経過後出力を戻します
RS-485
RS-485 に関する設定を行います。
設定ファイル中の以下の箇所が該当します。
なお、RS485_Data1 から RS485_Data4 まで、4個のデータについて設定することができます。
デフォルトでは RS485_Data1 のみファイルに記載されているため、RS485_Data2, RS485_Data3, RS485_Data4 については適宜コピーして記載してください。
[RS485_Data1]
;[RS485_Data1] ~ [RS485_Data4]
method=none
baudrate=
data_size=
; parity=none or odd or even
parity=
; stop=1 or 2
stop=
device_id=
func_code=
register_addr=
register_count=
; endian=little or big
endian=
; interval[sec]
interval=
; data_offset is option
data_offset=
; data_multiply is option
data_multiply=
; data_divider is option
data_divider=
表3.59 [RS485_Data1, RS485_Data2, RS485_Data3, RS485_Data4] 設定可能パラメータ
項目 | 概要 | 設定値 | 内容 |
---|
method | 通信種別 | none | RS-485を利用しない |
rtu | Modbus-RTU |
data_size | データサイズ | 8 | |
baudrate | ボーレート | 1200~38400[bps] | 通信速度を指定します |
parity | パリティビット | none | None |
odd | Odd |
even | Even |
stop | ストップビット | 1 | 1 |
2 | 2 |
device_id | Modbusスレーブ機器のデバイスID | 0x01 〜 0xF7 | |
func_code | ファンクションコード | 0x03 or 0x04 | |
register_addr | レジスタアドレス | 機器依存 | 値を読み出すレジスタのアドレスを指定 |
register_count | 読み出しレジスタ数 | 1 or 2 | 一度に読み出すレジスタ数を指定 |
endian | エンディアン設定 | little | リトルエンディアン |
big | ビッグエンディアン |
interval | データ取得間隔[sec] | 1~3600 | この値に従って、値を読み出します |
data_offset | 読み出し値に加算する値 | 任意の値(整数値) | 指定は任意です。読み出したレジスタ値に加算する値を指定します |
data_multiply | 読み出し値と乗算する値 | 任意の値(整数値) | 指定は任意です。読み出したレジスタ値と乗算する値を指定します |
data_divider | 読み出し値と除算する値 | 任意の値(整数値) | 指定は任意です。読み出したレジスタ値と除算する値を指定します |
3.15.4.4. 開発用の SWU イメージの作成
Armadillo 上でゲートウェイコンテナアプリケーションを実行するために、ゲートウェイコンテナアプリケーションのソースファイルと設定ファイル、SSH の公開鍵を含む SWU イメージを作成します。
SWU イメージを使用して Armadillo へインストールするため、事前に 「SWUイメージの作成」 を参照して SWU の初期設定を行ってください。
SWU イメージの作成も VS Code で行います。
VS Code の左ペインの [my_project] から [Generate development swu] を実行します。
SWU イメージの作成にはしばらく時間がかかります。
VS Code のターミナルに以下のように表示されるとコンテナイメージの作成は完了です。
作成した SWU イメージは my_project
ディレクトリ下に development.swu
という
ファイル名で保存されています。
3.15.5. ゲートウェイコンテナのディストリビューション
ゲートウェイコンテナのディストリビューションは以下のとおりです。
3.15.6. Armadillo に転送するディレクトリ及びファイル
以下に示すディレクトリやファイルを Armadillo に転送します。
ここでは、プロジェクト名は my_project
としています。
-
Armadillo に転送するディレクトリ及びファイル
-
my_project/app/config/sensing_mgr.conf
-
my_project/app/config/cloud_agent.conf
-
my_project/app/src
3.15.6.1. ゲートウェイコンテナアプリケーションが使用するデバイス証明書の取得
図3.192「Armadillo 上でゲートウェイコンテナアプリケーションを実行する」に示すように、VS Code の左ペインの [my_project] から [Get device certificate file from Armadillo] を実行すると、
ゲートウェイコンテナアプリケーションが使用するデバイス証明書を取得することができます。
取得したデバイス証明書は app/device/cert
ディレクトリに保存されます。
3.15.7. Armadillo 上でのセットアップ
3.15.7.2. ssh
接続に使用する IP アドレスの設定
VS Code 上で ABOSDE(Armadillo Base OS Development Environment) から、
ABOS Web が動作している Armadillo の一覧を確認し、
指定した Armadillo の IP アドレスを ssh 接続に使用することができます。
ただし、ATDE のネットワークを NAT に設定している場合は Armadillo がリストに表示されません。
図3.193「ABOSDE で ローカルネットワーク上の Armadillo をスキャンする」 の赤枠で囲われているボタンをクリックすることで、
ローカルネットワーク上で ABOS Web が実行されている Armadillo をスキャンすることができます。
図3.194「ABOSDE を使用して ssh 接続に使用する IP アドレスを設定する」 の赤枠で囲われているマークをクリックすることで、
指定した Armadillo の IP アドレスを ssh 接続に使用する IP アドレスに設定することができます。
図3.195「ABOSDE に表示されている Armadillo を更新する」 の赤枠で囲われているマークをクリックすることで、
ABOSDE に表示されている Armadillo を更新することができます。
ATDE のネットワークを NAT に設定している場合や、ABOS Web を起動していない場合等、
ABOSDE のリストに Armadillo が表示されない場合は、
プロジェクトディレクトリに入っている config/ssh_config
ファイルを編集して
IP アドレスを書き換えてください。
|
Armadillo の IP アドレスに置き換えてください。
|
![[ティップ]](images/tip.png) | |
---|
Armadillo を初期化した場合や、プロジェクトを実行する Armadillo を変更した場合は、
プロジェクトの config/ssh_known_hosts に保存されている公開鍵で Armadillo を認識できなくなります。
その場合はファイルを削除するか、「Setup environment」タスクを再実行してください。 |
3.15.7.3. ゲートウェイコンテナアプリケーションの実行
VS Code の左ペインの [my_project] から [App run on Armadillo] を実行すると、
ゲートウェイコンテナアプリケーションが Armadillo へ転送されて起動します。
VS Code のターミナルに以下のメッセージが表示されることがあります。
これが表示された場合は yes
と入力して下さい。
ゲートウェイコンテナアプリケーションを終了するには VS Code の左ペインの [my_project] から [App stop on Armadillo] を実行してください。
ここでは完成したゲートウェイコンテナアプリケーションをリリース版としてビルドする場合の手順について説明します。
VS Code の左ペインの [my_project] から [Generate release swu] を実行すると、
リリース版のゲートウェイコンテナアプリケーションを含んだ SWU イメージが作成されます。
事前に 「SWUイメージの作成」 を参照して SWU の初期設定を行ってください。
作成した SWU イメージは my_project
ディレクトリ下に release.swu
というファイル名で保存されています。
この SWU イメージを 「SWU イメージのインストール」 を参照して Armadillo へインストールすると、
Armadillo 起動時にゲートウェイコンテナアプリケーションも自動起動します。
ここではシェルスクリプトおよび Python を使った CUI アプリケーションの開発方法を紹介します。
開発手順としてはシェルスクリプトと Python で同じであるため、シェルスクリプトの場合の例で説明します。
3.16.1. CUI アプリケーション開発の流れ
Armadillo 向けに CUI アプリケーションを開発する場合の流れは以下のようになります。
ここでは、開発開始時の ATDE 上でのセットアップ手順について説明します。
ATDE をお使いでない場合は、先に 「開発の準備」 を参照して ATDE 及び、 VS Code のセットアップを完了してください。
VS Code の左ペインの [A9E] から [Shell New Project] を実行し、表示されるディレクトリ選択画面からプロジェクトを保存する
ディレクトリを選択してください。
実行するためには右に表示されている三角形ボタンを押してください。
Python の場合は [Python New Project] を実行してください。
保存先を選択すると、プロジェクト名を入力するダイアログが表示されるので、任意のプロジェクト名を入力してエンターキーを押してください。
この操作により、選択した保存先に、入力したプロジェクト名と同名のディレクトリが作成されます。
また、ここでは次のように設定しています。
-
保存先 : ホームディレクトリ
-
プロジェクト名 :
my_project
ここでは、実際に Armadillo 上でサンプルアプリケーションを起動する場合の手順を説明します。
プロジェクトディレクトリへ移動し VS Code を起動します。
プロジェクトには下記のディレクトリがあります。
app
: アプリケーションのソースです。Armadillo ではビルドしたアプリケーションが /var/app/rollback/volumes/my_project
にコピーされます。
-
requirements.txt
: Python プロジェクトにのみ存在しており、このファイルに記載したパッケージは pip を使用してインストールされます。
config
: 設定に関わるファイルが含まれるディレクトリです。
container
: スクリプトを実行するコンテナの設定ファイルが含まれるディレクトリです。
デフォルトのコンテナコンフィグ( app.conf )ではシェルスクリプトの場合は app
の src/main.sh
または Python の場合 src/main.py
を実行しますので、リネームが必要な場合にコンテナのコンフィグも修正してください。
このサンプルアプリケーションは、CPU と SOC の温度を /vol_data/log/temp.txt
に出力し、
アプリケーションLED を点滅させます。
初期設定では主に Armadillo と SSH で接続するための秘密鍵と公開鍵の生成を行います。
作成したプロジェクトディレクトリへ移動して VS Code を起動してください。
VS Code の左ペインの [my_project] から [Setup environment] を実行します。
選択すると、 VS Code の下部に以下のようなターミナルが表示されます。
このターミナル上で以下のように入力してください。
|
パスフレーズを設定します。設定しない場合は何も入力せず Enter を押します。
|
|
1 でパスフレーズを設定した場合は、確認のため再度入力してください。
|
|
ここで何か任意のキーを押すとターミナルが閉じます。
|
パスフレーズを設定した場合は、アプリケーションを Armadillo へ転送する時にパス
フレーズの入力を求められることがあります。
![[ティップ]](images/tip.png) | |
---|
ssh の鍵は $HOME/.ssh/id_ed25519_vscode (と id_ed25519_vscode.pub ) に保存されていますので、
プロジェクトをバックアップする時は $HOME/.ssh も保存してください。 |
3.16.3.4. ABOSDE におけるコンテナ OS の選択方法
![[注記]](images/note.png) | |
---|
コンテナ OS を Debian から Alpine に変更する ABOSDE の機能は ABOSDE のバージョン 1.9.3 以降で、かつ 2025 年 6 月 25 日以降に
「プロジェクトの作成」 の手順で新たに作成したプロジェクトで使用できるようになります。 |
ABOSDE では、コンテナ OS として Debian と Alpine を提供しています。
デフォルトでは、Alpine よりも開発が容易である Debian が使用されます。
Alpine を使用する場合は、VS Code の左ペインの [OPENED PROJECT] の [Generate development swu] または [Generate release swu] を開き、[Use alpine container] を選択してください。
SWU イメージを生成する時に以下のファイルが使用されます。
使用するコンテナ OS にあわせて、対応するファイルを編集してください。
[Use debian container] を選択した場合:
-
container/Dockerfile
-
container/packages.txt
[Use alpine container] を選択した場合:
-
container/Dockerfile_alpine
-
container/packages_alpine.txt
(シェルスクリプトプロジェクトの場合は packages.txt)
以下の説明では、Dockerfile
および packages.txt
を使用する場合を前提としていますが、Dockerfile_alpine
および packages_alpine.txt
を使用する場合も同様の手順で進めることができます。
3.16.3.5. Debian コンテナのディストリビューション
Debian コンテナを使用する場合、ディストリビューションは以下のとおりです。
3.16.3.6. アプリケーション実行用コンテナイメージの作成
Armadillo 上でアプリケーションを実行するためのコンテナイメージを作成します。
ここで作成したコンテナイメージは SWU イメージを使用して Armadillo へインストールするため、
事前に 「SWUイメージの作成」 を参照して SWU の初期設定を行ってください。
コンテナイメージの作成および SWU イメージの作成も VS Code で行います。
VS Code の左ペインの [my_project] から [Generate development swu] を実行します。
コンテナイメージの作成にはしばらく時間がかかります。
VS Code のターミナルに以下のように表示されるとコンテナイメージの作成は完了です。
作成した SWU イメージは my_project
ディレクトリ下に development.swu
という
ファイル名で保存されています。
3.16.3.7. Python アプリケーションに Bluetooth® Low Energy パッケージをインストールする
Python アプリケーションの場合は、アプリケーションから Bluetooth® Low Energy を使用するために必要なパッケージを
VS Code からインストールすることができます。
左ペインの [my_project] から [external packages] を開き [bleak] の右にある
+
をクリックするとインストールされます。
すでにインストール済みの状態で -
をクリックするとアインストールされます。
一番右にある丸アイコンをクリックすると Web ブラウザで bleak
パッケージの API リファレンスページを開きます。
![[注記]](images/note.png) | |
---|
Bluetooth® Low Energy パッケージのインストールは ABOSDE のバージョン 1.8.4 以降で、かつ 2024 年 7 月 24 日以降に
「プロジェクトの作成」 の手順で新たに作成したプロジェクトで使用できるようになります。 |
3.16.4. Armadillo に転送するディレクトリ及びファイル
コンテナイメージ以外に、以下に示すディレクトリやファイルを Armadillo に転送します。
ここでは、プロジェクト名は my_project
としています。
-
Armadillo に転送するディレクトリ及びファイル
図3.213「コンテナ内のファイル一覧を表示するタブ」 の赤枠で囲われているタブをクリックすることで、development.swu
または「リリース版のビルド」で作成される release.swu
に含まれるコンテナ内のファイルおよびディレクトリを表示します。
クリック後の表示例を 図3.214「コンテナ内のファイル一覧の例」 に示します。
コンテナ内のファイル一覧は [Generate development swu] または [Generate release swu] を実行することで ATDE 上に作成されるコンテナイメージから取得しています。
そのため、[Generate development swu] または [Generate release swu] を実行していない場合はコンテナ内のファイル一覧は表示されません。
その場合は [Generate development swu] または [Generate release swu] を先に実行してください。
![[注記]](images/note.png) | |
---|
この機能を使用するにあたり、ATDE上でプロジェクトのコンテナイメージからコンテナを作成します。 コンテナ名は「プロジェクト名-abosde」を使用します。
例えば、プロジェクト名が my_project の場合、コンテナ名は「my_project-abosde」になります。 ユーザー自身で同名のコンテナを既に作成していた場合、そのコンテナはこの機能を使用時に削除されます。 |
![[注記]](images/note.png) | |
---|
コンテナ内のファイル一覧には、ファイルおよびディレクトリのみを表示しています。
シンボリックリンク、特殊デバイスファイルなどは表示していません。 |
3.16.5.1. resources ディレクトリについて
図3.215「resources ディレクトリ」に示すように ATDE 上のプロジェクトディレクトリには container/resources
ディレクトリがあります。
container/resources
ディレクトリ下に、コンテナ内と同じパスでファイルまたはディレクトリを配置することで、それらは [Generate development swu] または [Generate release swu] を実行時にコンテナ内にコピーされます。
例えば、コンテナ内にある /etc/adduser.conf
を上書きする場合は、編集した adduser.conf
ファイルをプロジェクトディレクトリにある container/resources/etc/adduser.conf
に配置してください。
プロジェクトディレクトリにある container/resources 下のファイルおよびディレクトリを操作する方法は以下の 2 通りがあります。
-
エクスプローラーを使用する
-
ABOSDEのコンテナ内のファイル一覧表示機能を使用する
ABOSDEのコンテナ内のファイル一覧表示機能を使用することで、視覚的にファイル構成や、差分があるファイルを把握しながら操作可能です。
以降に詳細を説明します。
3.16.5.4. container/resources
下にあるファイルを開く
図3.221「container/resources
下にあるファイルを開くボタン」 の赤枠で囲われている表記のボタンをクリックすることで、プロジェクトディレクトリにある container/resources
下のファイルをエディタに表示することができます。
この例では、プロジェクトディレクトリにある container/resources
下の add_file
をエディタに表示します。
3.16.5.6. コンテナ内のファイルを container/resources
下に保存
図3.223「コンテナ内のファイルを container/resources
下に保存するボタン」 の赤枠で囲われている表記のボタンをクリックすることで、コンテナ内にあるファイルをプロジェクトディレクトリにある container/resources
下に保存します。
ファイルが container/resources
下に保存されると、図3.224「編集前のファイルを示すマーク」 に示すように、ファイル名の右側に "U" のマークが表示されます。
"U" のマークはプロジェクトディレクトリにある container/resources
下のファイルとコンテナ内にあるファイルの内容が同一であることを示します。
container/resources
下にあるファイルを編集して再表示すると、図3.225「編集後のファイルを示すマーク」 に示すように、ファイル名の右側に "M" のマークが表示されます。
"M" のマークはプロジェクトディレクトリにある container/resources
下のファイルとコンテナ内にあるファイルの内容に差があることを示します。
container/resources
下とコンテナ内にあるファイルまたはディレクトリを比較して、同名でかつファイルの種類が異なる場合、図3.226「コンテナ内にコピーされないことを示すマーク」 に示すように、ファイル名の右側に "E" のマークが表示されます。
"E" のマークが表示された場合、そのファイルまたはディレクトリは [Generate development swu] または [Generate release swu] を実行してもコンテナにコピーされません。
3.16.6. Armadillo 上でのセットアップ
3.16.6.2. ssh
接続に使用する IP アドレスの設定
VS Code 上で ABOSDE(Armadillo Base OS Development Environment) から、
ABOS Web が動作している Armadillo の一覧を確認し、
指定した Armadillo の IP アドレスを ssh 接続に使用することができます。
ただし、ATDE のネットワークを NAT に設定している場合は Armadillo がリストに表示されません。
図3.227「ABOSDE で ローカルネットワーク上の Armadillo をスキャンする」 の赤枠で囲われているボタンをクリックすることで、
ローカルネットワーク上で ABOS Web が実行されている Armadillo をスキャンすることができます。
図3.228「ABOSDE を使用して ssh 接続に使用する IP アドレスを設定する」 の赤枠で囲われているマークをクリックすることで、
指定した Armadillo の IP アドレスを ssh 接続に使用する IP アドレスに設定することができます。
図3.229「ABOSDE に表示されている Armadillo を更新する」 の赤枠で囲われているマークをクリックすることで、
ABOSDE に表示されている Armadillo を更新することができます。
ATDE のネットワークを NAT に設定している場合や、ABOS Web を起動していない場合等、
ABOSDE のリストに Armadillo が表示されない場合は、
プロジェクトディレクトリに入っている config/ssh_config
ファイルを編集して
IP アドレスを書き換えてください。
|
Armadillo の IP アドレスに置き換えてください。
|
![[ティップ]](images/tip.png) | |
---|
Armadillo を初期化した場合や、プロジェクトを実行する Armadillo を変えた場合は,
プロジェクトの config/ssh_known_hosts に保存されている公開鍵で Armadillo を認識できなくなります。
その場合はファイルを削除するか、「Setup environment」タスクを再実行してください。 |
VS Code の左ペインの [my_project] から [App run on Armadillo] を実行すると、
アプリケーションが Armadillo へ転送されて起動します。
VS Code のターミナルに以下のメッセージが表示されることがあります。
これが表示された場合は yes
と入力して下さい。
アプリケーションを終了するには VS Code の左ペインの [my_project] から [App stop on Armadillo] を実行してください。
ここでは完成したアプリケーションをリリース版としてビルドする場合の手順について説明します。
VS Code の左ペインの [my_project] から [Generate release swu] を実行すると、
リリース版のアプリケーションを含んだ SWU イメージが作成されます。
事前に 「SWUイメージの作成」 を参照して SWU の初期設定を行ってください。
![[注記]](images/note.png) | |
---|
リリース版の SWU イメージには、開発用の機能は含まれていません。
このため、リリース版の SWU イメージをインストールした Armadillo では、
[App run on Armadillo] を使用したリモート実行は使用できません。 |
作成した SWU イメージは my_project
ディレクトリ下に release.swu
というファイル名で保存されています。
この SWU イメージを 「SWU イメージのインストール」 を参照して Armadillo へインストールすると、
Armadillo 起動時にアプリケーションも自動起動します。
ここでは C 言語によるアプリケーション開発の方法を紹介します。
C 言語によるアプリケーション開発は下記に当てはまるユーザーを対象としています。
-
既存の C 言語によって開発されたアプリケーションを Armadillo で動作させたい
-
C 言語でないと実現できないアプリケーションを開発したい
上記に当てはまらず、開発するアプリケーションがシェルスクリプトまたは Python で実現可能であるならば、「CUI アプリケーションの開発」を参照してください。
3.17.1. C 言語によるアプリケーション開発の流れ
Armadillo 向けに C 言語によるアプリケーションを開発する場合の流れは以下のようになります。
ここでは、開発開始時の ATDE 上でのセットアップ手順について説明します。
ATDE をお使いでない場合は、先に 「開発の準備」 を参照して ATDE 及び、 VS Code のセットアップを完了してください。
VS Code の左ペインの [A9E] から [C New Project] を実行し、表示されるディレクトリ選択画面からプロジェクトを保存する
ディレクトリを選択してください。
実行するためには右に表示されている三角形ボタンを押してください。
保存先を選択すると、プロジェクト名を入力するダイアログが表示されるので、任意のプロジェクト名を入力してエンターキーを押してください。
この操作により、選択した保存先に、入力したプロジェクト名と同名のディレクトリが作成されます。
また、ここでは次のように設定しています。
-
保存先 : ホームディレクトリ
-
プロジェクト名 :
my_project
ここでは、実際に Armadillo 上でサンプルアプリケーションを起動する場合の手順を説明します。
プロジェクトディレクトリへ移動し VS Code を起動します。
プロジェクトには下記のディレクトリがあります。
app
: 各ディレクトリの説明は以下の通りです。
-
src
: アプリケーションのソースファイル(拡張子が .c )と Makefile を配置してください。
-
build
: ここに配置した実行ファイルが Armadillo 上で実行されます。
-
lib
: 共有ライブラリの検索パスとしてこのディレクトリを指定しているので、ここに共有ライブラリ(拡張子が .so )を配置することができます。
config
: 設定に関わるファイルが含まれるディレクトリです。
container
: スクリプトを実行するコンテナの設定ファイルが含まれるディレクトリです。
デフォルトのコンテナコンフィグ( app.conf )では C 言語の場合は build/main
を実行しますので、リネームが必要な場合にコンテナのコンフィグも修正してください。
このサンプルアプリケーションは、CPU と SOC の温度を /vol_data/log/temp.txt
に出力し、
アプリケーションLED を点滅させます。
初期設定では主に Armadillo と SSH で接続するための秘密鍵と公開鍵の生成を行います。
作成したプロジェクトディレクトリへ移動して VS Code を起動してください。
VS Code の左ペインの [my_project] から [Setup environment] を実行します。
選択すると、 VS Code の下部に以下のようなターミナルが表示されます。
このターミナル上で以下のように入力してください。
|
パスフレーズを設定します。設定しない場合は何も入力せず Enter を押します。
|
|
1 でパスフレーズを設定した場合は、確認のため再度入力してください。
|
|
ここで何か任意のキーを押すとターミナルが閉じます。
|
パスフレーズを設定した場合は、アプリケーションを Armadillo へ転送する時にパス
フレーズの入力を求められることがあります。
![[ティップ]](images/tip.png) | |
---|
ssh の鍵は $HOME/.ssh/id_ed25519_vscode (と id_ed25519_vscode.pub ) に保存されていますので、
プロジェクトをバックアップする時は $HOME/.ssh も保存してください。 |
3.17.3.4. ABOSDE におけるコンテナ OS の選択方法
![[注記]](images/note.png) | |
---|
コンテナ OS を Debian から Alpine に変更する ABOSDE の機能は ABOSDE のバージョン 1.9.3 以降で、かつ 2025 年 6 月 25 日以降に
「プロジェクトの作成」 の手順で新たに作成したプロジェクトで使用できるようになります。 |
ABOSDE では、コンテナ OS として Debian と Alpine を提供しています。
デフォルトでは、Alpine よりも開発が容易である Debian が使用されます。
Alpine を使用する場合は、VS Code の左ペインの [OPENED PROJECT] の [Generate development swu] または [Generate release swu] を開き、[Use alpine container] を選択してください。
SWU イメージを生成する時に以下のファイルが使用されます。
使用するコンテナ OS にあわせて、対応するファイルを編集してください。
[Use debian container] を選択した場合:
-
container/Dockerfile
-
container/packages.txt
[Use alpine container] を選択した場合:
-
container/Dockerfile_alpine
-
container/packages_alpine.txt
以下の説明では、Dockerfile
および packages.txt
を使用する場合を前提としていますが、Dockerfile_alpine
および packages_alpine.txt
を使用する場合も同様の手順で進めることができます。
3.17.3.5. Debian コンテナのディストリビューション
Debian コンテナを使用する場合、ディストリビューションは以下のとおりです。
3.17.3.6. packages.txt の書き方
ABOSDEではコンテナイメージにパッケージをインストールするために container
ディレクトリにある packages.txt
を使用します。
packages.txt
に記載されているパッケージは "apt install" コマンドによってコンテナイメージにインストールされます。
C 言語による開発の場合、packages.txt
に [build] というラベルを記載することで、ビルド時のみに使用するパッケージを指定することが出来ます。
図3.244「C 言語による開発における packages.txt の書き方」に C 言語による開発の場合における packages.txt
の書き方の例を示します。
ここでは、パッケージ名を package_A 、package_B 、package_C としています。
|
このラベル以降のパッケージはビルド時のみに使用されます。
|
上記の例の場合、Armadillo 上で実行される環境では package_A 、package_B のみがインストールされ、package_C はインストールされません。
"[build] package_C" のように [build] の後に改行せずに、一行でパッケージ名を書くことは出来ませんのでご注意ください。
以下のいずれかのボタンを実行すると、container/resources_c
直下にある build.sh をビルド用コンテナ内で実行して、
実行ファイルが app/build
に生成されます。
-
[Generate development swu]
-
[Generate release swu]
-
[App run on Armadillo]
なお [App run on Armadillo] は [Generate development swu] または [Generate release swu] を先に実行して、
Armadillo に SWU イメージをインストールしておく必要があります。
build.sh のデフォルトの中身は以下のようになっています。
container/resources_c/build.sh の中身.
#!/bin/sh
make -C /vol_app/src all
デフォルトでは、ATDE 上のプロジェクトディレクトリ内の app/src
はコンテナ内の /vol_app/src
にコピーされます。
Makefile は app/src
直下に配置しているため、C オプションでパスを指定した後、make all を実行しています。
build.sh の内容を変更することで任意のビルドコマンドを使用することが可能です。
3.17.3.8. ABOSDEでの開発における制約
app/build
と app/lib
内のファイルが Armadillo に転送されますので、実行ファイルは app/build
、共有ライブラリ( 拡張子が .so ファイル )は app/lib
に配置してください。
3.17.3.9. アプリケーション実行用コンテナイメージの作成
Armadillo 上でアプリケーションを実行するためのコンテナイメージを作成します。
ここで作成したコンテナイメージは SWU イメージを使用して Armadillo へインストールするため、
事前に 「SWUイメージの作成」 を参照して SWU の初期設定を行ってください。
コンテナイメージの作成、 実行ファイルや共有ライブラリの作成およびSWU イメージの作成も VS Code で行います。
VS Code の左ペインの [my_project] から [Generate development swu] を実行します。
コンテナイメージの作成にはしばらく時間がかかります。
VS Code のターミナルに以下のように表示されるとコンテナイメージの作成は完了です。
作成した SWU イメージは my_project
ディレクトリ下に development.swu
という
ファイル名で保存されています。
図3.247「コンテナ内のファイル一覧を表示するタブ」 の赤枠で囲われているタブをクリックすることで、development.swu
または「リリース版のビルド」で作成される release.swu
に含まれるコンテナ内のファイルおよびディレクトリを表示します。
クリック後の表示例を 図3.248「コンテナ内のファイル一覧の例」 に示します。
コンテナ内のファイル一覧は [Generate development swu] または [Generate release swu] を実行することで ATDE 上に作成されるコンテナイメージから取得しています。
そのため、[Generate development swu] または [Generate release swu] を実行していない場合はコンテナ内のファイル一覧は表示されません。
その場合は [Generate development swu] または [Generate release swu] を先に実行してください。
![[注記]](images/note.png) | |
---|
この機能を使用するにあたり、ATDE上でプロジェクトのコンテナイメージからコンテナを作成します。 コンテナ名は「プロジェクト名-abosde」を使用します。
例えば、プロジェクト名が my_project の場合、コンテナ名は「my_project-abosde」になります。 ユーザー自身で同名のコンテナを既に作成していた場合、そのコンテナはこの機能を使用時に削除されます。 |
![[注記]](images/note.png) | |
---|
コンテナ内のファイル一覧には、ファイルおよびディレクトリのみを表示しています。
シンボリックリンク、特殊デバイスファイルなどは表示していません。 |
3.17.4.1. resources ディレクトリについて
図3.249「resources ディレクトリ」に示すように ATDE 上のプロジェクトディレクトリには container/resources
ディレクトリがあります。
container/resources
ディレクトリ下に、コンテナ内と同じパスでファイルまたはディレクトリを配置することで、それらは [Generate development swu] または [Generate release swu] を実行時にコンテナ内にコピーされます。
例えば、コンテナ内にある /etc/adduser.conf
を上書きする場合は、編集した adduser.conf
ファイルをプロジェクトディレクトリにある container/resources/etc/adduser.conf
に配置してください。
プロジェクトディレクトリにある container/resources 下のファイルおよびディレクトリを操作する方法は以下の 2 通りがあります。
-
エクスプローラーを使用する
-
ABOSDEのコンテナ内のファイル一覧表示機能を使用する
ABOSDEのコンテナ内のファイル一覧表示機能を使用することで、視覚的にファイル構成や、差分があるファイルを把握しながら操作可能です。
以降に詳細を説明します。
3.17.4.4. container/resources
下にあるファイルを開く
図3.255「container/resources
下にあるファイルを開くボタン」 の赤枠で囲われている表記のボタンをクリックすることで、プロジェクトディレクトリにある container/resources
下のファイルをエディタに表示することができます。
この例では、プロジェクトディレクトリにある container/resources
下の add_file
をエディタに表示します。
3.17.4.6. コンテナ内のファイルを container/resources
下に保存
図3.257「コンテナ内のファイルを container/resources
下に保存するボタン」 の赤枠で囲われている表記のボタンをクリックすることで、コンテナ内にあるファイルをプロジェクトディレクトリにある container/resources
下に保存します。
ファイルが container/resources
下に保存されると、図3.258「編集前のファイルを示すマーク」 に示すように、ファイル名の右側に "U" のマークが表示されます。
"U" のマークはプロジェクトディレクトリにある container/resources
下のファイルとコンテナ内にあるファイルの内容が同一であることを示します。
container/resources
下にあるファイルを編集して再表示すると、図3.259「編集後のファイルを示すマーク」 に示すように、ファイル名の右側に "M" のマークが表示されます。
"M" のマークはプロジェクトディレクトリにある container/resources
下のファイルとコンテナ内にあるファイルの内容に差があることを示します。
container/resources
下とコンテナ内にあるファイルまたはディレクトリを比較して、同名でかつファイルの種類が異なる場合、図3.260「コンテナ内にコピーされないことを示すマーク」 に示すように、ファイル名の右側に "E" のマークが表示されます。
"E" のマークが表示された場合、そのファイルまたはディレクトリは [Generate development swu] または [Generate release swu] を実行してもコンテナにコピーされません。
3.17.5. Armadillo に転送するディレクトリ及びファイル
コンテナイメージ以外に、以下に示すディレクトリやファイルを Armadillo に転送します。
ここでは、プロジェクト名は my_project
としています。
-
Armadillo に転送するディレクトリ及びファイル
-
my_project/app/build
-
my_project/app/lib
3.17.6. Armadillo 上でのセットアップ
3.17.6.2. ssh
接続に使用する IP アドレスの設定
VS Code 上で ABOSDE(Armadillo Base OS Development Environment) から、
ABOS Web が動作している Armadillo の一覧を確認し、
指定した Armadillo の IP アドレスを ssh 接続に使用することができます。
ただし、ATDE のネットワークを NAT に設定している場合は Armadillo がリストに表示されません。
図3.261「ABOSDE で ローカルネットワーク上の Armadillo をスキャンする」 の赤枠で囲われているボタンをクリックすることで、
ローカルネットワーク上で ABOS Web が実行されている Armadillo をスキャンすることができます。
図3.262「ABOSDE を使用して ssh 接続に使用する IP アドレスを設定する」 の赤枠で囲われているマークをクリックすることで、
指定した Armadillo の IP アドレスを ssh 接続に使用する IP アドレスに設定することができます。
図3.263「ABOSDE に表示されている Armadillo を更新する」 の赤枠で囲われているマークをクリックすることで、
ABOSDE に表示されている Armadillo を更新することができます。
ATDE のネットワークを NAT に設定している場合や、ABOS Web を起動していない場合等、
ABOSDE のリストに Armadillo が表示されない場合は、
プロジェクトディレクトリに入っている config/ssh_config
ファイルを編集して
IP アドレスを書き換えてください。
|
Armadillo の IP アドレスに置き換えてください。
|
![[ティップ]](images/tip.png) | |
---|
Armadillo を初期化した場合や、プロジェクトを実行する Armadillo を変えた場合は,
プロジェクトの config/ssh_known_hosts に保存されている公開鍵で Armadillo を認識できなくなります。
その場合はファイルを削除するか、「Setup environment」タスクを再実行してください。 |
VS Code の左ペインの [my_project] から [App run on Armadillo] を実行すると、
実行ファイルや共有ライブラリを作成した後、アプリケーションが Armadillo へ転送されて起動します。
VS Code のターミナルに以下のメッセージが表示されることがあります。
これが表示された場合は yes
と入力して下さい。
アプリケーションを終了するには VS Code の左ペインの [my_project] から [App stop on Armadillo] を実行してください。
ここでは完成したアプリケーションをリリース版としてビルドする場合の手順について説明します。
VS Code の左ペインの [my_project] から [Generate release swu] を実行すると、
リリース版のアプリケーションを含んだ SWU イメージが作成されます。
事前に 「SWUイメージの作成」 を参照して SWU の初期設定を行ってください。
![[注記]](images/note.png) | |
---|
リリース版の SWU イメージには、開発用の機能は含まれていません。
このため、リリース版の SWU イメージをインストールした Armadillo では、
[App run on Armadillo] を使用したリモート実行は使用できません。 |
作成した SWU イメージは my_project
ディレクトリ下に release.swu
というファイル名で保存されています。
この SWU イメージを 「SWU イメージのインストール」 を参照して Armadillo へインストールすると、
Armadillo 起動時にアプリケーションも自動起動します。
ABOSDE では SWU イメージの生成と同時に SBOM が生成されます。
生成される SBOM 名は SWU イメージ.spdx.json
になります。
json 形式で ISO/IEC5962で国際標準となっているSPDX2.2のフォーマットに準拠しています。
SBOM についての詳細は 「SBOM の提供」 をご参照ください。
3.18.1. SBOM 生成に必要なファイルを確認する
SBOM の生成には以下の二つのファイルが必要です。
SBOM の生成にはライセンス情報を示したコンフィグファイルを使用します。コンフィグファイルは config/sbom_config.yaml.tmpl
になります。
SWU イメージ作成時にこのコンフィグファイルからバージョン番号をアップデートした swu/sbom_config.yaml
が生成されます。
リリース時にはコンフィグファイルの内容を確認し、正しい内容に変更してください。
各項目の詳細な説明については SPDX specification v2.2.2 (https://spdx.github.io/spdx-spec/v2.2.2/) をご覧ください。
SBOM に含めるコンテナイメージ等の情報については desc ファイルに記載されています。
各項目の説明については 「SWU イメージと同時に SBOM を作成する」 をご覧ください。
SBOM の利点のひとつに、スキャンツールに入力することでソフトウェアに含まれる脆弱性を検出することができる点が挙げられます。
ここでは、 Google が提供しているオープンソース SBOM スキャンツール OSV-Scanner[] を用いて、開発したソフトウェアに既知の脆弱性が含まれているかを確認する方法を紹介します。
![[警告]](images/warning.png) | |
---|
OSV-Scanner は脆弱性を確認するため、検査対象のソフトウェアの情報を api.osv.dev に送信しています。
送信されるのはソフトウェアに関する以下の情報です。 -
パッケージ名
-
パッケージエコシステム(npm, crates.io など)
-
バージョン
|
3.19.1. OSV-Scanner のインストール
以下の手順はすべて ATDE 上で行います。
OSV-Scanner は GitHub にてビルド済みの実行ファイルが配布されているのでそちらを使用します。
OSV-Scannerのリリースページから、最新の実行ファイル(osv-scanner_linux_amd64)をクリックしてダウンロードしてください。
次に、図3.274「OSV-Scanner をインストールする」のコマンドを実行することで、 OSV-Scanner がインストールされます。
osv-scanner --help
コマンドを実行して、正しくインストールされていることを確認してください。
これで OSV-Scanner のインストールが完了しました。
3.19.2. OSV-Scanner でソフトウェアの脆弱性を検査する
図3.276「OSV-Scanner を用いて SBOM をスキャンする」に示すコマンドを実行することで、ソフトウェアに含まれる既知の脆弱性を検出します。
ここでは例として ABOSDE で開発したアプリケーションの SBOM をスキャンします。
SBOM 生成については 「SWU イメージと同時に SBOM を作成する」 を参照してください。
|
今回は見やすさのために format を markdown に設定しています
|
上記の例では、 development.swu に含まれるソフトウェアから既知の重要な脆弱性が5件検出されました。
OSV URL 列の URL にアクセスすることで各脆弱性の詳細を確認することができます。
Armadillo 上で動作するシステムの開発が完了したら、製造・量産に入る前に開発したシステムのテストを行ってください。
テストケースは開発したシステムに依ると思いますが、 Armadillo で開発したシステムであれば基本的にテストすべき項目について紹介します。
長期間のランニングテストは実施すべきです。
ランニングテストで発見できる現象としては、以下のようなものが挙げられます。
長期間稼働することでソフトウェアの動作が停止してしまう
開発段階でシステムを短い時間でしか稼働させていなかった場合、長期間ランニングした際になんらかの不具合で停止してしまう可能性が考えられます。
開発が完了したら必ず、長時間のランニングテストでシステムが異常停止しないことを確認するようにしてください。
コンテナの稼働情報は podman stats
コマンドで確認することができます。
メモリリークが発生する
アプリケーションのなんらかの不具合によってメモリリークが起こる場合があります。
また、運用時の Armadillo は基本的に overlayfs で動作しています。
そのため、外部ストレージやボリュームマウントに保存している場合などの例外を除いて、動作中に保存したデータは tmpfs (メモリ)上に保存されます。
よくあるケースとして、動作中のログなどのファイルの保存先を誤り、 tmpfs 上に延々と保存し続けてしまうことで、メモリが足りなくなってしまうことがあります。
長時間のランニングテストで、システムがメモリを食いつぶさないかを確認してください。
メモリの空き容量は図3.277「メモリの空き容量の確認方法」に示すように free コマンドで確認できます。
開発したシステムが、想定した条件下で正しく動作することは開発時点で確認できていると思います。
しかし、そのような正常系のテストだけでなく、正しく動作しない環境下でどのような挙動をするのかも含めてテストすべきです。
よくあるケースとしては、動作中に電源やネットワークが切断されてしまった場合です。
電源の切断時には、 Armadillo に接続しているハードウェアに問題はないか、電源が復旧した際に問題なくシステムが復帰するかなどをよくテストすると良いです。
ネットワークの切断時には、再接続を試みるなどの処理が正しく実装されているか、 Armadillo と サーバ側でデータなどの整合性が取れるかなどをよくテストすると良いです。
この他にもシステムによっては多くの異常系テストケースが考えられるはずですので、様々な可能性を考慮しテストを実施してから製造・量産ステップに進んでください。
3.21. ユーザー設定とユーザーデータを一括削除する
ユーザー設定とユーザーデータを一括削除することができます。
ユーザー設定の削除では ABOS Web から設定できる以下の項目を削除します。
ネットワーク設定
-
LAN、WLAN、WWAN の設定を全て削除します。WLAN はクライアント設定とアクセスポイント設定の両方を削除します。
-
DHCP 設定
-
NAT 設定
-
VPN 設定
-
NTP 設定
ABOS Web から設定できるものであっても以下は削除されません。
-
Rest API トークン
-
UI カスタマイズの内容
ユーザーデータの削除では以下のデータを削除します。
-
/var/app/volumes
ディレクトリ下のファイルを全て
-
/var/log
ディレクトリ下のファイルを全て
ユーザー設定とユーザーデータを削除するには Armadillo 上で abos-ctrl reset-default
コマンドを使用します。
|
何もオプションを付けない場合、 DRY-RUN モードとなり実際に削除は行われません。
実際に削除を行う時に実行されるコマンドが表示されるのみです。
|
表示されたコマンドを確認し実際に削除されてもよい場合は、以下のように -f
オプションを付けて
実行してください。
コマンド実行後は自動的に Armadillo が再起動します。
ABOS Web または Rest API から実行することもできます。
ABOS Web から実行する場合は 「ユーザー設定とユーザーデータの削除」 を参照してください。
Rest API から実行する場合は 「Rest API : ユーザー設定とユーザーデータの管理」 を参照してください。
![[注記]](images/note.png) | |
---|
再起動後、再び設定が必要な場合は ABOS Web や REST API を使用して行ってください。
特に Armadillo Twin を利用している場合は、必ずネットワークの再設定を行ってください。 |